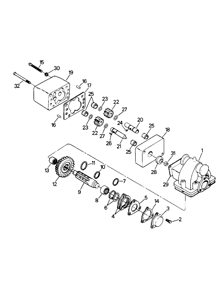
Запчасти Case IH ST325 (04-32) - TRANSMISSION PUMP, TWO SECTION (04) - Drive Train

Схема запчастей Case IH ST325 - (04-32) - TRANSMISSION PUMP, TWO SECTION (04) - Drive Train
29
16
25
7
4
30
18
13
27
21
28
31
25
6
5
25
9
24
20
2
16
11
22
22
8
10
27
26
15
1
19
32
12
3
23
23
14
17
FIT
1:1
100%

Артикул

Название

Примечание

Количество

12-2055

PUMP

PTO & Pump Assembly, consists of Refs. 1-32

1шт.

12-1722

PTO Assembly, consists of Refs. 1-14

1шт.

1-2114

PUMP

Assembly, consists of Refs. 15-32

1шт.

1

12-1669

HOUSING

PTO (includes Ref. 8 & 13)

1шт.

2

12-1670

Capscrew

3шт.

3

12-1671

CAP

Bearing

1шт.

4

12-1672

GASKET

2шт.

5

12-1673

PLATE

Thrust Plate

1шт.

6

12-1674

THRUST WASHER

Thrust Washer

2шт.

7

12-1675

BALL

21шт.

8

12-1676

NEEDLE BEARING

1шт.

9

12-1677

SHAFT

Drive (includes Ref. 6, 7 & 10)

1шт.

10

12-1678

RING

Retaining Ring

1шт.

11

12-1679

RING

Retaining Ring

2шт.

12

12-1680

GEAR

Drive

1шт.

13

12-1681

NEEDLE BEARING

1шт.

14

1-2069

GASKET

1шт.

15

1-2112

CAPSCREW

4шт.

16

1-2111

PIN

Dowel Pin

2шт.

17

1-2113

GASKET

1шт.

18

1-2100

Stator

1шт.

19

1-2101

Housing, Gear

1шт.

20

1-2102

SHAFT

Idler

1шт.

21

1-2103

DRIVE SHAFT

Shaft, Drive

1шт.

22

1-2104

GEAR

2шт.

23

1-2105

RING, SNAP

Snap Ring

2шт.

24

1-2106

PIN

Drive Pin

1шт.

25

1-2107

NEEDLE BEARING

4шт.

26

1-2108

KEY

1шт.

27

1-2109

RING, SNAP

Snap Ring

2шт.

28

1-2110

OIL SEAL

1шт.

29

12-1682

GASKET

1шт.

30

12-1685

Lock Washer

2шт.

31

12-1699

COUPLING

1шт.

32

12-1720

BOLT

Capscrew

2шт.

Выбрано товаров: 35