Запчасти Case IH ST325 (04-42) - TWO SPEED TRANSFER CASE SHIFTERS (04) - Drive Train

Схема запчастей Case IH ST325 - (04-42) - TWO SPEED TRANSFER CASE SHIFTERS (04) - Drive Train
21
20
9
32
18
15
21
19
1
33
33
15
30
18
22b
34
25
3
17
8
24
32
35
38
2
31
15
5
19
24
15
37
36
14
4
15
23
36
30
30
23
30
20
6
14
15
8
21
34
29
35
17
7
1
33
19
17
27
28
12
27b
19
11
22
24
37
10
24
23
19
38
29
13
27a
14
22c
1
16
31
FIT
1:1
100%

Артикул

Название

Примечание

Количество

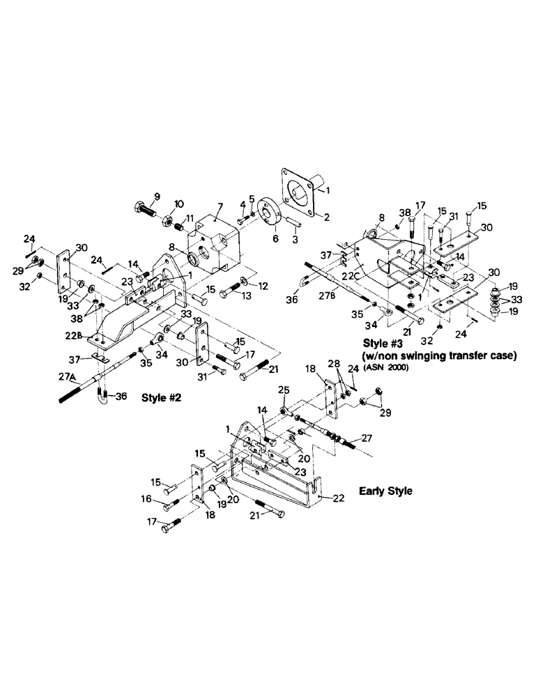
1

1-3550

ROD

Shifter

1шт.

2

1-2300

SHIM

1шт.

3

19-1115

DOWEL,1/4" x 2"

Pin

1шт.

4

19-19

BOLT,Hex, 3/8" - 16 x 1 1/2", Gr 5

Capscrew

2шт.

5

19-306

WASHER

2шт.

6

1-2548

BLOCK

Adjust

1шт.

7

1-1889

BLOCK

Detent

1шт.

8

1-1850

SEAL

1шт.

9

19-59

BOLT,Hex, 5/8" - 11 x 1 1/2", Gr 5

Capscrew

1шт.

10

19-83

NUT,5/8"-11, G5

1шт.

11

1-1852

PLUNGER

Ball

1шт.

12

19-224

WASHER,3/8", SAE

2шт.

13

19-22

BOLT,Hex, 3/8" - 16 x 2 1/2", Gr 5

Capscrew

2шт.

14

19-17

BOLT,Hex, 3/8" - 16 x 1", Gr 5, Full Thd

Capscrew

1шт.

15

19-145

CLEVIS PIN,3/8" x 1.06"

2шт.

16

19-211

CAPSCREW,1/4" - 20 x 1 1/4", Gr 5

1шт.

17

19-741

BOLT,Hex, 1/2" - 13 x 2 3/4", Gr 5

Capscrew

1шт.

18

1-1905

ARM

Lever, Linkage

2шт.

19

24-206

BEARING CONE,0.5" ID x 0.75" OD x 0.3"

Bearing

2шт.

20

19-463

WASHER,1/2", SAE

2шт.

21

19-395

BOLT,Hex, 3/8" - 16 x 5 1/2", Gr 5

Capscrew

2шт.

22

1-1902

LINK

Bracket, Cable (Early)

1шт.

Superseded, Old P/N MUST be used on models prior to S/N break. New P/N will fit models after the S/N break only.

1шт.

22b

2-3000T2

BRACKET

Cable (2nd style)

1шт.

Superseded, Old P/N MUST be used on models prior to S/N break. New P/N will fit models after the S/N break only.

1шт.

22c

1-3559T2

BRACKET

Cable (Latest)

1шт.

Superseded, Old P/N MUST be used on models prior to S/N break. New P/N will fit models after the S/N break only.

1шт.

23

1-3555

ARM

Linkage

1шт.

24

19-2385

Cotter Pin

2шт.

25

19-1031

GASKET

Red End, Female

1шт.

26

19-89

NUT,1/4"-28, G5

1/4 NF

2шт.

27

1-3685

CABLE

2 Speed

1шт.

Superseded, Old P/N MUST be used on models prior to S/N break. New P/N will fit models after the S/N break only.

1шт.

27a

1-4252

CABLE

2 Speed

1шт.

Superseded, Old P/N MUST be used on models prior to S/N break. New P/N will fit models after the S/N break only.

1шт.

27b

1-3561

CABLE

2 Speed (ASN 2000)

1шт.

28

19-76

NUT,1/4"-20, G5

2шт.

29

19-81

NUT,1/2"-13, G5

2шт.

30

1-3557T1

LEVER

Linkage

2шт.

31

19-8

BOLT,5/16" - 18 x 1 1/2", Gr 5

Capscrew

1шт.

32

231-1445

NUT,5/16"-18, GB

NUT, LOCK, 5/16"-18, GB

1шт.

33

19-463

WASHER,1/2", SAE

(not necessary on some)

2шт.

34

1-3332

BALL JOINT

Rod End, Female

1шт.

35

19-236

JAM NUT,5/16" - 24, Gr 5

Jam Nut

1шт.

36

19-5402

BOLT

U Bolt

1шт.

37

2-3008T1

SHIM

1шт.

38

19-509

LOCK NUT,5/16"-24, GB

Locknut

2шт.

Выбрано товаров: 47