Запчасти Case IH ST450 (01-28) - RADIO AND MOUNTING, FUJITSU, ASN 450 129-00014 AND ST 470 130-00233 (10) - CAB

Схема запчастей Case IH ST450 - (01-28) - RADIO AND MOUNTING, FUJITSU, ASN 450 129-00014 AND ST 470 130-00233 (10) - CAB
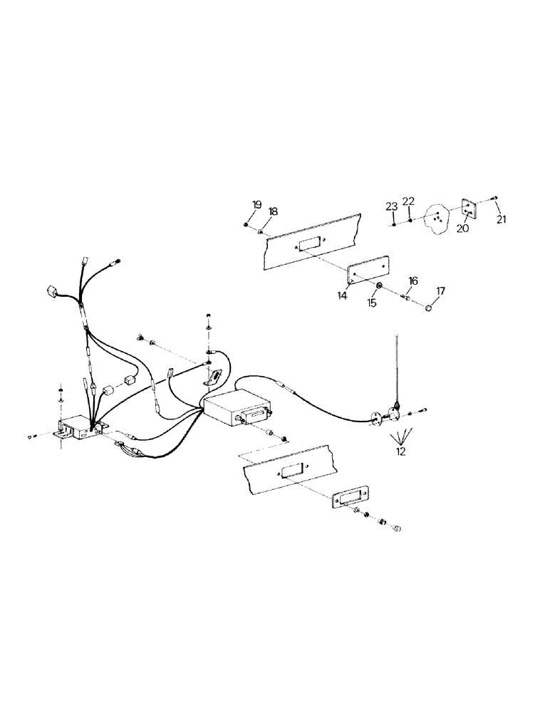
20
15
14
12
18
17
16
19
23
21
22
FIT
1:1
100%

Артикул

Название

Примечание

Количество

1

60-1752T91

RADIO

Electronic Cassette

1шт.

2

19-5409

WASHER

Trim

2шт.

3

60-1753T1

Wire Harness, Adapter

1шт.

1-4357

KNOB

Set, consists of Refs. 4 and 5

1шт.

4

60-1754T1

KNOB

Inner

2шт.

5

60-1755T1

KNOB

Outer

2шт.

6

60-1708T1

BRACKET

Radio Mount

1шт.

7

19-567

NUT,#10-24

#10 UNC

5шт.

8

19-467

LOCK WASHER,Ext Tooth, 1/4"

1/4

5шт.

9

5-306

SPACER

2шт.

60-1710T91

DECAL

/Bezel Assembly, consists of Ref. 10 & 11

1шт.

10

60-1707T1

DECAL

Radio

1шт.

11

60-1709T1

LARGE PLATE

Bezel, Radio

1шт.

12

1-4545

ANTENNA

radio (includes all mounting hardware)

1шт.

13

60-1499T1

Amplifier

1шт.

14

2-1784T1

PLATE

Trim

1шт.

15

1-3991

WASHER

Caplug Washer

2шт.

16

19-6

BOLT,5/16" - 18 x 3/4", Gr 5

Capscrew, 5/16 x 3/4 UNC

2шт.

17

1-3990

PLUG

Caplug

2шт.

18

19-700

WASHER,5/16"

5-16

2шт.

19

231-1445

NUT,5/16"-18, GB

NUT, LOCK, 5/16"-18, GB

2шт.

20

2-1783T1

LARGE PLATE

Plate, Cover

1шт.

21

19-572

SCREW,Sl Pan Hd, #10 - 32 x 1/2", Gr 5

Machine Screw, #10 x 1/2 UNF

3шт.

22

19-297

LOCK WASHER,#10

#10

3шт.

23

19-308

NUT,#10 - 32

#10 UNF

3шт.

Выбрано товаров: 25