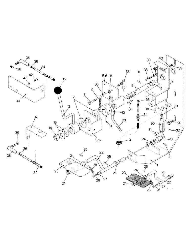
Запчасти Case IH ST450 (01-35) - THROTTLE CONTROLS (10) - CAB

Схема запчастей Case IH ST450 - (01-35) - THROTTLE CONTROLS (10) - CAB
34
35
12
43
19
11
5
23
29
16
15
7
26
36
5
17
28
14
21
32
24
28
24
35
36
34
33
23
2
25
39
3
36
20
36
18
10
39
36
35
4
11
31
56
24
24
26
25
40
34
37
25
24
41
1
22
27
13
25
27
9
30
40
42
38
8
36
22
24
FIT
1:1
100%

Артикул

Название

Примечание

Количество

1

47-4389

Support, Lever

1шт.

2

19-957

SCREW

Tapping, 5-16 NC x 3/4

3шт.

3

1-1051

GROMMET

1шт.

4

4-551

SHAFT

1шт.

5

24-209

BUSHING,0.75" ID x 0.875" OD x 0.375"

Bearing

4шт.

6

4-568

LEVER

1шт.

7

19-19

BOLT,Hex, 3/8" - 16 x 1 1/2", Gr 5

Capscrew, 3/8 NC x 1-1/2

1шт.

8

19-78

SPECIAL NUT,3/8"-16, G5

3/8 NC

1шт.

9

11-15

SPRING

Decelerator

1шт.

10

4-570

LEVER

1шт.

11

19-950

LOCK PIN,1/4" x 1 3/4", Slotted

Pin, 1/4" x 1 3/4", Slotted

2шт.

12

47-4728

LEVER

Throttle

1шт.

13

19-951

KEY

1шт.

14

231-46112

LOCK NUT,3/4"-16, GB

3/4 NF

1шт.

15

24-210

KNOB

1шт.

16

4-577

WASHER

Spring Washer

2шт.

17

4-574T3

SUPPORT

1шт.

18

19-288

BOLT,Hex, 5/16" - 18 x 5/8", Gr 5, Full Thd

Capscrew, 5/16 NC x 5/8

2шт.

19

4-566

DISC

2шт.

20

4-556

LEVER

1шт.

21

19-505

LOCK PIN,3/16" x 1", Slotted

Pin, 3/16" x 1", Slotted

1шт.

22

4-557T1

SHAFT

(Early Style)

1шт.

In case the early style shaft or pedal is unavailable the later style must be used as a pair.

1шт.

60-1476T1

SHAFT

(Later Style)

1шт.

23

4-554

PEDAL

Decel (Early Style)

1шт.

In case the early style shaft or pedal is unavailable the later style must be used as a pair.

1шт.

60-1475T1

PEDAL

Decel, (Later Style)

1шт.

24-13

PROTECTION STRIP

Pad, Decelerator Pedal

1шт.

24

24-206

BEARING CONE,0.5" ID x 0.75" OD x 0.3"

Bearing

4шт.

25

19-952

LOCK PIN,3/32" x 3/4", Slotted

Pin, 3/32" x 3/4", Slotted

3шт.

26

19-3061

SCREW,Hex Flg, #10 - 24 x 7/8", Gr 2

Machine Screw, #10 NC x 7/8

1шт.

27

19-567

NUT,#10-24

#10 NC

1шт.

28

11-21

SPRING

1шт.

29

4-552T1

ROD

Decelerator

1шт.

30

19-140

CLEVIS

2шт.

31

19-143

CLEVIS PIN,5/16" x 0.94"

2шт.

32

19-238

COTTER PIN,3/32" x 3/4"

Pin, Split (Cotter), 3/32" x 3/4"

2шт.

33

19-88

NUT,5/16"-24, G5

5/16 NF

2шт.

34

47-3768

CABLE

Throttle

1шт.

35

6-1431

BALL JOINT

2шт.

36

19-308

NUT,#10 - 32

#10 NF

4шт.

37

47-4213

BRACKET

Throttle Cable

1шт.

38

19-22

BOLT,Hex, 3/8" - 16 x 2 1/2", Gr 5

Capscrew, 3/8 NC x 2-1/2

1шт.

39

19-295

NUT,Jam, 3/8" - 16, Gr 5

Jam Nut, 3/8 NC

2шт.

40

19-224

WASHER,3/8", SAE

3/8

2шт.

41

1-8343

Bracket, Throttle Cable

1шт.

42

19-1

BOLT,Hex, 1/4" - 20 x 3/4", Gr 5

Capscrew, 1/4 NC x 3/4

2шт.

43

19-115

LOCK WASHER,1/4"

1/4"

2шт.

Выбрано товаров: 48