Запчасти Case IH ST450 (05-09) - PARK BRAKE AND MOUNTING KIT, CABLE ACTUATED (5.1) - BRAKES

Схема запчастей Case IH ST450 - (05-09) - PARK BRAKE AND MOUNTING KIT, CABLE ACTUATED (5.1) - BRAKES
21
11
6
5
15
19
4
10
2
9
6
12
16
14
1
1
7
5
18
17
13
8
3
FIT
1:1
100%

Артикул

Название

Примечание

Количество

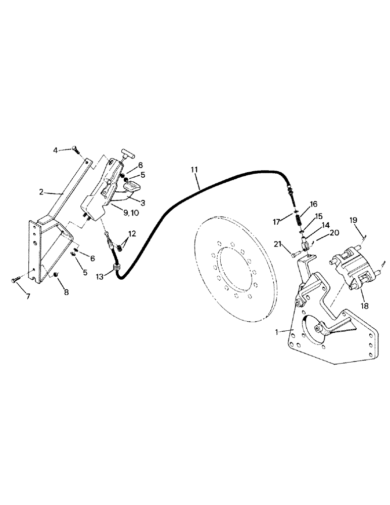
1

90-3914T1

Brake Mount

1шт.

2

60-2450T1

BRACKET

Park Brake Bracket

1шт.

3

60-2225T2

BRAKE

Park Brake Pedal

1шт.

4

19-7

BOLT,Hex, 5/16" - 18 x 1", Gr 5

Capscrew

1шт.

5

19-508

LOCK NUT

Lock Nut

3шт.

6

19-700

WASHER,5/16"

Flat Washer

3шт.

7

19-799

BOLT,Hex, 3/8" - 16 x 1 1/4", Gr 8

Capscrew

3шт.

8

19-341

LOCK NUT,3/8" - 16, GB

3шт.

9

20-1463T1

SWITCH

Assy (Brake Warning)

1шт.

10

20-1905T1

Wire Assy

1шт.

11

60-3502T1

CABLE

Brake Cable

1шт.

12

19-5867

RING, SNAP

Retaining Ring

2шт.

13

1-1051

GROMMET

1шт.

14

19-139

YOKE

Clevis

1шт.

15

19-295

NUT,Jam, 3/8" - 16, Gr 5

Jam Nut

1шт.

16

33-169

SPRING

1шт.

17

19-224

WASHER,3/8", SAE

Flat Washer

1шт.

18

Park Brake (see Fig. 5-10)

1шт.

19

19-191

PIN, SPLIT (COTTER),1/8" x 2"

2шт.

20

19-124

COTTER PIN,3/32" x 1"

Pin, Split (Cotter), 3/32" x 1"

1шт.

21

19-145

CLEVIS PIN,3/8" x 1.06"

1шт.

60-3210T1

PLUG

(not shown-used to plug hole in dash when old park brake switch is removed.

1шт.

Выбрано товаров: 22