Запчасти Case IH ST450 (04-18) - TRANSMISSION MOUNTING, LATER STYLE (04) - Drive Train

Схема запчастей Case IH ST450 - (04-18) - TRANSMISSION MOUNTING, LATER STYLE (04) - Drive Train
5
10
21
4
17
22
38
38
29
28
20
1
20
18
12
40
14
32
24
7
39
4
16
36
8
30
3
35
15
26
15
33
37
25
6
19
34
23
27
13
2
31
9
11
1
14
FIT
1:1
100%

Артикул

Название

Примечание

Количество

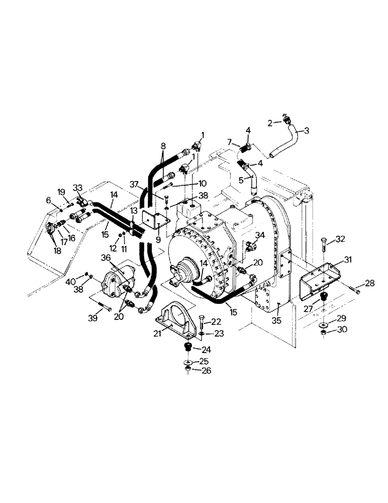
1

31-1222

ELBOW

2шт.

2

1-7727

DIPSTICK

1шт.

3

47-4776

TUBE

1шт.

4

31-1283

MOUNTING CLIP

Clamp

2шт.

5

1-8058

TUBE

1шт.

6

19-119

LOCK WASHER,1/2"

1/2"

8шт.

7

31-1274

HOSE

1шт.

8

31-1312

HOSE

2шт.

9

47-3847

Bracket

1шт.

10

19-23

BOLT,3/8" - 16 x 2 3/4", Gr 5

Capscrew

1шт.

11

19-107

WASHER

1шт.

12

19-78

SPECIAL NUT,3/8"-16, G5

1шт.

13

51-243

HOLDER

Clamp

1шт.

14

31-1218

HOSE

Cummins engine

1шт.

31-1339

Hose, Cat engine

1шт.

15

31-1215

HOSE

Cummins engine

1шт.

31-1338

Hose, Cat engine

1шт.

16

31-1221

ADAPTER

Cummins engine

2шт.

31-1310

Adapter, Cat engine

1шт.

17

31-1219

O-RING,0.139" Thk x 2.234" ID, -228, Cl 6, 90 Duro

Cummins engine

2шт.

31-1328

O-RING,0.139" Thk x 1.859" ID, -225, Cl 6, 90 Duro

Cat engine

1шт.

18

31-1220

CLAMP

Split Flange, Cummins engine

4шт.

31-1311

FLANGE

Split Flange, Cat engine

1шт.

19

19-44

BOLT,Hex, 1/2" - 13 x 1 1/4", Gr 5

Capscrew

8шт.

20

31-585

HYD CONNECTOR,1 5/8"-12, 37 Degree x 1 1/4"-11 1/2, NPTF

Fitting

3шт.

21

47-3106

TRUNNION

Trans Trunnion

1шт.

22

19-494

BOLT,Hex, 5/8" - 11 x 3", Gr 5

Capscrew

2шт.

23

19-111

WASHER,5/8"

1шт.

24

24-231

RUBBER MOUNTING

Rubber Mount

2шт.

25

19-408

WASHER

Rubber Mount Washer

2шт.

26

19-83

NUT,5/8"-11, G5

2шт.

27

47-4171

SHOCK ABSORBER

Rubber Mount

12шт.

28

19-1106

BOLT,Hex, 5/8" - 11 x 1.25, Gr 8, Full Thd

Capscrew

12шт.

29

47-4626

WASHER

Rubber Mount Washer

6шт.

30

19-84

NUT,3/4"-10, G5

6шт.

31

47-3087

Mount (Left)

1шт.

47-3091

Mount (Right)

1шт.

32

19-614

BOLT,3/4" - 10 x 4 1/2", Gr 5

Capscrew

6шт.

33

31-1151

CLAMP

Assy

2шт.

34

218-489

ELBOW,90 Degree Elbow, 1-5/8" - 12 Male JIC x 1-1/4" - 11-1/2 Male NPTF

(Replaces 31-1223)

1шт.

35

47-4047

Trans (Manual Shift)

1шт.

1-9991T1

Trans (01-9991) (Electric Shift) (used on 450 & 470 HP)

1шт.

Superseded-Old P/N can be used for all models, but order new P/N when stock is depleted.

1шт.

1-9991T2

Trans (used on 525 HP)

1шт.

36

NSS

NOT SOLD SEPARAT

Filter Assy (inc w/Trans)

1шт.

ORDER FROM ALLISON

1шт.

1-3984T1

FILTER

Element (01-3984)

2шт.

Superseded-Old P/N can be used for all models, but order new P/N when stock is depleted.

1шт.

37

19-33

BOLT,7/16" - 14 x 1 1/4", Gr 5

Capscrew

2шт.

38

19-118

LOCK WASHER,7/16"

7/16"

5шт.

39

19-737

Capscrew

3шт.

40

19-79

NUT,7/16"-14, G5

3шт.

41

32-343

MOUNTING CLIP

Clamp

4шт.

42

19-633

BOLT,Hex, 1/2" - 13 x 3/4", Gr 5

Capscrew

2шт.

19-81

NUT,1/2"-13, G5

1шт.

Выбрано товаров: 55