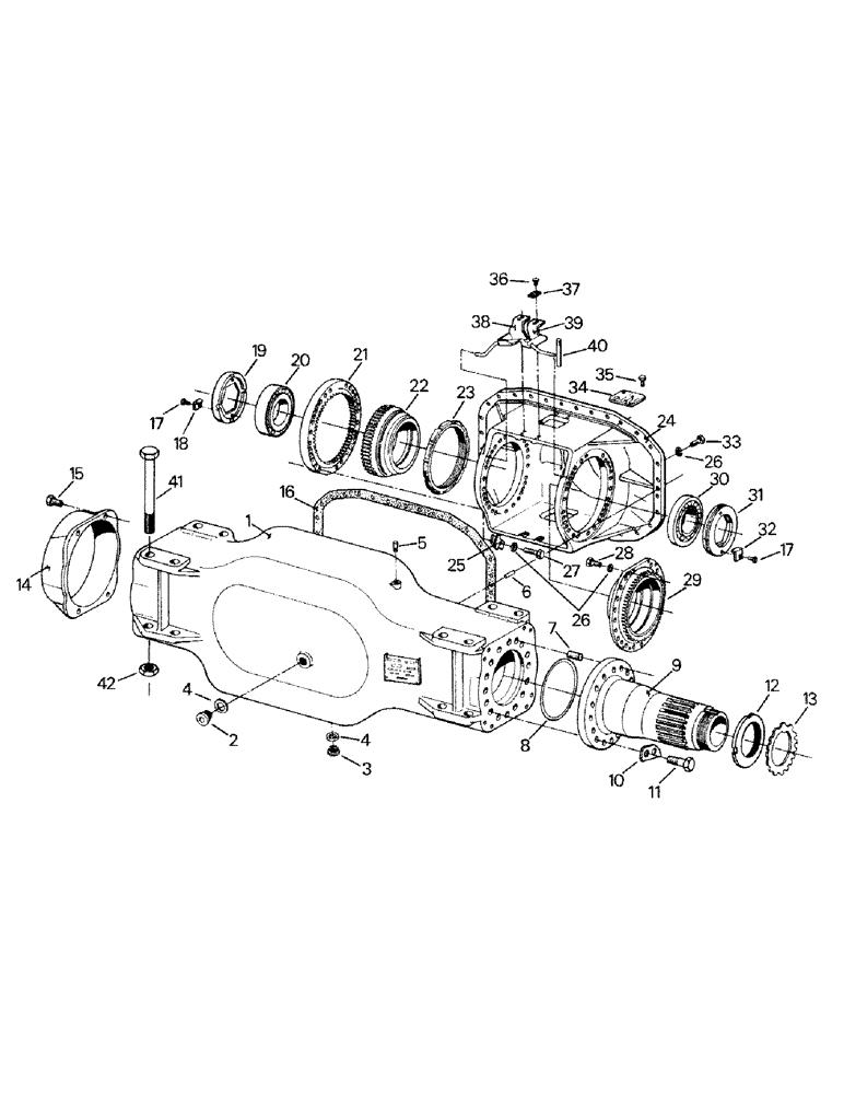
Запчасти Case IH ST450 (04-22) - AXLE CASING AND DRIVE HOUSING, K594.05/15, BSN BREAKS ST450 1239-01502 AND ST 470 130-01517 (04) - Drive Train

Схема запчастей Case IH ST450 - (04-22) - AXLE CASING AND DRIVE HOUSING, K594.05/15, BSN BREAKS ST450 1239-01502 AND ST 470 130-01517 (04) - Drive Train
4
3
26
18
22
31
16
9
40
34
28
4
29
19
1
24
13
8
27
5
10
23
42
41
1
17
21
36
20
38
30
17
20
2
33
14
26
32
37
15
35
6
12
11
25
FIT
1:1
100%

Артикул

Название

Примечание

Количество

47-4063

Axle Assy (Front)

1шт.

47-4064

Axle Assy (Rear)

1шт.

1

1-6692

Axle Casing

1шт.

2

16-1503

PLUG,M30 x 1.5 x 17mm

Straight (used w/Ref. 4)

1шт.

90-2523T1

PLUG

Tapered (used w/o Ref. 4)

1шт.

3

16-1502

PLUG

Magnetic Plug, Straight (used w/Ref. 4)

1шт.

90-4484T1

PLUG

Magnetic Plug, Tapered (used w/o Ref. 4)

1шт.

4

16-1501

SEALING RING

2шт.

5

1-6693

BREATHER

1шт.

6

1-6694

Dowel Pin

2шт.

7

1-6695

DOWEL

Pin

4шт.

8

1-6696

O-RING,165mm ID x 5.7mm Width

2шт.

9

1-6697

Stub Axle

2шт.

10

1-6698

THRUST WASHER

Tab Washer

14шт.

11

1-6699

SCREW,Hex, M24 x 2 x 75mm, Cl 10.9

Capscrew

28шт.

12

1-6700

NUT

Shaft End Nut

4шт.

13

1-6701

WASHER

Tab Washer

2шт.

14

1-6702

GUARD

Dust Guard

2шт.

15

1-6703

Capscrew

8шт.

1-6705

DIFFERENTIAL ASSY

Gear Box & Differential w/Inner Gear Assy (Front), consists of

1шт.

1-6704

GEARBOX ASSY

Gear Box & Differential w/Inner Gear Assy (Rear) Incl. Ref. 16-40

1шт.

16

1-6706

GASKET

1шт.

17

1-6707

SCREW,Lock, M8 x 11.80mm, Cl 10.9

Lock Screw

4шт.

18

16-1627

LOCK WASHER

Tab Washer

2шт.

19

1-6708

OIL SEAL

Pressure Ring I

1шт.

20

1-6709

TAPERED BEARING,90mm ID x 160mm OD x 42.5mm

1шт.

21

1-6710

Bearing Block Retainer

1шт.

22

1-6711

BLOCK

Geared Bearing Block I

1шт.

23

1-6712

NUT

Corrugated Bearing Nut

1шт.

24

1-6713

Rear Gear Box

1шт.

25

1-6714

WASHER

Lugged Tab Washer

1шт.

26

1-6715

Lock Washer

71шт.

27

1-6716

Capscrew

20шт.

28

1-6717

Capscrew

19шт.

29

1-6718

BLOCK

Geared Bearing Block II

1шт.

30

16-1523

BEARING ASSY,85mm ID x 130mm OD x 29mm W

Tapered Roller Bearing

1шт.

31

1-6719

OIL SEAL

Pressure Ring II

1шт.

32

1-6720

WASHER

Tab Washer

2шт.

33

16-1519

BOLT,Hex, M12 x 1.75 x 38mm, Gr 10.9

Capscrew

32шт.

34

16-1579

Direction Indicator Panel

1шт.

35

16-1581

CAPSCREW,Hex, M6 x 18mm, Gr 10.9, Full Thd

4шт.

36

16-1186

CAPSCREW,Hex, M8 x 15mm, Cl 10.9

4шт.

37

1-6721

SPECIAL WASHER

Tab Washer

2шт.

38

1-6722

Oil Wiper (Left)

1шт.

39

1-6723

WIPER

Oil Wiper (Right)

1шт.

40

1-6724

PIPE

1шт.

41

19-5465

BOLT,1 1/4" x 7", Gr 8

Axle Bolt

8шт.

42

19-459

NUT,1 1/4"-7, G5

Axle Bolt

8шт.

Выбрано товаров: 48