Запчасти Case IH ST450 (08-20) - HYDRAULIC COUPLERS, SEYMOUR (07) - HYDRAULICS

Схема запчастей Case IH ST450 - (08-20) - HYDRAULIC COUPLERS, SEYMOUR (07) - HYDRAULICS
25
2
10
32
34
15
35
31
23
19
18
22
4
1
20
16
3
21
6
27
5
36
28
24
12
10
33
8
11
29
14
22
8
26
30
17
7
13
7
9
FIT
1:1
100%

Артикул

Название

Примечание

Количество

1-8085

COUPLING

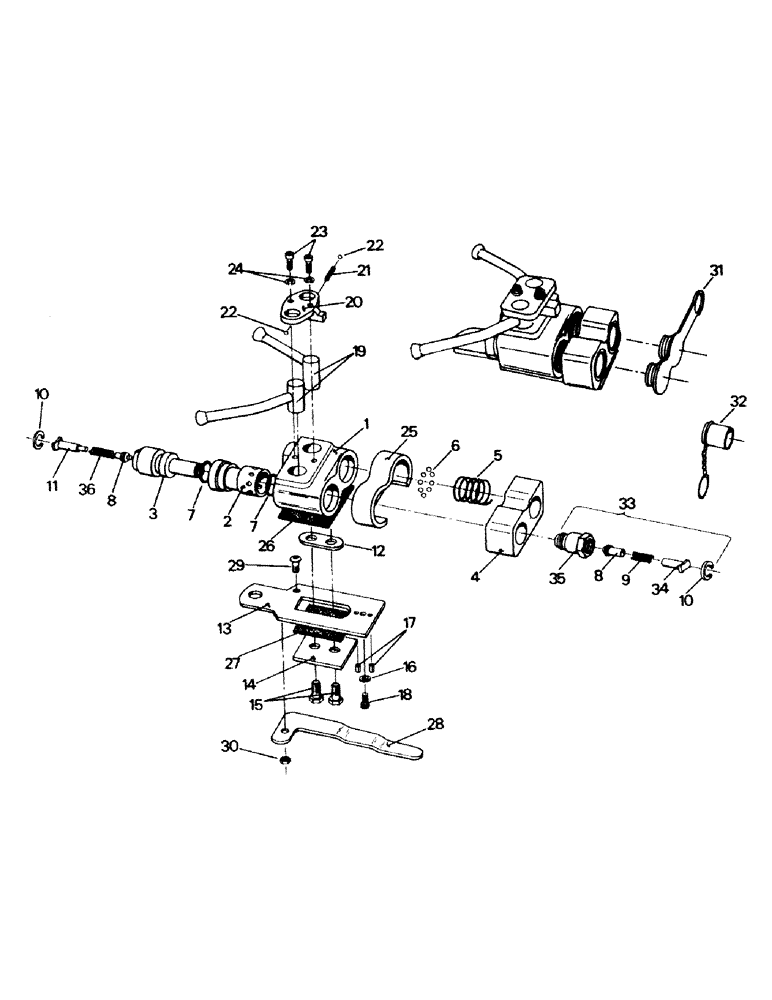
Hyd Coupler (18-1608 & 18-1760), consists of Ref. 1-36

1шт.

The earlier couplers can be serviced w/the later parts as shown here. The very early version, 18-1608, had pipe thread ports so when it is replaced, 2 adapters, 31-398 must be ordered. The earlier versions did not have the release lever & adapting parts, but these can be ordered in Coupler Improvement Kit P/N 35-1140. These couplers may no longer be available as complete units, so it is recommended that the later style Pioneer, as shown in Figure 08-21(1), be ordered, as it will accept the male adapter used

1шт.

Superseded old part number can be used for all models, but order new part number when stock is depleted.

1шт.

2-1087

COUPLING

Hyd Coupler (w/o Male Tips) (01-2626), consists of Ref. 1-36

1шт.

Superseded old part number can be used for all models, but order new part number when stock is depleted.

1шт.

1

18-1649

Body

1шт.

2

18-1648

SLEEVE

Female Sleeve

2шт.

3

18-1646

Male Sleeve

2шт.

4

18-1652

Coupler End

1шт.

5

18-1650

Sleeve Spring

2шт.

6

18-1651

BALL

Steel Ball, 3/16

16шт.

7

18-1647

O-RING

4шт.

8

2-2052

PISTON

(18-1645)

4шт.

Superseded-Old P/N is not used any longer; the new P/N is to be used in ALL cases. Old P/N should be removed from existing inventory. It is recommended that the old part not be used under any circumstances.

1шт.

9

18-1644

Piston Spring

2шт.

10

18-1641

OIL SEAL

Retaining Ring

4шт.

11

2-1088

STOP

Piston Stop & Guide (Repl 18-1642 Piston & 18-1643 Estension)

1шт.

Superseded-Old P/N is not used any longer; the new P/N is to be used in ALL cases. Old P/N should be removed from existing inventory. It is recommended that the old part not be used under any circumstances.

1шт.

12

2-1089

Spacer (Repl 18-1660 Bushings)

1шт.

Superseded-Old P/N is not used any longer; the new P/N is to be used in ALL cases. Old P/N should be removed from existing inventory. It is recommended that the old part not be used under any circumstances.

1шт.

13

18-1659

Slide

1шт.

14

18-1661

Hold Down Plate

1шт.

15

19-16

BOLT,Hex, 3/8" - 16 x 3/4", Gr 5

Capscrew

2шт.

16

19-818

NUT,Int Tooth, 5/16"

Lock Washer, 5/16

1шт.

17

456540

ROLLER,3/16" x 5/8"

Roll Pin

2шт.

18

9421620

Socket Head Screw, 5/16 NC x 1/2

1шт.

19

18-1655

CAM

& Handle Assy (Left)

1шт.

18-1654

CAM

& Handle Assy (Right)

1шт.

20

18-1751

RETAINER

Cam Retainer (Repl 18-1656 Cover Plate & Retainer Block)

1шт.

Superseded-Old P/N is not used any longer; the new P/N is to be used in ALL cases. Old P/N should be removed from existing inventory. It is recommended that the old part not be used under any circumstances.

1шт.

21

18-1658

Spring

1шт.

22

18-1657

Steel Ball, 1/4

2шт.

23

19-960

HEX SOC SCREW,1/4"-20 x 1"

Socket head Screw, 1/4 NC x 1

2шт.

24

19-115

LOCK WASHER,1/4"

1/4"

2шт.

25

1-4600

Dust Shield

1шт.

26

2-1090

SEAL

Foam

1шт.

27

2-1091

SEAL

Foam

1шт.

28

2-1092

Lever, Release

1шт.

29

2-1093

Machine Screw

1шт.

30

19-2250

Jam, Nut, 1/4 UNC

1шт.

31

18-1728

SEAL

Plug

1шт.

32

18-1729

TIP

Cap

2шт.

33

18-1653

TIP

Male Tip Assembly

2шт.

34

18-1642

Piston Stop & Guide

2шт.

35

18-1750

TIP

Male Tip

2шт.

36

2-2051

SPRING

Piston Spring

2шт.

Выбрано товаров: 46