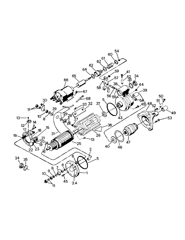
Запчасти Case IH ST470 (02-07) - STARTER (06) - ELECTRICAL

Схема запчастей Case IH ST470 - (02-07) - STARTER (06) - ELECTRICAL
45
5
33
61
39
58
49
41
35
35
19
45
8
51
30
29
27
55
64
12
32
43
24
54
11
29
8
3
34
23
56
2
38
34
54
36
2
47
4
65
26
13
9
5
10
62
67
6
40
63
42
17
44
21
53
13
1
25
5
15
37
57
59
14
6
68
11
10
46
20
48
60
16
50
18
22
31
66
7
FIT
1:1
100%

Артикул

Название

Примечание

Количество

47-4135

STARTING MOTOR

Starter Assy (Delco 1109978), consists of Refs. 1- 68 to 129-0010, 130-00210

1шт.

Superseded-Old P/N can be used for all models, but order new P/N when stock is depleted.

1шт.

20-1297T91

STARTING MOTOR

Starter Assy (Delco 1109841) (Delco 1990258 or Delco 1990270), consists of Refs. 1- 68

1шт.

Superseded-Old P/N can be used for all models, but order new P/N when stock is depleted.

1шт.

ASN 129-0010 & 130-00210 (Delco P/N must be used to determine variations)

1шт.

2-1277

FRAME

consists of Ref. 1-4 to 129-0010, 130-00210

1шт.

20-1347T91

FUNNEL

Frame, consists of Ref. 1-4

1шт.

ASN 129-0010 & 130-00210 (Delco P/N must be used to determine variations)

1шт.

2

2-1302

BUSHING

to 129-0010, 130-00210

1шт.

2

20-1353T1

BUSHING

1шт.

ASN 129-0010 & 130-00210 (Delco P/N must be used to determine variations)

1шт.

3

22-1046

Plug to 129-0010, 130-00210

1шт.

3

20-1339T1

CUP

Plug

1шт.

ASN 129-0010 & 130-00210 (Delco P/N must be used to determine variations)

1шт.

4

20-1366T1

WICK

1шт.

5

2-1307

O-RING

2шт.

6

22-1025

WASHER

Insulated

2шт.

7

20-1030

Terminal Insulator Kit

1шт.

8

22-1139

WASHER

Plain

2шт.

9

19-119

LOCK WASHER,1/2"

1/2"

1шт.

10

19-289

JAM NUT,1/2" - 13, Gr 5

2шт.

11

20-1329T1

NUT

& Washer

2шт.

12

2-1284

BRUSH, COMMUTATOR

Brush to 129-0010, 130-00210

12шт.

12

20-2110T1

Brush

1шт.

ASN 129-0010 & 130-00210 (Delco P/N must be used to determine variations)

1шт.

13

20-1332T1

SCREW

Brush Lead

9шт.

ASN 129-0010 & 130-00210 (Delco P/N must be used to determine variations)

1шт.

13

22-1130

SCREW

Brush Lead (Replaces 20-1130), Serial Range: 130-00210-129-0010

1шт.

ASN 129-0010 & 130-00210 (Delco P/N must be used to determine variations)

1шт.

14

22-1131

SCREW

& Washer

3шт.

2-1283

PLATE ASSY.

Brush Plate Assy (w/o Brushes), consists of Ref. 5-23, Serial Range: 130-00210-129-0010

1шт.

20-2111T91

Brush Plate Assy (w/o Brushes), consists of Ref. 5-23

1шт.

ASN 129-0010 & 130-00210 (Delco P/N must be used to determine variations)

1шт.

15

20-2118T1

Brush Holder & Spring Assy

6шт.

ASN 129-0010 & 130-00210 (Delco P/N must be used to determine variations)

1шт.

2-1285

SPRING

, Serial Range: 130-00210-129--0010

12шт.

2-1286

HOLDER

Brush Holder, Serial Range: 130-00210-129-0010

6шт.

16

20-2115T1

Terminal & Plate Assy

1шт.

ASN 129-0010 & 130-00210 (Delco P/N must be used to determine variations)

1шт.

16

20-1356T1

Terminal & Plate Assy, Serial Range: 130-00210-129-0010

1шт.

17

20-2116T1

Insulator Plate

3шт.

ASN 129-0010 & 130-00210 (Delco P/N must be used to determine variations)

1шт.

17

20-1362T1

Insulator Plate, Serial Range: 130-00210-129-0010

1шт.

18

20-2117T1

Insulator, Brush Plate

1шт.

ASN 129-0010 & 130-00210 (Delco P/N must be used to determine variations)

1шт.

18

20-1357T1

PLATE

Insulator, Brush Plate, Serial Range: 130-00210-129-0010

1шт.

19

20-2119T1

Plate, Ground Holder

1шт.

ASN 129-0010 & 130-00210 (Delco P/N must be used to determine variations)

1шт.

19

20-1363T1

Plate, Ground Holder, Serial Range: 130-00210-129-0010

1шт.

20

2-1298

WASHER

Insulator Washer

6шт.

21

20-1361T1

Conductor Plate

1шт.

ASN 129-0010 & 130-00210 (Delco P/N must be used to determine variations)

1шт.

21

20-1364T1

LARGE PLATE

Conductor Plate, Serial Range: 130-00210-129-0010

1шт.

22

20-2120T1

Conductor Plate

1шт.

ASN 129-0010 & 130-00210 (Delco P/N must be used to determine variations)

1шт.

22

20-1364T1

LARGE PLATE

Conductor Plate, Serial Range: 130-00210-129-0010

1шт.

23

20-2121T1

Screw & Washer Assy

12шт.

ASN 129-0010 & 130-00210 (Delco P/N must be used to determine variations)

1шт.

2-1294

SCREW

Ground Brush Holder-Long, Serial Range: -129-0010

3шт.

20-1351T1

Screw, Ground Brush Holder-Long, Start Serial: 130-00210

1шт.

2-1295

Screw, Insulation Brush Holder-Long, Serial Range: -129-0010

3шт.

20-1352T1

Screw, Insulation Brush Holder-Long, Start Serial: 130-00210

1шт.

2-1295

Screw, Insulation Brush Holder-Long, Serial Range: -129-0010

3шт.

20-1352T1

Screw, Insulation Brush Holder-Long, Start Serial: 130-00210

1шт.

2-1296

SCREW

Ground Brush Holder-Short, Serial Range: 130-00210-129-0010

3шт.

2-1297

SCREW

Insulation Brush Holder-Short, Serial Range: 130-00210-129-0010

1шт.

24

2-1301

WASHER

Thrust Washer

1шт.

25

2-1278

ARMATURE

1шт.

20-1348T91

COIL

Field Coil, consists of Refs. 26-27

1шт.

27

22-1117

STUD

Terminal Stud

1шт.

28

22-1031

BUSHING

& Insulator Package

1шт.

29

22-1026

WASHER

Insulated Washer

2шт.

30

2-1303

CONNECTOR, ELEC

Connector

1шт.

31

2-1304

INSULATOR

Brush Plate

1шт.

2-1305

Insulator, Field Coil, Serial Range: -129-0010

1шт.

20-1354T1

INSULATOR

Field Coil, Start Serial: 130-00210

1шт.

ASN 129-0010 & 130-00210 (Delco P/N must be used to determine variations)

1шт.

32

2-1309

SHOE

Pole Shoe

6шт.

33

22-1135

SCREW

Pole Shoe

12шт.

34

22-1045

PLUG

2шт.

35

22-1037

GASKET

2шт.

36

2-1306

ISOLATOR

Insulator, Field Coil

3шт.

37

22-1142

WASHER

Armature

1шт.

2-1280

HOUSING

Lever Housing, consists of Refs. 38-44, Serial Range: -129-0010

1шт.

20-1349T91

LEVER

Housing, consists of Refs. 38-44, Start Serial: 130-00210

1шт.

ASN 129-0010 & 130-00210 (Delco P/N must be used to determine variations)

1шт.

22-1029

BUSHING

, Serial Range: -129-0010

1шт.

20-1335T1

BUSHING

, Start Serial: 130-00210

1шт.

ASN 129-0010 & 130-00210 (Delco P/N must be used to determine variations)

1шт.

40

22-1137

WASHER

Brake Washer

1шт.

41

22-1046

Plug, Serial Range: -129-0010

1шт.

41

20-1339T1

CUP

Plug, Start Serial: 130-00210

1шт.

ASN 129-0010 & 130-00210 (Delco P/N must be used to determine variations)

1шт.

22-1063

WICK

, Serial Range: -129-0010

1шт.

29-1331T1

Wick, Start Serial: 130-00210

1шт.

ASN 129-0010 & 130-00210 (Delco P/N must be used to determine variations)

1шт.

43

22-1058

OIL SEAL

Seal

1шт.

44

22-1048

PLUG

, Serial Range: -129-0010

1шт.

44

20-1340T1

PLUG

, Start Serial: 130-00210

1шт.

ASN 129-0010 & 130-00210 (Delco P/N must be used to determine variations)

1шт.

45

22-1132

SELF-TAP SCREW

13шт.

46

22-1036

GASKET

1шт.

47

1-1235

DRIVE

Assy (Replaces 2-1235), Serial Range: -129-0010

1шт.

47

20-1343T1

DRIVE ASSY.

Drive Assy, Start Serial: 130-00210

1шт.

ASN 129-0010 & 130-00210 (Delco P/N must be used to determine variations)

1шт.

2-1281

Drive Housing, consists of Refs. 48-51, Serial Range: -129-0010

1шт.

29-1325T91

Drive Housing, consists of Refs. 48-51, Start Serial: 130-00210

1шт.

ASN 129-0010 & 130-00210 (Delco P/N must be used to determine variations)

1шт.

49

20-1028

Bushing, Serial Range: -129-0010

1шт.

49

20-1334T1

BUSHING

, Start Serial: 130-00210

1шт.

ASN 129-0010 & 130-00210 (Delco P/N must be used to determine variations)

1шт.

50

22-1046

Plug, Serial Range: -129-0010

1шт.

50

20-1339T1

CUP

Plug, Start Serial: 130-00210

1шт.

ASN 129-0010 & 130-00210 (Delco P/N must be used to determine variations)

1шт.

51

22-1063

WICK

, Serial Range: -129-0010

1шт.

51

20-1331T1

WICK

, Start Serial: 130-00210

1шт.

ASN 129-0010 & 130-00210 (Delco P/N must be used to determine variations)

1шт.

52

22-1134

HEX SOC SCREW

Screw

1шт.

53

22-1133

SCREW,Hex Soc Hd, 5/16"-18 x 1 1/2"

5шт.

54

20-2112T1

RING, SNAP

Snap Ring

2шт.

ASN 129-0010 & 130-00210 (Delco P/N must be used to determine variations)

1шт.

54

22-1060

RING, SNAP

Snap Ring, Serial Range: 130-00210-129-0010

1шт.

55

20-1338T1

O-RING

, Start Serial: 130-00210

1шт.

ASN 129-0010 & 130-00210 (Delco P/N must be used to determine variations)

1шт.

55

22-1044

O-RING

1шт.

56

22-1059

STUD

Shaft, Shift Lever

1шт.

57

22-1042

LEVER

Shift Lever

1шт.

58

22-1043

O-Ring, Serial Range: -129-0010

1шт.

58

20-1337T1

O-RING

, Start Serial: 130-00210

1шт.

ASN 129-0010 & 130-00210 (Delco P/N must be used to determine variations)

1шт.

59

22-1129

JAM NUT

1шт.

60

22-1056

RETAINER

1шт.

61

22-1062

SPRING

1шт.

62

22-1057

RETAINER

1шт.

63

22-1027

BOOT

1шт.

64

22-1140

WASHER

1шт.

65

22-1124

PLUNGER

1шт.

66

2-1282

Solenoid Switch, Serial Range: -129-0010

1шт.

66

20-1350T1

SWITCH

Solenoid Switch, Start Serial: 130-00210

1шт.

ASN 129-0010 & 130-00210 (Delco P/N must be used to determine variations)

1шт.

67

22-1136

CLAMP

Screw & Lock Washer

1шт.

68

22-1041

ELECTRICAL WIRE

Lead, Solenoid to C.E. Terminal, Serial Range: -129-0010

1шт.

68

20-1355T1

Lead, Solenoid to C.E. Terminal, Start Serial: 130-00210

1шт.

ASN 129-0010 & 130-00210 (Delco P/N must be used to determine variations)

1шт.

Выбрано товаров: 144