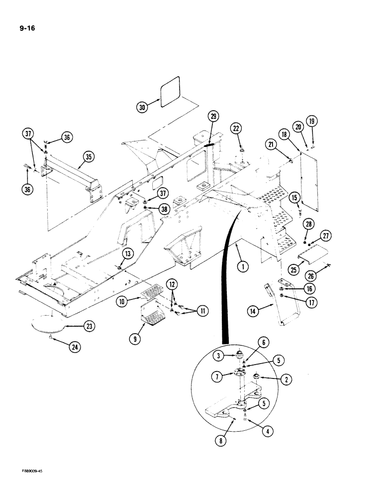
Запчасти Case IH STEIGER (9-016) - FRONT FRAME, P.I.N. 6026 AND AFTER (09) - CHASSIS/ATTACHMENTS

Схема запчастей Case IH STEIGER - (9-016) - FRONT FRAME, P.I.N. 6026 AND AFTER (09) - CHASSIS/ATTACHMENTS
25
18
17
20
12
16
37
8
19
14
2
22
21
30
24
36
5
26
3
7
38
9
37
13
35
1
36
6
28
29
27
23
4
5
10
15
11
FIT
1:1
100%

Артикул

Название

Примечание

Количество

1

70-4595T3

FRAME

- front, Includes Ref: 2

1шт.

2

15-44

SPHERICAL BEARING

BEARING - steering cylinder pivot

2шт.

3

15-45

SPHERICAL BEARING,1.755" ID x 3.5617" OD x 4"

- hinge, lower

1шт.

4

9420892

BOLT,Hex, 3/8" - 16 x 2 3/4", Gr 8

- hex, 3/8 NC x 2-3/4 inch, Grade 8

6шт.

5

19-860

WASHER

- flat, hardened, 3/8 x 13/16 x 1/16 inch

12шт.

6

19-6208

LOCK NUT,3/8"-16, GC

NUT - hex lock, 3/8 inch NC

6шт.

7

70-4596T1

LARGE PLATE

CAP - bearing retainer

1шт.

8

31-93

FITTING

- grease, 1/8 inch NPT

3шт.

9

70-2142T3

STEP

- lower front

1шт.

10

70-2139T2

STEP

- upper front

1шт.

11

19-59

BOLT,Hex, 5/8" - 11 x 1 1/2", Gr 5

- hex, 5/8 NC x 1-1/2 inch

4шт.

12

19-111

WASHER,5/8"

- flat, 5/8 inch

4шт.

13

19-222

LOCK NUT,5/8" - 11, GB

NUT - hex lock, 5/8 inch NC

4шт.

14

70-4819T2

STEP

- rear

1шт.

15

19-43

BOLT,1/2" - 13 x 1", Gr 5

- hex, 1/2 NC x 1 inch

4шт.

16

19-109

WASHER,1/2"

- flat, 1/2 inch

4шт.

17

19-82

LOCK NUT

- hex lock, 1/2 inch NC

4шт.

18

70-4391T1

PLATE

COVER - battery compartment

1шт.

19

19-16

BOLT,Hex, 3/8" - 16 x 3/4", Gr 5

- hex, 3/8 NC x 3/4 inch

6шт.

20

19-107

WASHER

- flat, 3/8 inch

6шт.

21

19-1079

NUT

- J type, 3/8 inch NC

6шт.

22

70-4621T1

BUSHING

- hinge upper

1шт.

23

70-4272T1

COVER

- air cleaner access

1шт.

24

19-17

BOLT,Hex, 3/8" - 16 x 1", Gr 5, Full Thd

- hex, 3/8 NC x 1 inch

3шт.

25

70-4927T1

COVER - tool box

1шт.

26

19-6

BOLT,5/16" - 18 x 3/4", Gr 5

- hex, 5/16 NC x 3/4 inch

3шт.

27

19-700

WASHER,5/16"

- flat, 5/16 inch

3шт.

28

19-508

LOCK NUT

- hex lock, 5/16 inch NC

3шт.

29

31-2787

GROMMET

- edge protector

1шт.

30

50-2535T1

GROMMET

- edge protector

1шт.

35

70-4069T1

CROSSBAR

CROSSMEMBER - frame (See Note)

1шт.

36

19-630

BOLT - hex, 1/2 NC x 3-1/4 inch, Grade 8

12шт.

37

19-6227

WASHER - flat, hardened, 1/2 x 1-1/2 x 1/4 inch

24шт.

38

19-82

LOCK NUT

- hex lock, 1/2 inch NC

12шт.

Выбрано товаров: 34