Запчасти Case IH STEIGER (6-054) - DRIVE SHAFTS (06) - POWER TRAIN

Схема запчастей Case IH STEIGER - (6-054) - DRIVE SHAFTS (06) - POWER TRAIN
11
16
41
34
10
2
38
23
27
25
22
9
37
10
41
33
3
36
24
41
8
14
26
39
17
1
40
7
28
21
4
32
41
15
41
17
5
35
18
FIT
1:1
100%

Артикул

Название

Примечание

Количество

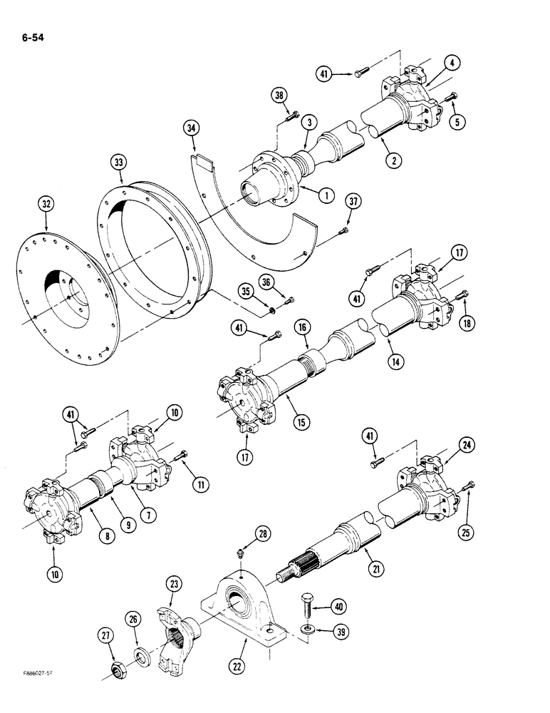
90-6185T91

DRIVE SHAFT

- input, 7C, engine to transmission, Includes Ref: 1-5

1шт.

1

NSS

NOT SOLD SEPARAT

SHAFT - tube

1шт.

2

NSS

NOT SOLD SEPARAT

SHAFT - flanged

1шт.

3

2-3843T1

RING, SET

SEAL ASSEMBLY - shaft retainer

1шт.

4

90-5882T1

BEARING ASSY

SPIDER ASSEMBLY - shaft, Includes Ref: 5

1шт.

5

25279R1

BOLT,Hex, 1/2" - 20 x 2", Gr 8

- hex, 1/2 NF x 2 inch, Grade 8

4шт.

90-6181T91

DRIVE SHAFT

- front, 7C, transmission to front axle, Includes Ref: 7-11

1шт.

7

NSS

NOT SOLD SEPARAT

SHAFT - slip yoke

1шт.

8

NSS

NOT SOLD SEPARAT

SHAFT - tube

1шт.

9

2-3843T1

RING, SET

SEAL ASSEMBLY - shaft retainer

1шт.

10

90-5882T1

BEARING ASSY

SPIDER ASSEMBLY - shaft, Includes Ref: 11

2шт.

11

25279R1

BOLT,Hex, 1/2" - 20 x 2", Gr 8

- hex, 1/2 NF x 2 inch, Grade 8

4шт.

90-6180T91

DRIVE SHAFT

- center, 7C, transmission to rear shaft, Includes Ref: 14-18

1шт.

14

NSS

NOT SOLD SEPARAT

SHAFT - slip yoke

1шт.

15

NSS

NOT SOLD SEPARAT

SHAFT - tube

1шт.

16

2-3843T1

RING, SET

SEAL ASSEMBLY - shaft retainer

1шт.

17

90-5882T1

BEARING ASSY

SPIDER ASSEMBLY - shaft, Includes Ref: 18

2шт.

18

25279R1

BOLT,Hex, 1/2" - 20 x 2", Gr 8

- hex, 1/2 NF x 2 inch, Grade 8

4шт.

90-6182T91

DRIVE SHAFT

- rear, 7C, center shaft to axle, Includes Ref: 21-28

1шт.

21

NSS

NOT SOLD SEPARAT

SHAFT - tube

1шт.

22

90-4657T1

BEARING CARRIER

- pillow block

1шт.

23

90-4658T1

JAW

YOKE - shaft

1шт.

24

90-5882T1

BEARING ASSY

SPIDER ASSEMBLY - shaft, Includes Ref: 25

1шт.

25

25279R1

BOLT,Hex, 1/2" - 20 x 2", Gr 8

- hex, 1/2 NF x 2 inch, Grade 8

4шт.

26

19-701

WASHER,1 1/4"

- flat, 1-1/4 x 3 x 11/64 inch

1шт.

27

14-59T1

NUT

1шт.

28

31-93

FITTING

- grease, 1/8 inch NPT

1шт.

32

90-1272T1

DAMPER

- vibration

1шт.

33

90-6190T1

LARGE PLATE

SLINGER - flywheel

1шт.

34

90-6189T1

COVER

- flywheel housing

2шт.

35

19-5941

WASHER,13/32" x 3/4" x .220", HDN

- flat, hardened

12шт.

36

24840R1

BOLT,Hex, 3/8" - 16 x 1", Gr 8

12шт.

37

454899

BOLT,Hex, 3/8" - 16 x 7/8", Gr 8, Full Thd

- hex, 3/8 NC x 7/8 inch, Grade 8

6шт.

38

19-44

BOLT,Hex, 1/2" - 13 x 1 1/4", Gr 5

- hex, 1/2 NC x 1-1/4 inch

8шт.

39

25711R1

WASHER

- flat, 21/32 x 1-5/16 x 5/32 inch

2шт.

40

19-60

BOLT,Hex, 5/8" - 11 x 2", Gr 5

- hex, 5/8 NC x 2 inch

2шт.

41

25279R1

BOLT,Hex, 1/2" - 20 x 2", Gr 8

- hex, 1/2 NF x 2 inch, Grade 8

24шт.

Выбрано товаров: 37