Запчасти Case IH STEIGER (01-43) - PARK BRAKE CONTROL (10) - CAB

Схема запчастей Case IH STEIGER - (01-43) - PARK BRAKE CONTROL (10) - CAB
20
10
21
8
11
13
3
16
18
12
17
15
4
5
19
1
6
2
9
14
7
FIT
1:1
100%

Артикул

Название

Примечание

Количество

60-2150T92

LEVER

Park Brake Lever Assy, consists of Ref. 1-10

1шт.

Either Park Brake Lever Assembly may be used as they are totally interchangeable as an assembly. The only difference between them is the Lever Sub Assy which is a NSS part.

1шт.

60-5017T91

LEVER ASSY.

Park Brake Lever Assy, consists of Ref. 1-10

1шт.

Either Park Brake Lever Assembly may be used as they are totally interchangeable as an assembly. The only difference between them is the Lever Sub Assy which is a NSS part.

1шт.

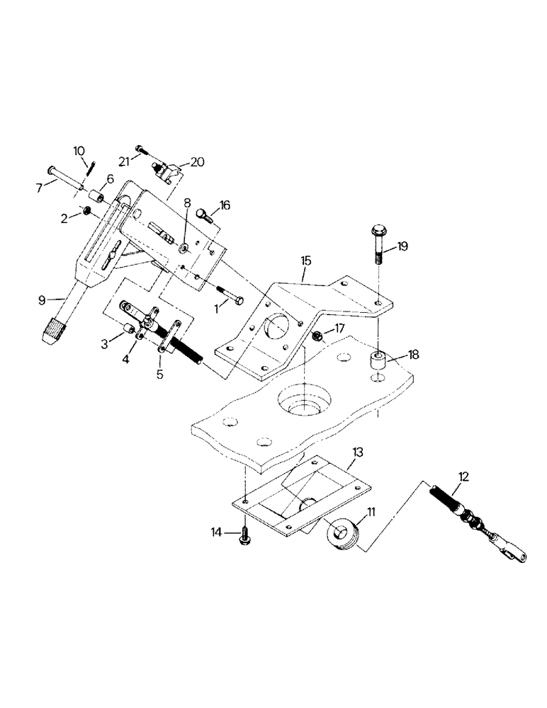
1

19-8

BOLT,5/16" - 18 x 1 1/2", Gr 5

Capscrew, 5/16 UNC x 1-1/2 G-5

2шт.

2

19-77

NUT,5/16"-18, G5

5/16 UNC G-B

2шт.

3

19-6062

SPACER

5/16 x 1/2 x .53 Thk

2шт.

4

1-8464

FIXING BRACKET

Clamp

1шт.

5

1-8451

FIXING BRACKET

Clamp Base

1шт.

6

19-6061

SPACER

5/16 x 1/2 x .725 Thk

1шт.

7

19-5664

CLEVIS PIN,5/16" x 2"

5/16 x 1-7/8

1шт.

8

19-6042

WASHER

5/16 x 5/8 x .05 Thk

1шт.

9

NSS

NOT SOLD SEPARAT

Lever Sub-Assy

1шт.

Either Park Brake Lever Assembly may be used as they are totally interchangeable as an assembly. The only difference between them is the Lever Sub Assy which is a NSS part.

1шт.

NSS

NOT SOLD SEPARAT

Lever Sub-Assy

1шт.

Either Park Brake Lever Assembly may be used as they are totally interchangeable as an assembly. The only difference between them is the Lever Sub Assy which is a NSS part.

1шт.

10

19-238

COTTER PIN,3/32" x 3/4"

Pin, Split (Cotter), 3/32" x 3/4"

1шт.

11

31-2603

GROMMET

1шт.

12

60-5616T2

CABLE

1шт.

13

60-2780T1

BRACKET

1шт.

14

276-1478

SELF-TAP SCREW,Hex Hd, 1/4" x 1/2"

Tapping Screw, 1/4 UNC x 1/2

4шт.

15

60-2775T1

Bracket

1шт.

16

9417950

BOLT,Hex, 5/16" - 18 x 3/4", Gr 5, Full Thd

Capscrew, 5/16 UNC x 3/4 G-5

4шт.

17

19-5777

LOCK NUT

Lock Nut, 5/16 UNC G-A

4шт.

18

60-2287T1

SPACER

4шт.

19

19-5884

CAPSCREW,Lock, 5/16" - 18 x 1 1/2", Gr 5

Locking Flanged Capscrew, 5/16 UNC x 1-1/2 G-5

4шт.

20

20-2316T1

SWITCH

Park Brake Switch

1шт.

21

19-6216

Tapping Screw, #8 UNC x 1

1шт.

Выбрано товаров: 28