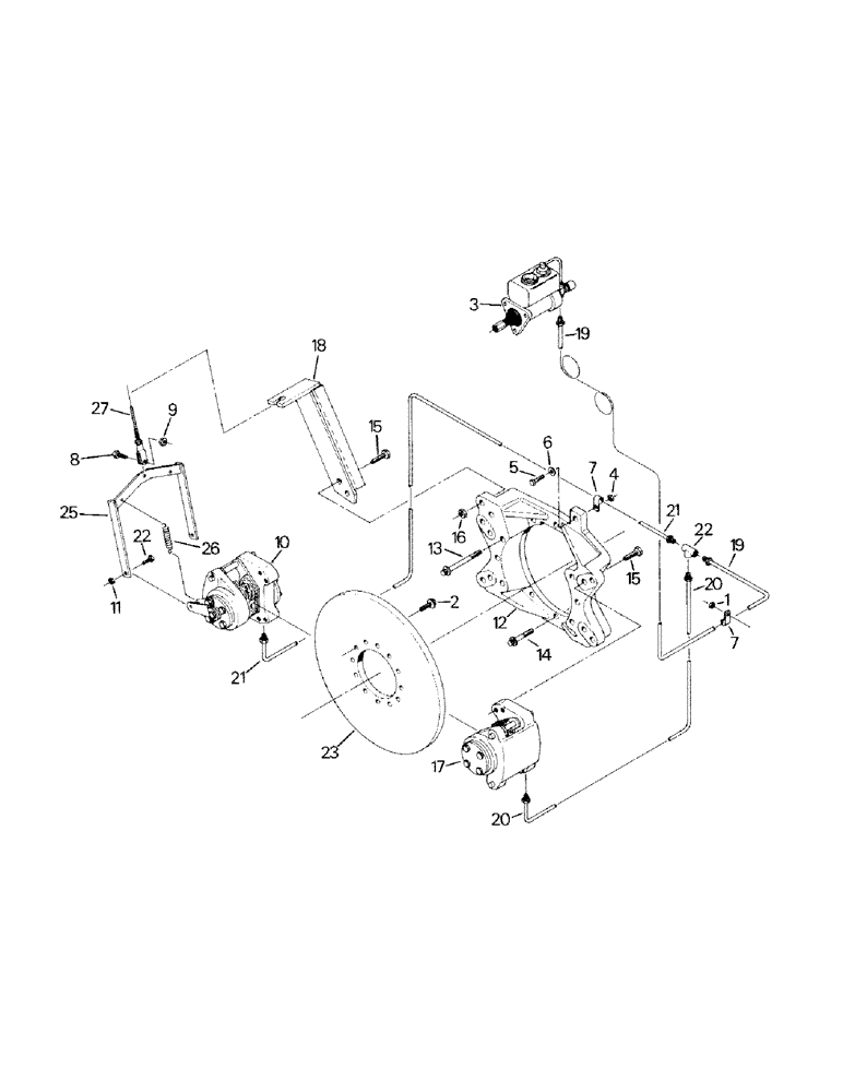
Запчасти Case IH STEIGER (05-01) - BRAKE SYSTEM (5.1) - BRAKES

Схема запчастей Case IH STEIGER - (05-01) - BRAKE SYSTEM (5.1) - BRAKES
22
18
21
6
2
7
1
3
8
19
11
19
20
26
23
27
22
5
20
15
21
14
12
10
25
16
17
9
15
4
7
13
FIT
1:1
100%

Артикул

Название

Примечание

Количество

1

9417954

NUT,5/16"-18, G5

3/8 UNC G-B

1шт.

2

19-6089

BOLT,Hex, 1/2" - 20 x 1 1/2", Gr 8

Flanged Capscrew, 1/2 UNF x 1-1/2 G-8

12шт.

3

Brake Master Cylinder Assy (see Fig. 5-3)

1шт.

4

19-78

SPECIAL NUT,3/8"-16, G5

3/8 UNC G-B

1шт.

5

19-18

BOLT,Hex, 3/8" - 16 x 1 1/4", Gr 5

Capscrew, 3/8 UNC x 1-1/4 G-5

1шт.

6

19-107

WASHER

3/8

1шт.

7

31-1862

CLAMP

2шт.

8

19-799

BOLT,Hex, 3/8" - 16 x 1 1/4", Gr 8

Capscrew, 3/8 UNC x 1-1/4 G-8

1шт.

9

19-341

LOCK NUT,3/8" - 16, GB

3/8 UNC G-A

1шт.

10

Brake Caliper Assy (see Fig. 5-2)

1шт.

11

231-1445

NUT,5/16"-18, GB

5/16 UNC G-A

2шт.

12

90-6672T1

ANCHOR

Brake Mount

1шт.

13

40-1185

SCREW,Flg, M14 x 1.5 x 120mm, Gr 12.9

Capscrew (metric)

6шт.

14

40-1186

SCREW,Flg, M14 x 1.5 x 60mm, Gr 12.9

Capscrew (metric)

6шт.

15

9424760

SCREW,5/8" - 11 x 2", Gr 8

Capscrew, 5/8 UNC x 2 G-8

10шт.

16

19-83

NUT,5/8"-11, G5

5/8 UNC G-B

2шт.

17

Brake Caliper Assy (see Fig. 5-2)

1шт.

18

90-3808T1

BRACKET

Cable Bracket

1шт.

19

90-6673T1

TUBE,.25" OD

1шт.

20

90-3855T1

TUBE,.25" OD

1шт.

21

90-3856T1

TUBE,.25" OD

1шт.

22

31-1865

TEE

Tube

1шт.

23

90-3469T1

DISC

1шт.

24

19-654

BOLT,Hex, 5/16" - 18 x 1", Gr 8

Capscrew, 5/16 UNC x 1 G-8

2шт.

25

90-4030T1

SUPPORT

Bracket

1шт.

26

90-2902T1

SPRING

(incl with Brake Caliper Assy)

1шт.

27

Park Brake Cable (see Fig. 1-43)

1шт.

Выбрано товаров: 0