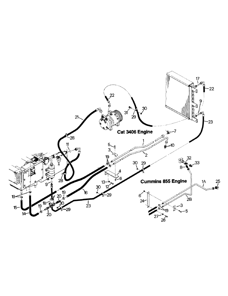
Запчасти Case IH STEIGER (03-10) - CLIMATE CONTROL PLUMBING (03) - Climate Control

Схема запчастей Case IH STEIGER - (03-10) - CLIMATE CONTROL PLUMBING (03) - Climate Control
30
16
4
9
18
1a
6
26
11
9
21
29
5
31
8
30
4
19
6
1
30
2b
32
19
28
20
23
29
20
5
30
29
25
19
13
19
17
23
28
10
27
22
22
20
2
15
3
21
3
7
33
24
19
FIT
1:1
100%

Артикул

Название

Примечание

Количество

1

2-4010T3

HEATER TUBE,0.625" OD

(Cat 3406 Engine)

1шт.

1a

25-389T1

HEATER TUBE,0.625" OD, 46.75" Length

(Cummins 855 Engine)

1шт.

2

2-4011T1

TUBE,0.625" OD

Heater Tube (Cat 3406 Engine)

1шт.

2a

25-388

HEATER TUBE

(Cummins 855 Engine)

1шт.

3

32-1000

CLAMP

1шт.

4

2-4009T1

Bracket

1шт.

5

19-550

BOLT,Hex, M16 x 35mm, Cl 10.9

Capscrew, 1/4 UNC x 1-1/2 G-5

1шт.

6

19-1081

LOCK NUT

Lock Nut, 1/4 UNC G-A

1шт.

7

18-587

ELBOW,90 Degree, 7/8"-14, 37 Degree x 3/4"-14, NPTF

3/4 NPT Male x 7/8-14 JIC 37 Deg. Male

1шт.

8

31-319

HYD CONNECTOR,7/8"-14, 37 Degree x 3/8"-18, NPTF

Fitting, 3/8 NPT Male x 7/8-14 JIC 37 Deg. Male

1шт.

9

31-1807

O-RING

O-Ring

2шт.

10

31-411

HYD CONNECTOR,7/8"-14, 37 Degree x 3/4"-14, NPTF

Fitting, 3/4 NPT Male x 7/8-14 JIC 37 Deg. Male

1шт.

11

31-1809

O-RING

1шт.

12

19-16

BOLT,Hex, 3/8" - 16 x 3/4", Gr 5

Capscrew, 3/8 UNC x 3/4 G-5

1шт.

13

19-117

LOCK WASHER,3/8"

3/8"

1шт.

14

25-332

HEATER HOSE

1шт.

15

31-1293

HOSE,0.63" ID x 55.00"

1шт.

16

31-1067

HOSE,0.63" ID x 36.00"

0.63" ID x 36.00"

1шт.

17

31-1808

O-RING

O-Ring

1шт.

18

Electric Water Valve (see Fig. 3-12)

1шт.

19

25-285

SQUARE NUT,Sq, 5/16"-18

Clamp

6шт.

20

31-522

ROD, CONNECTING

Barbed Fitting, 1/2 NPT Male x 5/8 Hose

2шт.

21

31-1888

HOSE ASSY.

Hose

1шт.

22

31-1891

HOSE ASSY.

Hose (Cat 3406 Engine)

1шт.

31-1892

HOSE,10.41mm ID x 3352.8mm L

(Cummins 855 Engine)

1шт.

23

31-2233

HOSE ASSY.

Hose

1шт.

24

25-395

STRAP

1шт.

25

31-340

ELBOW,90 Degree, 7/8"-14, 37 Degree x 1/2"-14, NPTF

1/2 NPT Male x 7/8-14 JIC 37 Deg. Male

1шт.

26

19-821

BOLT,Hex, 1/2" - 13 x 1 1/4", Gr 8, Full Thd

Capscrew, 1/2 UNC x 1-1/4 G-8

1шт.

27

19-119

LOCK WASHER,1/2"

1/2"

1шт.

28

31-2232

CLIP

Clamp

2шт.

29

22-631

CLIP

Clamp

4шт.

30

19-78

SPECIAL NUT,3/8"-16, G5

3/8 UNC G-B (Qty 3 with Cat 3406 Engine)

4шт.

31

19-17

BOLT,Hex, 3/8" - 16 x 1", Gr 5, Full Thd

Capscrew, 3/8 UNC x 1 G-5 (Cummins 855 Engine only)

1шт.

32

31-1275

SHUT-OFF VALVE

Truck Valve, 1/2 NPT Male x 3/8 NPT Female

1шт.

33

31-13

BUSHING

Reducer, 3/4 NPT Male x 1/2 NPT Female

1шт.

Выбрано товаров: 36