Запчасти Case IH STEIGER (04-18) - TRANSMISSION ASSEMBLY (04) - Drive Train

Схема запчастей Case IH STEIGER - (04-18) - TRANSMISSION ASSEMBLY (04) - Drive Train
20
4
35
31
9
4
15
12
36
2
30
25
8
10
38
28
29
33
18
3
27
21
33
39
7
37
24
23
13
11
32
3
26
1
20
17
16
19
6
5
34
16
22
3
40
FIT
1:1
100%

Артикул

Название

Примечание

Количество

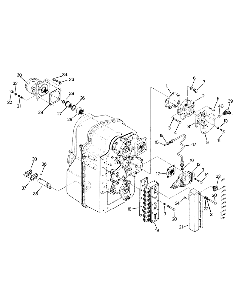
1

S1160S00F

GASKET

1шт.

Part of P/N S1670S00F Trans Gasket Overhaul Kit

1шт.

2

S1170S00F

LARGE PLATE

Ditch Plate

1шт.

3

SM8915140

PLATE, LOCKING

Lock Washer

3шт.

4

SM8124070

BOLT

Capscrew

3шт.

5

S1050S00F

SCREW

Socket Head Capscrew

3шт.

6

S1200S00F

O-RING

1шт.

Part of P/N S1670S00F Trans Gasket Overhaul Kit

1шт.

7

S1210S00F

PLUG

(incl Ref. 6)

1шт.

8

S1150S00F

GASKET

1шт.

Part of P/N S1670S00F Trans Gasket Overhaul Kit

1шт.

9

Regulator Valve Assy (see Fig. 4-29)

1шт.

10

SM8915138

WASHER

Lock Washer

8шт.

11

SM8120865

BOLT

Capscrew

8шт.

12

S1140S00F

GASKET

1шт.

Part of P/N S1670S00F Trans Gasket Overhaul Kit

1шт.

13

Clutch Control Valve (see Fig. 4-28)

1шт.

14

SM8124085

BOLT

Capscrew

4шт.

15

S1020S00F

FILTER

Screen

1шт.

16

31-1099

O-RING,0.078" Thk x 0.468" ID, -906, Cl 6, 90 Duro

2шт.

17

S1650S00F

TUBE

1шт.

18

S1220S00F

GASKET

1шт.

Part of P/N S1670S00F Trans Gasket Overhaul Kit

1шт.

19

Range Selector Valve Assy (see Fig. 4-31)

1шт.

20

SM8124003

BOLT

Capscrew

10шт.

21

S1230S00F

TERMINAL BOX

Junction Box

1шт.

22

SM8915440

WASHER

10шт.

23

S1300S00F

CONTAINER

Receptacle w/Terminals

1шт.

24

S1240S00F

Tapping Screw

4шт.

25

S0510S00F

Pump Coupling

1шт.

26

S0460S00F

Snap Ring

1шт.

27

S0520S00F

Pump Adapter

1шт.

28

S0470S00F

Snap Ring

1шт.

29

S0690S00F

Gasket

1шт.

Part of P/N S1670S00F Trans Gasket Overhaul Kit

1шт.

30

Lube Pump Assy (see Fig. 4-30)

1шт.

31

SM8267430

STUD

2шт.

32

SM8911244

NUT

2шт.

33

SM8915144

PLATE, LOCKING

Lock Washer

2шт.

34

SM8124440

BOLT

Capscrew

2шт.

35

S1520S00F

PIPE

Suction Tube

1шт.

36

S14701960

BALL,3.968mm OD

Steel Ball

1шт.

37

S1620S00F

GASKET

1шт.

Part of P/N S1670S00F Trans Gasket Overhaul Kit

1шт.

38

S1700S00F

LARGE PLATE

Suction Plate

1шт.

39

31-479

ELBOW,90 Degree, 1 5/16"-12, 37 Degree x 1 5/16"-12, O-Ring

1-5/16-12 O-Ring Boss x 1-5/16-12 JIC 37 Deg. Male (incl Ref. 40)

1шт.

40

31-587

O-RING,16-1, 90 Duro, 1.171" ID x .116" Thk

1шт.

S1670S00F

GASKET

TRANS GASKET OVERHAUL KIT, Includes Ref. 1, 6, 8, 12, 18, 29 and 37

1шт.

Выбрано товаров: 0