Запчасти Case IH STEIGER (02-12) - TRANSMISSION ELECTRICAL (06) - ELECTRICAL

Схема запчастей Case IH STEIGER - (02-12) - TRANSMISSION ELECTRICAL (06) - ELECTRICAL
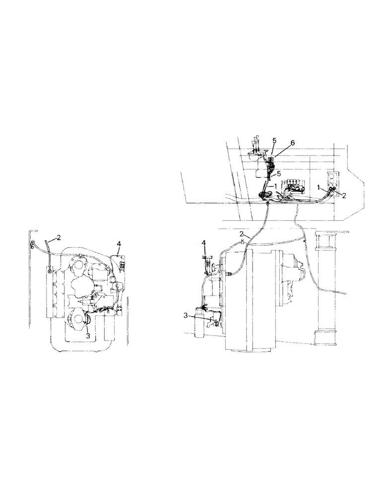
4
4
2
3
1
2
3
1
5
5
6
2
FIT
1:1
100%

Артикул

Название

Примечание

Количество

1

20-1832T6

HARNESS

Transmission Console Harness

1шт.

2

20-2475T1

HARNESS

Transmission Harness (20-1622T3)

1шт.

Old part number must not be used. Part is defective or inadequate. Scrap or return old part.

1шт.

3

20-1912T1

MAGNET

ic Sensor

1шт.

4

47-4181

IGNITION SWITCH

Oil Temp Switch

1шт.

5

22-824

CABLE TIE,3/16" x 7 1/4"

STRAP, CABLE, 3/16" x 7 1/4"

2шт.

6

22-823

MOUNT

Bracket Mount

1шт.

Выбрано товаров: 7