Запчасти Case IH STEIGER (5-10) - STEERING CONTROL VALVE (05) - STEERING

Схема запчастей Case IH STEIGER - (5-10) - STEERING CONTROL VALVE (05) - STEERING
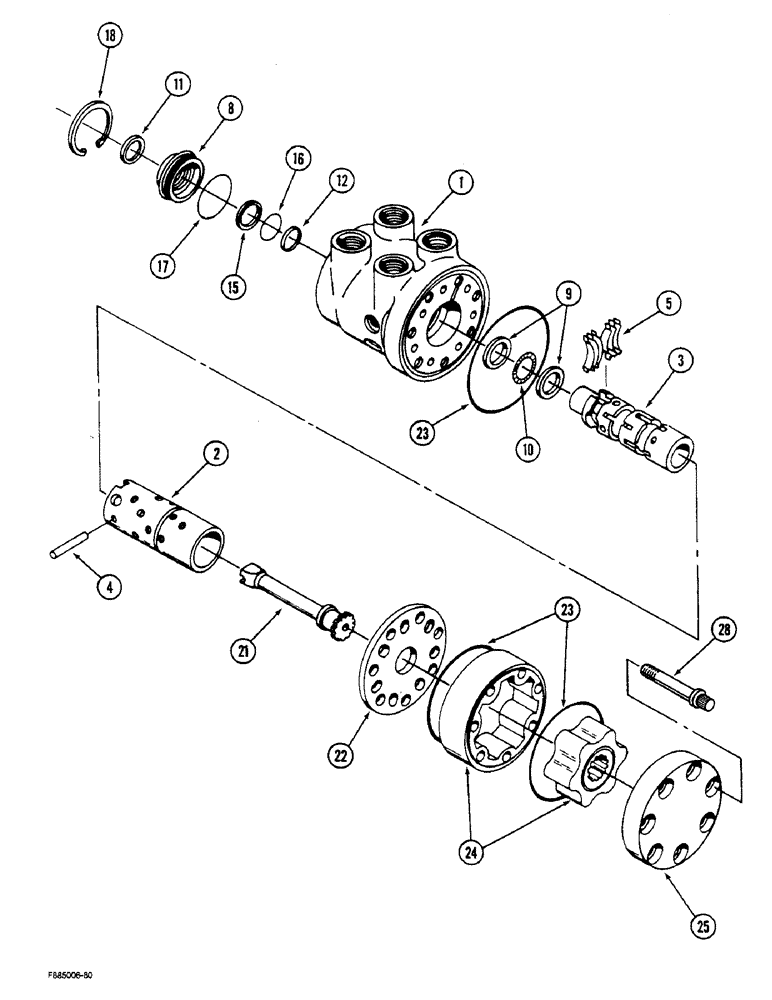
23
22
5
24
2
25
4
1
8
21
18
16
28
9
15
10
23
12
3
11
17
FIT
1:1
100%

Артикул

Название

Примечание

Количество

50-2542T91

PUMP

VALVE ASSEMBLY - control steering, Includes Ref: 1-28

1шт.

1

NSS

NOT SOLD SEPARAT

HOUSING - control valve

1шт.

2

NSS

NOT SOLD SEPARAT

SLEEVE - control

1шт.

3

NSS

NOT SOLD SEPARAT

SPOOL - control

1шт.

4

NSS

NOT SOLD SEPARAT

PIN - dowel

1шт.

5

NSS

NOT SOLD SEPARAT

SPRING - torsion

6шт.

8

50-2701T1

RETAINER

- front

1шт.

9

2-2064

RING RACE

WASHER - thrust, bearing

2шт.

10

18-1693

NEEDLE BEARING

BEARING - thrust, needle

1шт.

11

18-137

OIL SEAL

- input

1шт.

12

50-2702T1

SEAL

- shaft

1шт.

15

50-2703T1

BACK-UP RING

RING - backup

1шт.

16

50-2704T1

O-RING

- seal

1шт.

17

50-2705T1

O-RING

- seal

1шт.

18

2-1354

RING, SNAP

RING - snap, retaining

1шт.

21

50-2706T1

SHAFT

- drive

1шт.

22

50-2707T1

WEAR PLATE

PLATE - wear

1шт.

23

50-2708T1

O-RING

- seal

3шт.

24

50-2990T91

ROTOR ASSY.

GEROTOR ASSEMBLY - set, matched

1шт.

25

50-2710T1

CAP

- end, steering valve

1шт.

28

19-6253

12 PT SCREW,Flg, 1/2" - 20 x 3 1/2", Gr 8

BOLT - 12 point flanged, 1/2 NF x 3 inch, Grade 8

7шт.

Выбрано товаров: 21