Запчасти Case IH STEIGER (6-04) - TRANSMISSION (06) - POWER TRAIN

Схема запчастей Case IH STEIGER - (6-04) - TRANSMISSION (06) - POWER TRAIN
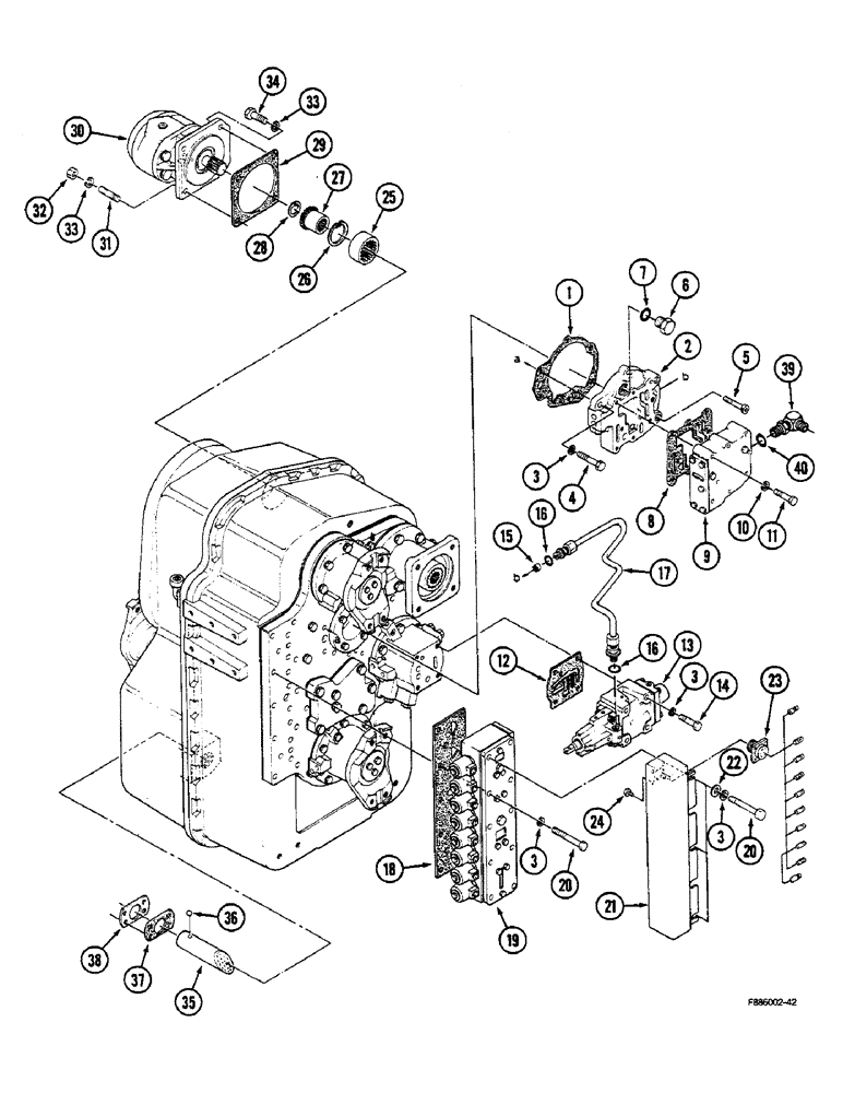
22
5
14
8
20
40
2
27
15
13
26
3
11
16
25
35
12
18
1
16
39
31
30
10
21
19
29
36
38
37
9
3
28
33
4
3
33
17
34
32
20
23
24
7
6
3
FIT
1:1
100%

Артикул

Название

Примечание

Количество

90-6563T91

TRANSMISSION

ASSEMBLY, Includes Ref: 1-40

1шт.

313686A1R

REMAN-TRANSMISSION

See Note: Extra Parts Needed When Replacing PN 90-6563T91 With This Reman

1шт.

313686A1C

CORE-TRANSMISSION

Return Number

1шт.

1

S1160S00F

GASKET

- ditch plate

1шт.

This part is included in GASKET KIT, transmission S1670S00F.

1шт.

2

S1170S00F

LARGE PLATE

PLATE - ditch

1шт.

3

SM8915140

PLATE, LOCKING

WASHER - lock, M10

17шт.

4

SM8124070

BOLT

BOLT - hex, M10 x 1.25 x 70 mm

3шт.

5

S1050S00F

SCREW

BOLT - socket head

3шт.

6

S1210S00F

PLUG

- O-ring boss, Includes Ref: 7

1шт.

7

S1200S00F

O-RING

- plug

1шт.

This part is included in GASKET KIT, transmission S1670S00F.

1шт.

8

S1150S00F

GASKET

- regulator valve

1шт.

This part is included in GASKET KIT, transmission S1670S00F.

1шт.

9

REF

INSTRUCTION

VALVE ASSEMBLY - regulator (See Figure: 6-26)

1шт.

10

SM8915138

WASHER

- lock, M8

8шт.

11

SM8120865

BOLT

BOLT - hex, M8 x 1.25 x 65 mm

8шт.

12

S1140S00F

GASKET

- clutch control

1шт.

This part is included in GASKET KIT, transmission S1670S00F.

1шт.

13

REF

INSTRUCTION

CONTROL ASSEMBLY - clutch (See Figure:6-24)

1шт.

14

SM8124085

BOLT

BOLT - hex, M10 x 1.25 x 85 mm

4шт.

15

S1020S00F

FILTER

SCREEN - filter

1шт.

16

31-1099

O-RING,0.078" Thk x 0.468" ID, -906, Cl 6, 90 Duro

hydraulic tube 6-1, 90 Duro, .468" ID x .078" Thk

2шт.

17

S1650S00F

TUBE

- clutch

1шт.

18

S1220S00F

GASKET

- range selector valve

1шт.

This part is included in GASKET KIT, transmission S1670S00F.

1шт.

19

REF

INSTRUCTION

VALVE ASSEMBLY - range selector (See Figure: 6-30)

1шт.

20

SM8124003

BOLT

BOLT - hex, M10 x 1.25 x 115 mm

10шт.

21

S1230S00F

TERMINAL BOX

COVER - junction box

1шт.

22

SM8915440

WASHER

- flat, M10

10шт.

23

S1300S00F

CONTAINER

HARNESS - solenoid

1шт.

24

S1240S00F

SCREW - tapping

4шт.

25

33-1452T1

COUPLING

- pump

1шт.

26

33-1445T1

RING, SNAP

RING - snap

1шт.

27

33-1453T1

ADAPTER

- pump drive

1шт.

28

33-1447T1

RING, SNAP

RING - snap

1шт.

29

50-1388T1

GASKET

- pump

1шт.

This part is included in GASKET KIT, transmission S1670S00F.

1шт.

30

REF

INSTRUCTION

PUMP ASSEMBLY - lube (See Figure: 6-28)

1шт.

31

SM8267430

STUD

- M14 x 1.5 x 30 mm

2шт.

32

SM8911244

NUT

- M14 x 1.5

2шт.

33

SM8915144

PLATE, LOCKING

WASHER - lock, M14

2шт.

34

SM8124440

BOLT

BOLT - hex, M14 x 1.5 x 40 mm

2шт.

35

S1520S00F

PIPE

TUBE - suction

1шт.

36

S14701960

BALL,3.968mm OD

- steel, tube retaining

1шт.

37

S1620S00F

GASKET

- suction tube

1шт.

This part is included in GASKET KIT, transmission S1670S00F.

1шт.

38

S1700S00F

LARGE PLATE

PLATE - suction tube retainer

1шт.

39

31-479

ELBOW,90 Degree, 1 5/16"-12, 37 Degree x 1 5/16"-12, O-Ring

- 1-5/16-12 O-ring boss x 1-5/16-12 JIC 37 degree male, Includes Ref: 40

1шт.

40

31-587

O-RING,16-1, 90 Duro, 1.171" ID x .116" Thk

- 1-11/64 ID x 1/8 inch

1шт.

Выбрано товаров: 0