Запчасти Case IH STEIGER (6-12) - TRANSMISSION (06) - POWER TRAIN

Схема запчастей Case IH STEIGER - (6-12) - TRANSMISSION (06) - POWER TRAIN
25
18
7
24
14
23
10
13
28
22
27
12
20
26
17
8
30
24
23
21
26
9
21
2
31
15
6
1
4
22
16
19
3
29
5
11
FIT
1:1
100%

Артикул

Название

Примечание

Количество

90-6563T91

TRANSMISSION

ASSEMBLY (Continued from previous page), Includes Ref: 1-31

1шт.

313686A1R

REMAN-TRANSMISSION

See Note: Extra Parts Needed When Replacing PN 90-6563T91 With This Reman

1шт.

313686A1C

CORE-TRANSMISSION

Return Number

1шт.

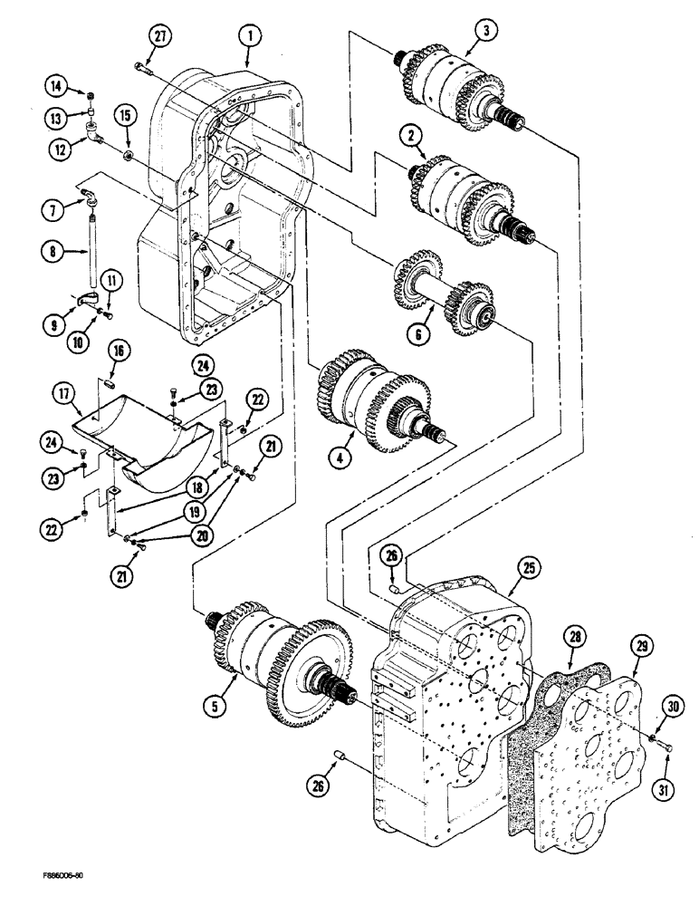
1

33-1476T1

HOUSING

- transmission, rear

1шт.

2

REF

INSTRUCTION

CLUTCH PACK ASSEMBLY - 7 inch, input (See Figure: 6-16)

1шт.

3

REF

INSTRUCTION

CLUTCH PACK ASSEMBLY - 7 inch, 2nd (See Figure: 6-18)

1шт.

4

REF

INSTRUCTION

CLUTCH PACK ASSEMBLY - 9 inch (See Figure: 6-22)

1шт.

5

REF

INSTRUCTION

CLUTCH PACK ASSEMBLY - 8 inch (See Figure: 6-20)

1шт.

6

REF

INSTRUCTION

SHAFT - compound (See Figure: 6-14)

1шт.

7

33-1472T1

ELBOW

- breather tube

1шт.

8

33-1471T1

TUBE

- breather

1шт.

9

33-1473T1

MOUNTING CLIP

CLAMP - breather tube

1шт.

10

SM8915142

WASHER

- lock, M12

1шт.

11

SM8124225

BOLT

BOLT - hex, M12 x 1.25 x 25 mm

1шт.

12

33-1455T1

VENTILATION PIPE

ELBOW - breather filter

1шт.

13

33-1454T1

BREATHER

FILTER - breather

1шт.

14

SAS99900F

PLUG

- filter element retension

1шт.

15

SM8911246

NUT

- M16 x 1.5

1шт.

16

33-1423T1

PIN, ROLL

PIN - roll

1шт.

17

33-1425T1

PAN, ENGINE OIL

BAFFLE - oil

1шт.

18

33-1424T1

STRAP

- oil baffle

2шт.

19

SM8915442

WASHER

- flat, M12

2шт.

20

SM8915142

WASHER

- lock, M12

2шт.

21

SM8124225

BOLT

BOLT - hex, M12 x 1.25 x 25 mm

2шт.

22

825-11410

NUT,M10 x 1.25, Cl 8

2шт.

23

SM8915440

WASHER

- flat, M10

2шт.

24

SM8124020

BOLT

BOLT - hex, M10 x 1.25 x 20 mm

2шт.

25

S1400S00F

HOUSING

- transmission, front

1шт.

26

33-1467T1

DOWEL

PIN - dowel

2шт.

27

SM8121240

BOLT

BOLT - hex, M12 x 1.75 x 40 mm

30шт.

28

S1590S00F

GASKET

- oil supply plate

1шт.

This part is included in GASKET KIT, transmission S1670S00F.

1шт.

29

S1580S00F

LARGE PLATE

PLATE - oil supply

1шт.

30

SM8915140

PLATE, LOCKING

WASHER - lock, M10

7шт.

31

SM8124045

BOLT

BOLT - hex, M10 x 1.25 x 45 mm

7шт.

32

19-6193

SEALANT

SEALANT - flange, front and rear housings (50 ml tube)

1шт.

Выбрано товаров: 36