Запчасти Case IH STEIGER (6-72) - PTO TRANSFER CASE ASSEMBLY (06) - POWER TRAIN

Схема запчастей Case IH STEIGER - (6-72) - PTO TRANSFER CASE ASSEMBLY (06) - POWER TRAIN
39
80
40
72
41
71
69
37
79
73
71
44
50
48
58
75
38
60
57
70
49
53
74
59
47
54
FIT
1:1
100%

Артикул

Название

Примечание

Количество

90-6766T91

CASE ASSY.

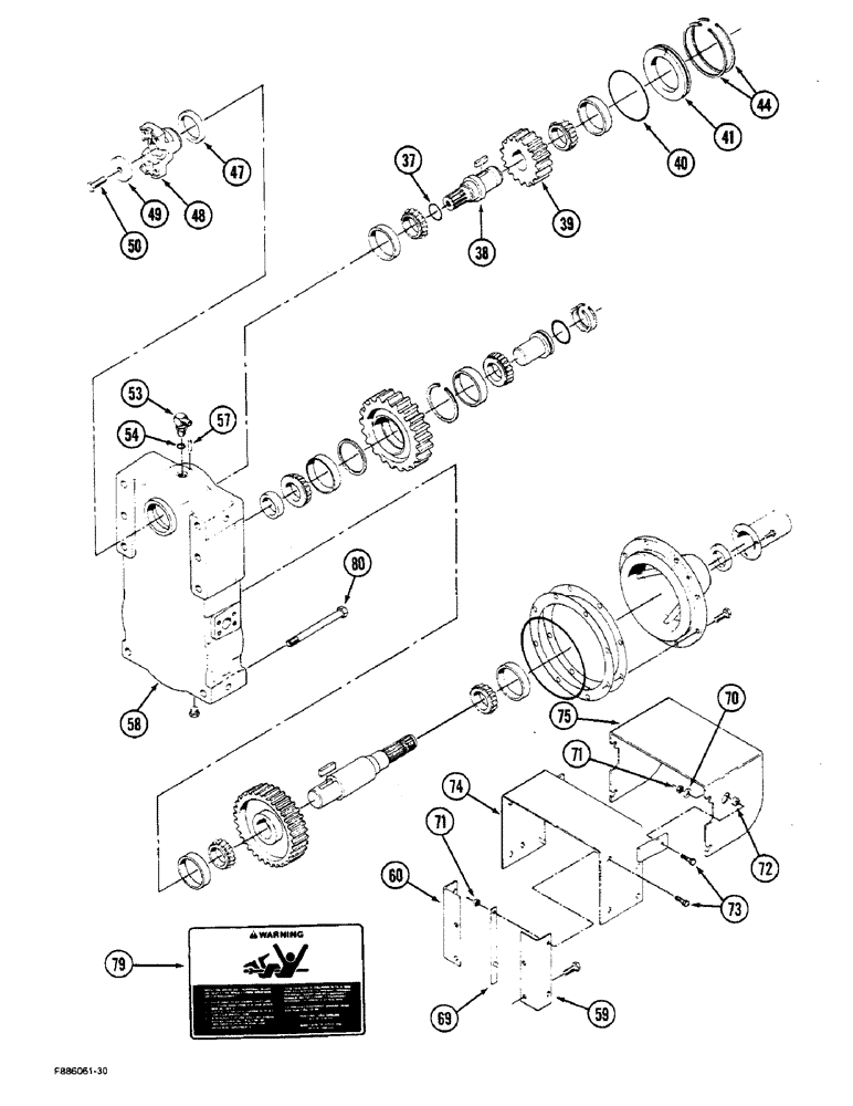
CASE ASSEMBLY - transfer, PTO (Continued from previous page), Includes Ref: 37-60

1шт.

37

31-1744

O-RING

O-RING - sealing, yoke, 1-3/4 x 1-63/64 inch

1шт.

38

90-1991T1

SHAFT

- input

1шт.

39

90-4404T1

PINION

GEAR - input, 32 tooth

1шт.

40

90-4423T1

O-RING,5.609" ID x 5.887" OD x 0.139"

- end cap, 5-5/8 x 5-7/8 inch

1шт.

41

90-4422T1

CAP

- end, input shaft

1шт.

44

90-5755T1

RING, SNAP

RING - snap, 0.105 inch thick

1шт.

44

90-5754T1

RING, SNAP

RING - snap, 0.110 inch thick

1шт.

44

90-5753T1

RING, SNAP

RING - snap, 0.115 inch thick

1шт.

44

90-5752T1

RING, SNAP

RING - snap, 0.120 inch thick

1шт.

44

90-5751T1

RING, SNAP

RING - snap, 0.125 inch thick

1шт.

47

90-1994T1

SEAL

- input shaft yoke

1шт.

48

90-1927T1

YOKE

- input, PTO

1шт.

49

19-5776

WASHER

- flat

1шт.

50

19-822

BOLT,Hex, 5/8" - 11 x 1 1/2", Gr 8, Full Thd

- hex, 5/8 NC x 1-1/2 inch, Grade 8

1шт.

53

31-324

ELBOW,90 Degree, 3/4"-16, 37 Degree x 3/4"-16, O-Ring

- 90 degree adjustable, 3/4 x 3/4 inch, Includes Ref: 54

1шт.

54

31-1335

O-RING,8-1, 90 Duro, .644" ID x .087" Thk

- 41/64 x 5/64 inch thick

1шт.

57

19-6194

DOWEL,1/4" x 1 1/4"

PIN - dowel, 1/4 x 1-1/4 inch

1шт.

58

90-4417T2

HOUSING

- PTO

1шт.

59

90-6831T1

ANGLE BAR

MOUNT - shield, left

1шт.

60

90-6835T1

ANGLE BAR

MOUNT - shield, right

1шт.

69

90-5866T1

RETAINER

- bracket

2шт.

70

25709R1

WASHER

- flat, 3/8 x 1 x 1/16 inch

4шт.

71

19-341

LOCK NUT,3/8" - 16, GB

NUT - lock, 3/8 inch NC

6шт.

72

19-6013

SPACER

- pivot

2шт.

73

413-620

BOLT,Hex, 3/8" - 16 x 1-1/4", Gr 5

- hex, 3/8 NC x 1-1/4 inch

6шт.

74

90-6761T1

SUPPORT

BRACKET - shield mount

1шт.

75

90-3484T1

SHIELD

- PTO

1шт.

79

2-7125T1

DECAL

- PTO safety

1шт.

80

19-64

BOLT,Hex, 3/4" - 10 x 7", Gr 5

- hex, 3/4 NC x 7 inch

6шт.

Выбрано товаров: 30