Запчасти Case IH STEIGER (9-004) - HITCH UPPER AND LOWER LINK MOUNT (09) - CHASSIS/ATTACHMENTS

Схема запчастей Case IH STEIGER - (9-004) - HITCH UPPER AND LOWER LINK MOUNT (09) - CHASSIS/ATTACHMENTS
19
28
33
26
27
25
14
38
9
36
32
17
8
18
1
37
14
15
8
23
13
35
12
23
13
15
24
14
15
33
5
4
19
FIT
1:1
100%

Артикул

Название

Примечание

Количество

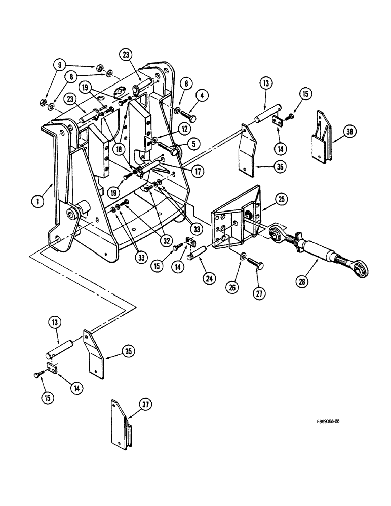
1

70-4985T1

FRAME

MOUNT - three point hitch, rear frame

1шт.

4

223489

BOLT,Hex, 1" - 8 x 3 1/2", Gr 8

- hex, 1 NC x 3-1/2 inch, Grade 8

6шт.

5

223495

BOLT,1" - 8 x 5", Gr 8

- hex, 1 NC x 5 inch, Grade 8

8шт.

8

19-5685

WASHER

- flat, 1 x 2-1/2 x 3/8 inch

22шт.

9

274991

LEVER

- hex, 1 inch NC

14шт.

12

19-5739

WASHER

- flat, 1 x 2 x 5/32 inch

6шт.

13

70-1574T1

PIN

- draft arm

2шт.

14

70-3082T2

LARGE PLATE

BLOCK - pin retaining

3шт.

15

19-1108

BOLT,Hex, 1/2" - 13 x 1", Gr 8

- hex, 1/2 NC x 1 inch, Grade 8

6шт.

17

70-2384T1

PIN

- cylinder, lower

2шт.

18

2-4836T1

SPACER

- mounting, pin

4шт.

19

19-5877

BOLT,Hex, 3/8" - 16 x 1", Gr 5

- flanged, 3/8 NC x 1 inch, Grade 8

4шт.

23

70-2433T1

PIN

- rockershaft

2шт.

24

2-3646T1

PIN

- upper link

1шт.

25

70-5022T1

SUPPORT

MOUNT - upper link

1шт.

26

19-853

WASHER,15/16" x 1 3/4" x .134", HDN

- flat, hardened, 7/8 x 1-3/4 x 5/32 inch

6шт.

27

223470

BOLT,Hex, 7/8" - 9 x 2 1/2", Gr 8

- hex, 7/8 NC x 2-1/2 inch, Grade 8

6шт.

28

REF

INSTRUCTION

LINK ASSEMBLY - upper (See Page 9-7)

1шт.

32

19-543

BOLT,Hex, 1/2" - 13 x 1 1/2", Gr 8

- hex, 1/2 NC x 1-1/2 inch, Grade 8

4шт.

33

19-109

WASHER,1/2"

- flat, hardened, 1/2 x 1-3/4 x 7/64 inch

8шт.

35

2-3653T1

PLATE

BLOCK - sway, left hand

1шт.

36

2-3654T1

PLATE

BLOCK - sway, right hand

1шт.

37

2-3655T1

PLATE

BLOCK - non sway, left hand

1шт.

38

2-3659T1

SUPPORT

BLOCK - non sway, right hand

1шт.

Выбрано товаров: 24