Запчасти Case IH STEIGER (9-022) - CENTER HINGE (09) - CHASSIS/ATTACHMENTS

Схема запчастей Case IH STEIGER - (9-022) - CENTER HINGE (09) - CHASSIS/ATTACHMENTS
5
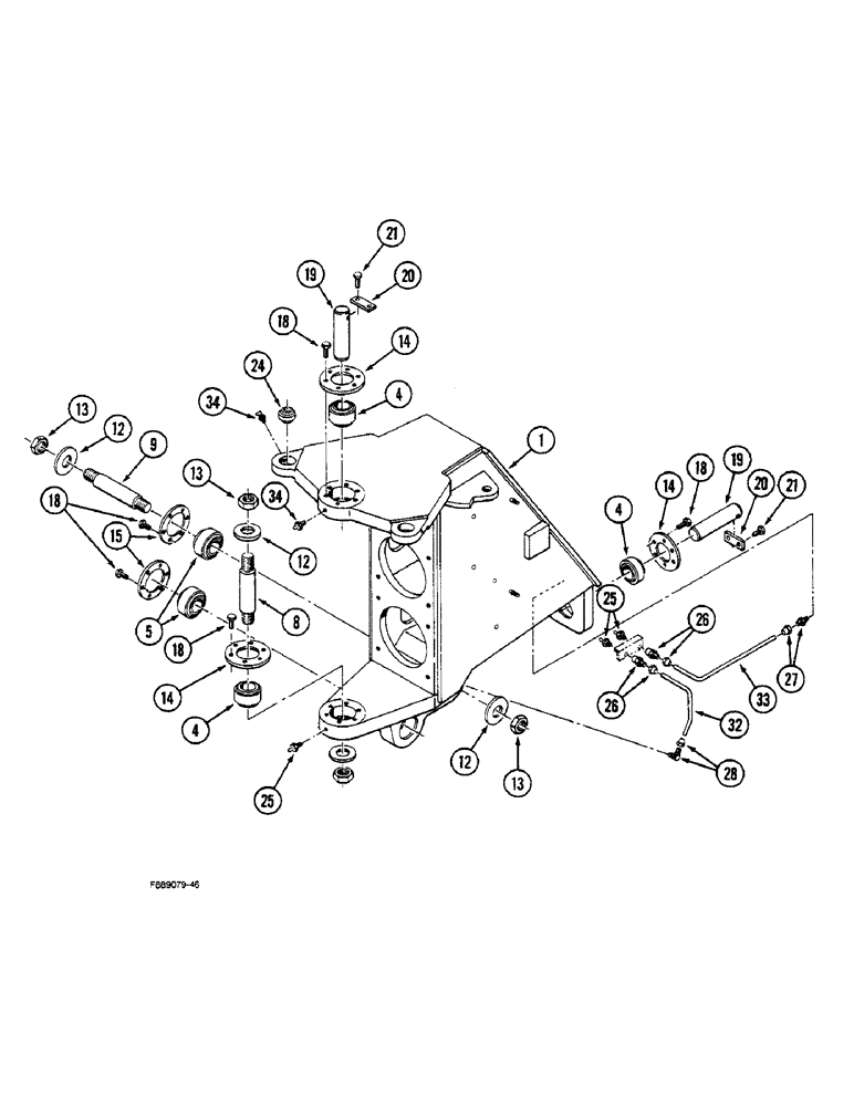
1
12
28
24
13
13
4
27
25
34
19
8
33
4
14
18
26
32
18
25
12
12
15
20
14
4
20
21
21
14
19
18
18
9
34
13
26
FIT
1:1
100%

Артикул

Название

Примечание

Количество

1

70-4930T1

CONTROL

HINGE - center, articulation and oscillation, Serial Range: -JCB0002092

1шт.

1

70-5377T1

YOKE

HINGE - center, articulation and oscillation, Start Serial: JCB0002092

1шт.

The plate containing 2 holes and located on the bottom of the Yoke P/N 70-1419T2.

1шт.

4

619773C91

BEARING

- uniball

3шт.

Ref #14 and #4 - If there is a gap between items number 14 and 4 a washer 19-5709 can be installed.

1шт.

5

70-1212T1

SPHERICAL BEARING,57.13mm ID x 100.01mm OD x 58.88mm W

BEARING - uniball

2шт.

8

70-1207T1

PIN,57.07mm OD x 277.88mm L

- connecting, threaded, 10-15/16 inch

1шт.

9

70-1206T1

PIN,57.07mm OD x 296.67mm L

- connecting, threaded, 11-11/16 inch

1шт.

12

19-5636

WASHER,39.62mm ID x 88.9mm OD x 9.53mm Thk

- flat, hardened, 1-1/2 x,3-1/2 x 3/8 inch

4шт.

13

19-5641

LOCK NUT,1 1/2"-6, GB

NUT - hex, lock, 1-1/2 inch NC

4шт.

14

70-1428T1

RETAINER

- bearing

3шт.

Ref #14 and #4 - If there is a gap between items number 14 and 4 a washer 19-5709 can be installed.

1шт.

15

70-1429T2

RETAINER

RETAINING - bearing

2шт.

18

19-633

BOLT,Hex, 1/2" - 13 x 3/4", Gr 5

- hex, 1/2 NC x 3/4 inch

30шт.

19

70-1909T1

PIN,57.07mm OD x 207.26mm L

- connecting, 8-5/32 inch

2шт.

20

70-1910T1

RETAINER

- pin

2шт.

21

24861R1

BOLT,Hex, 1/2" - 13 x 1 1/4", Gr 8

4шт.

24

15-44

SPHERICAL BEARING

BUSHING - self aligning, steering cylinder

2шт.

25

80710

LUBE NIPPLE,1/8” – 27 Dryseal PTF

NIPPLE, LUBE, 1/8"-27 x .66 lg

3шт.

26

31-598

CONNECTING ROD

CONNECTOR - straight, 1/8 NPT x 1/4 inch tube (Prior to P.I.N. JCB0002092)

2шт.

26

31-2785

FITTING

CONNECTOR - straight, 1/8 NPT x 1/4 inch tube (P.I.N. JCB0002092 and after)

2шт.

27

31-598

CONNECTING ROD

CONNECTOR - straight, 1/8 NPT x 1/4 inch tube

1шт.

28

31-599

ELBOW

CONNECTOR - 90 degree, 1/8 NPT x 1/4 inch tube

1шт.

32

70-2266T1

PIPE

TUBE - grease

1шт.

33

70-2267T1

PIPE

TUBE - grease

1шт.

34

31-93

FITTING

- grease, 90 degree, 1/8 inch NPT

4шт.

Выбрано товаров: 26