Запчасти Case IH STEIGER (2-28) - ETHER STARTING SYSTEM (02) - ENGINE

Схема запчастей Case IH STEIGER - (2-28) - ETHER STARTING SYSTEM (02) - ENGINE
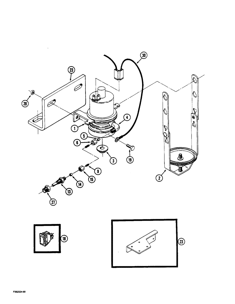
27
23
23
6
3
15
2
4
18
9
5
14
30
13
1
19
20
FIT
1:1
100%

Артикул

Название

Примечание

Количество

35-1725T91

ASSEMBLY

KIT - ether start, 855 engine (Order Components), Includes Ref: 1-27

1шт.

35-1726T91

ASSEMBLY

KIT - ether start, 3406 engine (Order Components), Includes Ref: 1-27

1шт.

1

A143381

SOLENOID

ASSEMBLY - ether injection, Includes Ref: 2-6

1шт.

2

D77648

BAIL

HANGER - ether can

1шт.

3

395686R1

GASKET

- can

1шт.

4

222-615

ELBOW,90 Degree, 5/16"-24 x 1/8" NPT, Comp

1/8 tube, Incl. Ref 5, 6 90º, 5/16"-24 x 1/8" NPT, Comp

1шт.

5

222-650

SLEEVE,1/8" Tube, Comp

1шт.

6

222-660

FLANGE NUT,5/16"-24, 45 Degree Fl, Comp

1/8" tube 5/16"-24, 45º Fl, Comp

1шт.

9

31-1347

TUBE,0.125" OD, 24" Length

- ether, 1/8 OD x 24 inch, 855 engine

1шт.

9

1-6104

TUBE,16" Length

- ether, 1/8 OD x 16 inch, 3406 engine

1шт.

13

90-7034T1

PACKAGE

INJECTOR ASSEMBLY - nozzle, Includes Ref: 14, 15

1шт.

14

222-650

SLEEVE,1/8" Tube, Comp

1шт.

15

222-660

FLANGE NUT,5/16"-24, 45 Degree Fl, Comp

1/8" tube 5/16"-24, 45º Fl, Comp

1шт.

18

1964751C1

SWITCH

- rocker (In cab)

1шт.

19

19-6

BOLT,5/16" - 18 x 3/4", Gr 5

- hex, 5/16 NC x 3/4 inch

2шт.

20

19-77

NUT,5/16"-18, G5

- hex, 5/16 inch NC

2шт.

23

90-1675T1

BRACKET

- mounting, ether solenoid, 855 engine

1шт.

23

90-3857T1

BRACKET

- mounting, ether solenoid, 3406 engine

1шт.

27

31-607

REDUCER

CONNECTOR - straight, 1/8 NPT x 1/4 inch NPT, 3406 engine only

1шт.

30

REF

INSTRUCTION

HARNESS - engine (See Figures: 4-14, 4-16)

1шт.

Выбрано товаров: 20