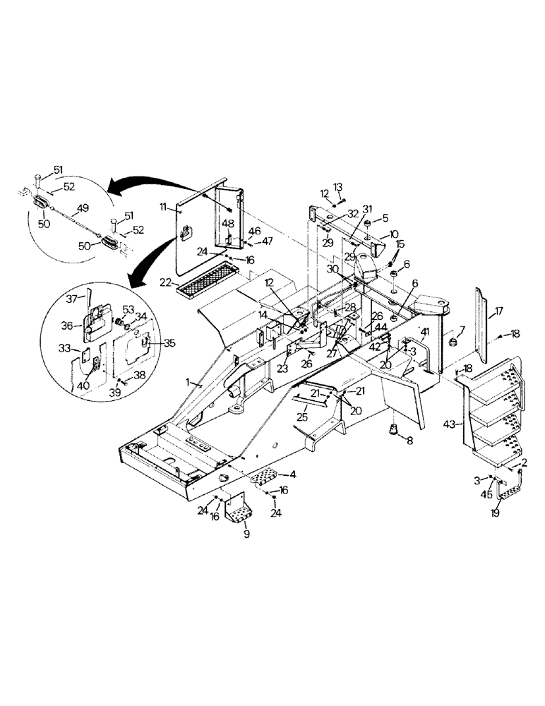
Запчасти Case IH STEIGER (06-01) - FRONT FRAME (12) - FRAME

Схема запчастей Case IH STEIGER - (06-01) - FRONT FRAME (12) - FRAME
44
3
37
36
20
52
30
50
45
6
35
27
18
16
24
32
1
4
53
18
39
15
16
24
12
29
11
42
48
31
26
8
20
28
22
17
16
7
24
26
10
33
3
40
51
9
49
5
51
34
46
50
2
23
29
41
12
47
38
43
14
21
52
25
21
19
6
13
FIT
1:1
100%

Артикул

Название

Примечание

Количество

1

Front Frame (special order item)

1шт.

2

19-284

BOLT,Hex, 3/8" - 16 x 7/8", Gr 5

Capscrew 3/8 UNC x 7/8 G-5

2шт.

3

232-4136

LOCK NUT,3/8"-16, GC

3/8 UNC G-B

6шт.

4

70-2139T2

STEP

1шт.

5

15-44

SPHERICAL BEARING

Self-Aligning Bushing

2шт.

6

70-1242T1

RING RACE

Bushing

2шт.

7

70-1209T1

BUSHING

1шт.

8

70-1210T1

BUSHING,57.23mm ID x 76.2mm OD x 77.72mm L

1шт.

9

70-2142T3

STEP

1шт.

10

70-4295T1

SUPPORT

Steering Plate

1шт.

11

70-3011T1

COVER

Hydraulic Valve Cover

1шт.

12

19-6120

WASHER

Hardened Washer, 15/16 x 1-3/4 x 1/8 Thk

8шт.

13

223470

BOLT,Hex, 7/8" - 9 x 2 1/2", Gr 8

Capscrew, 7/8 UNC x 2-1/2 G-8

4шт.

14

9422309

LOCK NUT,7/8"-9, GC

7/8 UNC G-C

4шт.

15

80710

LUBE NIPPLE,1/8” – 27 Dryseal PTF

NIPPLE, LUBE, 1/8"-27 x .66 lg

2шт.

16

19-109

WASHER,1/2"

1/2

7шт.

17

50-1311T1

COVER

1шт.

18

9417350

BOLT,Hex Washer, 5/16" - 18 x 3/4"

Machine Screw, 5/16 UNC x 3/4

6шт.

19

70-2618T1

STEP

1шт.

20

19-107

WASHER

3/8

12шт.

21

19-78

SPECIAL NUT,3/8"-16, G5

3/8 UNC G-B

8шт.

22

70-2032T1

TRAY

1шт.

23

60-4665T1

ANCHOR

Mount

1шт.

24

19-81

NUT,1/2"-13, G5

1/2 UNC G-B

7шт.

25

70-2074T2

COVER

(Right)

1шт.

70-2073T2

COVER

(Left)

1шт.

26

19-45

BOLT,1/2" - 13 x 1 1/2", Gr 5

Capscrew 1/2 UNC x 1-1/2 G-5

7шт.

27

159858

GUARD

Machine Screw, #10 UNC x 5/16

2шт.

28

31-1870

CLAMP

Clip

2шт.

29

31-599

ELBOW

Compression Elbow, 1/8 NPT x 1/4 Tube

2шт.

30

31-598

CONNECTING ROD

Compression Fitting, 1/8 NPT x 1/4 Tube

2шт.

31

70-3085T1

PIPE

Tube

1шт.

32

70-3084T1

PIPE

Tube

1шт.

33

70-2674T1

PLATE

Striker

1шт.

34

1-4074

RUBBER WASHER

Rubber Washer

1шт.

35

1-4788

CLIP

Mounting Clip

1шт.

36

60-2262T91

LATCH

(incl 60-2533T1 Spring Bracket & 60-2532T1 Gasket)

1шт.

37

60-2266T1

KEY

Mounting Key

2шт.

38

19-1

BOLT,Hex, 1/4" - 20 x 3/4", Gr 5

Capscrew, 1/4 UNC x 3/4 G-5

2шт.

39

19-223

WASHER,1/4"

1/4

2шт.

40

70-2530T1

SHIM

1шт.

41

70-3037T1

HANDLE

Grab Handle

1шт.

42

19-5877

BOLT,Hex, 3/8" - 16 x 1", Gr 5

Flanged Capscrew, 3/8 UNC x 1 G-5

4шт.

43

Hydraulic Reservoir (see Fig. 8-10)

1шт.

44

70-4268T1

Rectangular Washer

3шт.

45

70-3015T1

Clipped Washer

2шт.

46

19-1059

WASHER

Hardened Washer (Special)

4шт.

47

19-679

BOLT,Hex, 3/8" - 16 x 1", Gr 8

Capscrew, 3/8 UNC x 1 G-8

4шт.

48

70-3009T1

HINGE

Mount

2шт.

49

1-4656

CABLE

Lanyard Cable

1шт.

50

1-4657

CLEVIS

1шт.

51

19-143

CLEVIS PIN,5/16" x 0.94"

5/16 x 1

2шт.

52

19-5380

PIN

Hair Pin, .08 x 1-3/16

2шт.

53

NSS

NOT SOLD SEPARAT

Lockset

1шт.

Выбрано товаров: 54