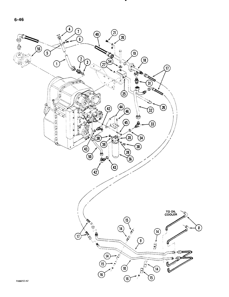
Запчасти Case IH STEIGER (6-46) - TRANSMISSION LUBRICATION, TRANSMISSION TO OIL COOLER (06) - POWER TRAIN

Схема запчастей Case IH STEIGER - (6-46) - TRANSMISSION LUBRICATION, TRANSMISSION TO OIL COOLER (06) - POWER TRAIN
17
16
9
10
47
39
25
15
15
7
42
15
1
8
20
38
33
14
56
2
14
34
43
36
14
49
6
16
45
21
44
35
19
26
43
32
54
3
38
31
27
17
39
4
46
14
50
5
18
FIT
1:1
100%

Артикул

Название

Примечание

Количество

1

90-6545T1

TUBE,1.25" OD

ASSEMBLY - dipstick

1шт.

2

31-401

HYD CONNECTOR,1 5/8"-20, 37 Degree x 1 5/8"-12, O-Ring

CONNECTOR - straight, 1-5/8 x 1-5/8 inch thread, Includes Ref: 3

1шт.

3

31-1101

O-RING,20-1, 90 Duro, 1.475" ID x .116" Thk

- 1-1/2 x 1/8 inch

1шт.

4

90-6546T1

DIPSTICK

- oil check

1шт.

5

31-1348

CLAMP

- tube

1шт.

6

113-36

BOLT - hex, 3/8 NC x 3/4 inch

1шт.

7

113-307

X

WASHER - flat, 3/8 x 1 x 5/64 inch

1шт.

39

31-1098

O-RING,5-1, 90 Duro, .414" ID x .072" Thk

2шт.

8

31-2709

HOSE

- tube to oil cooler, 103 inch

2шт.

9

90-6677T1

TUBE,0.75" OD x 68.75" L

- hose to hose, oil pressure

1шт.

10

90-6676T1

TUBE,.75" OD

- hose to hose, oil return

1шт.

14

50-2551T1

CLAMP

- tube, split halves

4шт.

15

50-2533T1

PLATE

COVER - clamp

3шт.

16

129-103

NUT,Hex, 3/8" - 16, Gr 5

NUT, 3/8"-16, G5

2шт.

17

31-2635

HOSE ASSY.

HOSE - to and from oil cooler tubes

2шт.

18

90-6887T1

TUBE,1.25" OD x 7.56" L

ASSEMBLY - pump to cooler line to check valve

1шт.

19

31-1925

O-RING,0.139" Thk x 1.484" ID, -222, Cl 6, 90 Duro

- 1-1/2 x 9/64 inch

1шт.

20

31-1910

COUPLING FLANGE

FLANGE - split, clamp halves

2шт.

21

113-312

BOLT,Hex, 7/16" - 14 x 1-1/4", Gr 5

4шт.

25

90-6703T1

BRACKET

- support, tube

1шт.

26

113-353

BOLT,Hex, 7/16" - 14 x 6", Gr 5

U-BOLT - tube support

1шт.

27

19-77

NUT,5/16"-18, G5

- hex, 5/16 inch NC

2шт.

31

90-6578T1

VALVE POPPET

VALVE - check

1шт.

32

90-6582T1

TUBE,1.25" OD

- cooler to filter to check valve

1шт.

33

218-5116

ELBOW,90 Degree Elbow, 1-5/8" - 12 Male JIC x 1-5/16" - 12 Male ORB

- 90 degree, 1-5/16 x 1-5/8 inch thread, Includes Ref: 34

1шт.

34

31-587

O-RING,16-1, 90 Duro, 1.171" ID x .116" Thk

- 1-3/16 x 1/8 inch

1шт.

35

90-6524T91

FILTER ASSY

FILTER ASSEMBLY - transmission oil, Includes Ref: 36

1шт.

36

N9025

HYDRAULIC OIL FILTER

ELEMENT - filter replacement

1шт.

38

31-1644

HOSE

PLUG - hex, O-ring, 1/2 inch thread, Includes Ref: 39

2шт.

42

31-479

ELBOW,90 Degree, 1 5/16"-12, 37 Degree x 1 5/16"-12, O-Ring

- 90 degree, 1-5/16 x 1-5/16 inch thread, Includes Ref: 43

2шт.

43

31-587

O-RING,16-1, 90 Duro, 1.171" ID x .116" Thk

- 1-3/16 x 1/8 inch

2шт.

44

90-6523T1

BRACKET

- mounting, filter

1шт.

45

SM8124085

BOLT

BOLT - hex, M10 x 1.25 x 85 mm

3шт.

46

113-205

BOLT,Hex, 3/8" - 16 x 5/8", Gr 5

4шт.

49

31-2775

HOSE

- pump to tube, without PTO, 31-1/2 inch

1шт.

49

31-2776

HOSE

- pump to tube, with PTO, 29-1/2 inch

1шт.

50

90-6583T1

TUBE,1" OD

- filter to transmission

1шт.

54

113-312

BOLT,Hex, 7/16" - 14 x 1-1/4", Gr 5

WASHER - flat, 3/4 x 2 x 9/64 inch

1шт.

55

REF

INSTRUCTION

BOLT - hex (See Figure: 6-2)

1шт.

56

REF

INSTRUCTION

PUMP - transmission lube (See Figure 6-48)

1шт.

Выбрано товаров: 40