Запчасти Case IH STEIGER (7-12) - MASTER CYLINDER ASSEMBLY (07) - BRAKES

Схема запчастей Case IH STEIGER - (7-12) - MASTER CYLINDER ASSEMBLY (07) - BRAKES
32
38
14
24
20
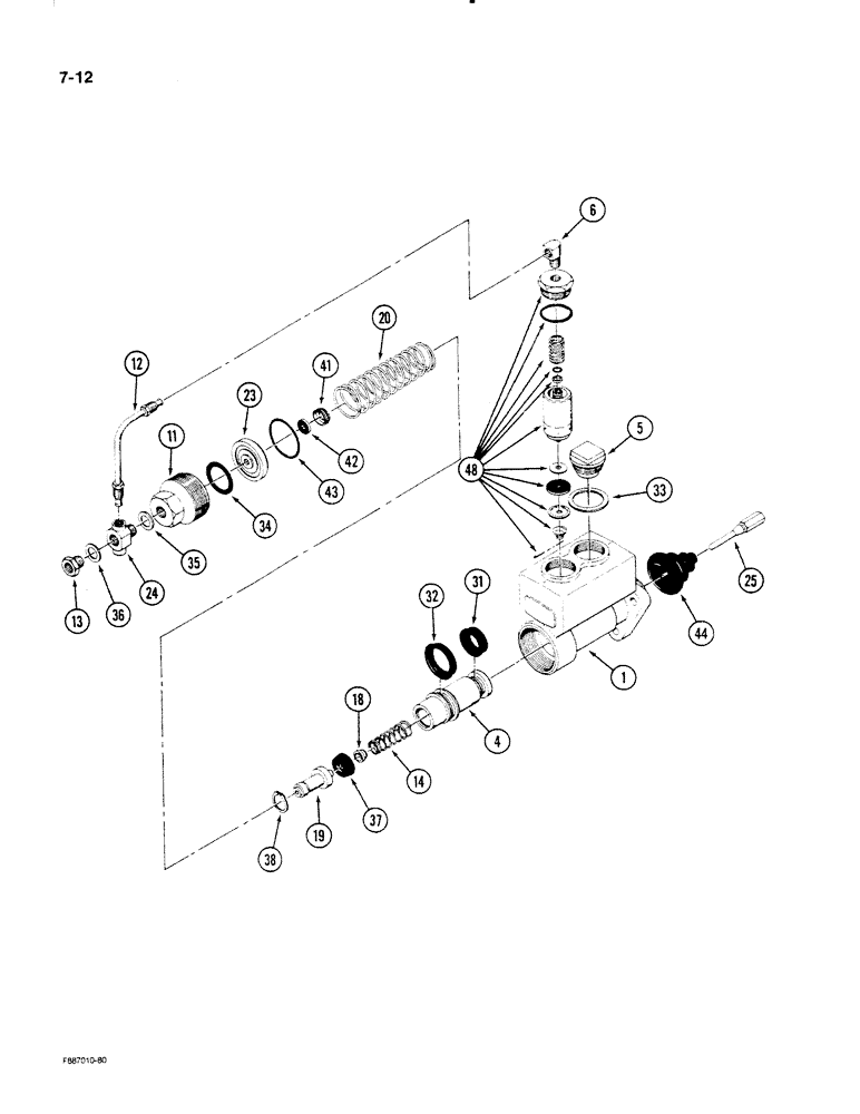
5
43
19
35
11
36
12
6
31
33
4
41
25
1
23
37
44
18
48
13
34
42
FIT
1:1
100%

Артикул

Название

Примечание

Количество

60-2821T91

MASTER CYLINDER

CYLINDER ASSEMBLY - master, brake, Includes Ref: 1-48

1шт.

1

NSS

NOT SOLD SEPARAT

HOUSING - cylinder, brake

1шт.

4

NSS

NOT SOLD SEPARAT

PISTON - brake

1шт.

5

2-1210T1

FILLER CAP

CAP - fiiler, brake

1шт.

6

2-6647T1

ELBOW

- 90 degree

1шт.

11

2-6648T91

CAP

- end, brake cylinder

1шт.

12

2-6649T1

TUBE

ASSEMBLY - brake fluid

1шт.

13

2-6650T1

FITTING

CONNECTOR - straight

1шт.

14

NSS

NOT SOLD SEPARAT

SPRING - return

1шт.

18

NSS

NOT SOLD SEPARAT

RETAINER - spring

1шт.

19

NSS

NOT SOLD SEPARAT

PISTON - brake

1шт.

20

NSS

NOT SOLD SEPARAT

SPRING - return

1шт.

23

NSS

NOT SOLD SEPARAT

RETAINER

1шт.

24

2-6651T1

FITTING

CONNECTOR - four way, brake line

1шт.

25

2-6652T1

THREADED ROD

ROD - push, brake actuating

1шт.

2-6646T1

PACKAGE, REPAIR

KIT - repair, Includes Ref: 31-48

1шт.

31

NSS

NOT SOLD SEPARAT

CUP - seal

1шт.

32

NSS

NOT SOLD SEPARAT

CUP - seal

1шт.

33

2-1206

GASKET

- filler cap

1шт.

34

NSS

NOT SOLD SEPARAT

SEAL - retainer

1шт.

35

NSS

NOT SOLD SEPARAT

GASKET - connector

1шт.

36

NSS

NOT SOLD SEPARAT

GASKET - connector

1шт.

37

NSS

NOT SOLD SEPARAT

CUP - seal

1шт.

38

NSS

NOT SOLD SEPARAT

RING - snap

1шт.

41

NSS

NOT SOLD SEPARAT

RETAINER - seat

1шт.

42

NSS

NOT SOLD SEPARAT

SEAT - piston

1шт.

43

NSS

NOT SOLD SEPARAT

O-RING - seal, end cap

1шт.

44

NSS

NOT SOLD SEPARAT

BOOT - dust

1шт.

48

2-7082T1

VALVE, PRESSURE RELI

VALVE ASSEMBLY - relief

1шт.

Выбрано товаров: 0