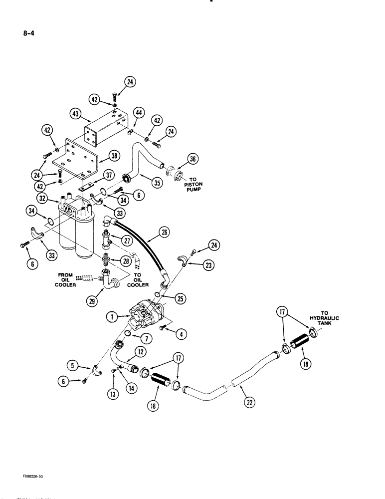
Запчасти Case IH STEIGER (8-04) - HYDRAULIC SYSTEM, CHARGE PUMP AND FILTER (08) - HYDRAULICS

Схема запчастей Case IH STEIGER - (8-04) - HYDRAULIC SYSTEM, CHARGE PUMP AND FILTER (08) - HYDRAULICS
7
35
44
13
43
42
26
6
26
24
34
23
17
32
25
42
37
17
34
14
1
18
22
5
42
36
33
24
12
24
6
33
38
27
42
6
4
24
16
29
FIT
1:1
100%

Артикул

Название

Примечание

Количество

1

REF

INSTRUCTION

PUMP ASSEMBLY - gear, charge (See Figure: 8-16)

1шт.

4

19-799

BOLT,Hex, 3/8" - 16 x 1 1/4", Gr 8

- hex, 3/8 NC x 1-1/4 inch, Grade 8

2шт.

5

31-1911

FLANGE

- split, clamp halves

2шт.

6

19-44

BOLT,Hex, 1/2" - 13 x 1 1/4", Gr 5

- hex, 1/2 NC x 1-1/4 inch

12шт.

7

31-1328

O-RING,0.139" Thk x 1.859" ID, -225, Cl 6, 90 Duro

- 1-7/8 x 9/64 inch

1шт.

12

50-2929T1

TUBE

- supply, Serial Range: hose-pump

1шт.

13

1-6353

PLUG

- hex, 7/16 inch thread, Includes Ref: 14

1шт.

14

31-1019

O-RING,4-1, 90 Duro, .351" ID x .072" Thk

1шт.

17

31-1283

MOUNTING CLIP

CLAMP - hose, 1-1/4 x 2-5/8 inch

4шт.

18

31-1779

HOSE,2.00" ID x 6.00"

Order 1-4568T1, and Cut to Required Length 2.00" ID x 6.00"

2шт.

22

50-2937T1

TUBE

- supply, hydraulic, Serial Range: tank-hose

1шт.

23

1-3526

COUPLING FLANGE

FLANGE - split, clamp halves

2шт.

24

413-620

BOLT,Hex, 3/8" - 16 x 1-1/4", Gr 5

- hex, 3/8 NC x 1-1/4 inch

17шт.

25

31-1097

O-RING,0.139" Thk x 1.296" ID, -219, Cl 6, 90 Duro

- 1-1/4 x 9/64 inch

1шт.

26

31-2797

HOSE

- pump to filter tube, 25 inch

1шт.

27

50-3085T1

HYD TUBE

TUBE - hose to check valve

1шт.

28

31-1777

VALVE

ASSEMBLY - check

1шт.

29

50-3086T1

HYD TUBE

TUBE - check, Serial Range: valve-filter

1шт.

32

REF

INSTRUCTION

FILTER ASSEMBLY - hydraulic (See Figure: 8-20)

1шт.

33

31-1220

CLAMP

FLANGE - split, clamp halves

4шт.

34

31-1219

O-RING,0.139" Thk x 2.234" ID, -228, Cl 6, 90 Duro

- 2-1/4 x 9/64 inch

2шт.

35

50-2931T1

TUBE

- filter to tube joint

1шт.

36

REF

INSTRUCTION

JOINT ASSEMBLY - tube (See Figures: 8-2 and 8-40)

1шт.

37

50-2943T1

SPACER - filter mounting

2шт.

38

50-2944T2

BRACKET

- mounting, filter

1шт.

42

19-107

WASHER

- flat, 3/8 x 1 x 5/64 inch

13шт.

43

50-2993T1

BRACKET

- mounting, filter

1шт.

44

32-310

CLAMP

- cable, clutch

1шт.

Выбрано товаров: 28