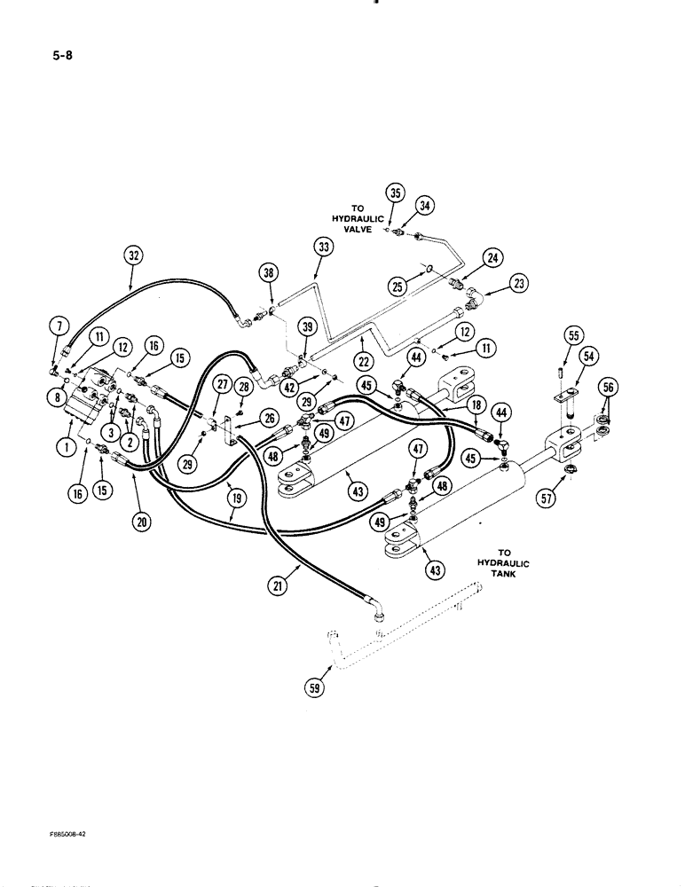
Запчасти Case IH STEIGER (5-08) - STEERING SYSTEM HYDRAULICS (05) - STEERING

Схема запчастей Case IH STEIGER - (5-08) - STEERING SYSTEM HYDRAULICS (05) - STEERING
7
49
43
26
44
21
1
49
35
45
18
27
55
15
45
2
22
43
38
32
23
54
12
15
47
47
12
48
25
20
8
16
57
42
11
28
44
29
34
3
19
24
48
39
16
29
56
33
59
11
FIT
1:1
100%

Артикул

Название

Примечание

Количество

1

REF

INSTRUCTION

VALVE - control, steering (See Figure: 5-10)

1шт.

2

18-623

HYD CONNECTOR,7/8"-14, 37 Degree x 1 1/16"-12, O-Ring

CONNECTOR - straight, 1-1/16 x 7/8 inch thread, Includes Ref: 3

2шт.

3

31-344

O-RING,12-1, 90 Duro, .924 ID x .116" Thk

- 59/64 x 1/8 inch

2шт.

7

18-1538

ELBOW,90 Degree, 7/16"-20, 37 Degree x 7/16"-20, O-Ring

- 90 degree, 7/16 x 7/16 inch thread, Includes Ref: 8

1шт.

8

31-1019

O-RING,4-1, 90 Duro, .351" ID x .072" Thk

1шт.

11

1-6353

PLUG

- hex, 7/16 inch thread, Includes Ref: 12

2шт.

12

31-1019

O-RING,4-1, 90 Duro, .351" ID x .072" Thk

2шт.

15

18-783

HYD CONNECTOR,1 1/16"-12, 37 Degree x 1 1/16"-12, O-Ring

CONNECTOR - straight

2шт.

16

31-344

O-RING,12-1, 90 Duro, .924 ID x .116" Thk

- 59/64 x 1/8 inch

2шт.

18

31-2762

HOSE

-, Serial Range: cylinder-cylinder

2шт.

19

31-2763

HOSE

- valve to cylinders, 44 inch

2шт.

Ref # 19, is a straight end hose on both ends. 31-1769 a hose with 90 deg., fitting on one end and a straigth fitting on the other end.

1шт.

20

31-2766

HOSE ASSY.

HOSE - supply tube to valve, 39 inch

1шт.

21

31-2759

HOSE ASSY.

HOSE - valve to return tube, 66 inch

1шт.

22

50-3023T1

HYD TUBE

TUBE - supply, hydraulic control valve to supply hose

1шт.

23

31-1787

ADAPTER,90 Degree, 37 Degree Fl, 1 5/16"-12 Male x 1 5/16"-12 Fem

ELBOW - 90 degree, 1-5/16 x 1-5/16 inch thread

1шт.

24

31-464

HYD CONNECTOR,1 5/16"-12, 37 Degree x 1 1/16"-12, O-Ring

CONNECTOR - straight, 1-1/16 x 1-5/16 inch thread

1шт.

25

31-344

O-RING,12-1, 90 Duro, .924 ID x .116" Thk

- 59/64 x 1/8 inch

1шт.

26

50-3041T1

BRACKET - clamp mounting, attaches to filter bracket

1шт.

27

308576R1

CLAMP

- hose

1шт.

28

19-18

BOLT,Hex, 3/8" - 16 x 1 1/4", Gr 5

- hex, 3/8 NC x 1-1/4 inch

1шт.

29

129-103

NUT,Hex, 3/8" - 16, Gr 5

NUT, 3/8"-16, G5

2шт.

32

31-2765

HOSE ASSY.

HOSE - load sense, 42 inch

1шт.

33

50-3040T1

TUBE ASSY.

TUBE - load sense, hydraulic control, Serial Range: valve-hose

1шт.

34

1-3211

HYD CONNECTOR,9/16"-18, 37 Degree x 9/16"-18, O-Ring

CONNECTOR - straight, 9/16 x 9/16 inch thread, Includes Ref: 35

1шт.

35

31-1099

O-RING,0.078" Thk x 0.468" ID, -906, Cl 6, 90 Duro

1шт.

38

155850H1

CLAMP,3/8", 1/4" Bolt

- tube

1шт.

39

31-1348

CLAMP

- tube

1шт.

42

19-107

WASHER

- flat, 3/8 x 1 x 5/64 inch

1шт.

43

REF

INSTRUCTION

CYLINDER ASSEMBLY - steering (See Figure: 5-12)

2шт.

44

31-324

ELBOW,90 Degree, 3/4"-16, 37 Degree x 3/4"-16, O-Ring

- 90 degree, 3/4 x 3/4 inch thread, Includes Ref: 45

2шт.

45

31-1335

O-RING,8-1, 90 Duro, .644" ID x .087" Thk

- 41/64 x 3/32 inch

2шт.

47

218-842

TEE,37 Degree, 7/8"-14 x 7/8"-14, Fem Sw Br

- adjustable, 7/8 x 7/8 x 7/8 inch thread

2шт.

48

31-462

HYD CONNECTOR,7/8"-14, 37 Degree x 3/4"-16, O-Ring

CONNECTOR - straight, 7/8 x 3/4 inch thread, Includes Ref: 49

2шт.

49

31-1335

O-RING,8-1, 90 Duro, .644" ID x .087" Thk

- 41/64 x 3/32 inch

2шт.

54

50-1086T1

PIN

- retainer, steering cylinder mounting

4шт.

55

19-5785

LOCK PIN,1/2" x 7/8", Slotted

Pin, 1/2" x 7/8", Slotted

4шт.

56

2-3223T1

SPACER

- cylinder mounting

8шт.

57

19-5619

RING, SNAP

RING - snap, cylinder pin

4шт.

59

REF

INSTRUCTION

TUBE - return (See Figure: 8-2)

1шт.

Выбрано товаров: 0