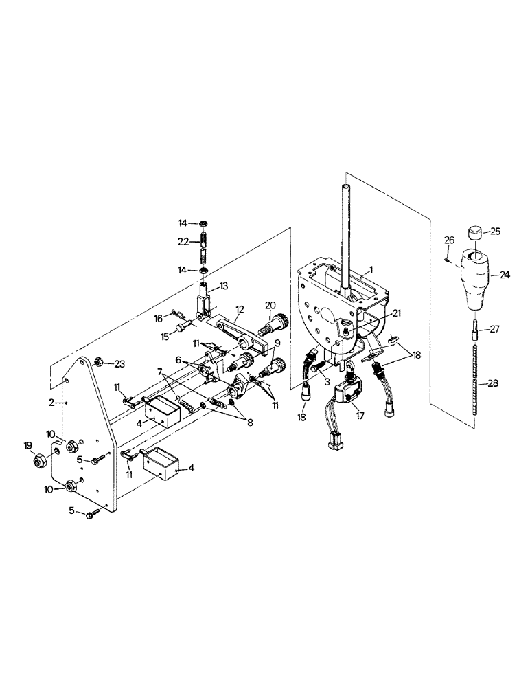
Запчасти Case IH STEIGER (01-36) - TRANSMISSION MODE CONTROL ASSEMBLY (10) - CAB

Схема запчастей Case IH STEIGER - (01-36) - TRANSMISSION MODE CONTROL ASSEMBLY (10) - CAB
23
18
24
19
14
11
3
15
4
12
6
4
9
11
21
17
1
27
2
10
28
11
26
10
5
25
5
18
22
14
7
13
8
20
11
16
FIT
1:1
100%

Артикул

Название

Примечание

Количество

60-1466T95

CONTROL

TRANS MODE CONTROL ASSY (60-1466T94 - code E), consists of 1-23

1шт.

1

60-1373T94

CONTROL

TRANS MODE CONTROL (60-1373T93 - code B)

1шт.

2

60-2039T92

PLATE ASSY.

PLATE ASSY

1шт.

3

9419000

BOLT,Hex, 1/4" - 20 x 1/2", Gr 5, Full Thd

CAPSCREW

2шт.

4

60-2665T2

SOLENOID

(60-2665T1 - code E)

2шт.

5

9411613

BOLT (MACHINE),#6 - 32 x 1/4", Gr 2

MACHINE SCREW

4шт.

6

60-1548T2

STOP

2шт.

7

60-1415T1

SPRING

(19-6072 - code E)

2шт.

8

19-5740

RING

SNAP RING

4шт.

9

19-5812

SHOULDER

ED SCREW

2шт.

10

19-5817

LOCK NUT,3/8"-16, GB

2шт.

11

60-1416T1

LINK

CONNECTING LINK

2шт.

12

60-1549T1

LEVER

1шт.

13

19-140

CLEVIS

1шт.

14

19-236

JAM NUT,5/16" - 24, Gr 5

JAM NUT

2шт.

15

19-143

CLEVIS PIN,5/16" x 0.94"

1шт.

16

19-5380

PIN

HAIR PIN

1шт.

17

20-1288T92

SWITCH

ROLLER SWITCH

1шт.

18

20-1517T1

SWITCH

1шт.

19

231-2448

LOCK NUT,1/2"-20, GB

1шт.

20

19-5695

SCREW

SHOULDERED SCREW

1шт.

21

20-1316T1

ACTUATOR

MAGNETIC ACTUATOR

1шт.

The bulletin that Ref. 21 is linked to does not apply to the SECC transmission controllers.

1шт.

22

60-1406T1

ROD

1шт.

23

19-6082

JAM NUT

JAM NUT

2шт.

60-2353T92

KNOB

ASSY, consists of 24-27

1шт.

24

60-1901T2

KNOB

1шт.

25

60-1489T2

BUTTON

PUSH BUTTON

1шт.

26

19-6070

SET SCREW,Hex Socket, #8-32 x 3/4"

1шт.

27

60-1918T1

CAP

END CAP

1шт.

28

60-1919T2

PUSH ROD

1шт.

Выбрано товаров: 31