Запчасти Case IH STEIGER (10-08) - PTO COMPONENTS AND DRIVESHAFTS Options & Miscellaneous

Схема запчастей Case IH STEIGER - (10-08) - PTO COMPONENTS AND DRIVESHAFTS Options & Miscellaneous
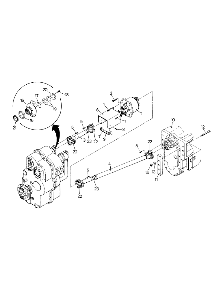
21
5
22
10
17
2
7
6
16
22
5
5
12
11
9
22
1
23
19
1
14
5
3
8
1
23
22
4
13
20
18
15
FIT
1:1
100%

Артикул

Название

Примечание

Количество

1

PTO CLUTCH ASSY., see Figure 10-11

1шт.

2

19-822

BOLT,Hex, 5/8" - 11 x 1 1/2", Gr 8, Full Thd

CAPSCREW

4шт.

3

90-1899T91

DRIVE SHAFT

DRIVESHAFT ASSY

1шт.

4

90-1900T91

DRIVE SHAFT

DRIVESHAFT ASSY

1шт.

5

19-536

BOLT,3/8" - 24 x 1 3/4", Gr 8

CAPSCREW

16шт.

6

90-2652T4

SHIELD

1шт.

7

90-2801T1

STRAP

1шт.

8

19-16

BOLT,Hex, 3/8" - 16 x 3/4", Gr 5

CAPSCREW

2шт.

9

19-78

SPECIAL NUT,3/8"-16, G5

2шт.

10

PTO CASE ASSY., see Figure 10-12

1шт.

11

90-1909T1

PLATE

2шт.

12

413-1480

BOLT,Hex, 7/8" - 9 x 5", Gr 5

CAPSCREW

6шт.

13

19-853

WASHER,15/16" x 1 3/4" x .134", HDN

6шт.

14

19-5529

LOCK NUT

6шт.

15

90-3141T1

FORK

YOKE

1шт.

Included in PTO Clutch Assy. Figure 10-11

1шт.

16

90-3228T1

OIL SEAL

1шт.

Part of P/N 90-3843T91 Seal Kit

1шт.

Included in PTO Clutch Assy. Figure 10-11

1шт.

17

90-3308T1

O-RING,1.484" ID x 1.762" OD x 0.139"

1шт.

Part of P/N 90-3843T91 Seal Kit

1шт.

Included in PTO Clutch Assy. Figure 10-11

1шт.

18

19-479

CAPSCREW,Hex, 3/8" - 24 x 1", Gr 5

3шт.

Included in PTO Clutch Assy. Figure 10-11

1шт.

19

90-3112T1

SHIM (.003)

3шт.

Included in PTO Clutch Assy. Figure 10-11

1шт.

90-3113T1

SHIM

(.010)

5шт.

20

90-3208T1

WASHER

RETAINER WASHER

1шт.

Included in PTO Clutch Assy. Figure 10-11

1шт.

21

90-3102T1

YOKE SPACER

1шт.

Included in PTO Clutch Assy. Figure 10-11

1шт.

22

90-1907T1

SPIDER ASSY.

BEARING & SPIDER ASSY

2шт.

23

2-3829T1

SEAL RETAINER

RETAINING SEAL ASSY

1шт.

90-3843T91

NO LONGER SERVICED

SEAL KIT, consists of ref. 16 and 17

1шт.

35-1474T94

PTO KIT, without 3 pt. hitch, Serial Range: -3036

1шт.

35-1573T91

ASSEMBLY

PTO KIT, without 3 pt. hitch, Start Serial: 3035

1шт.

35-1475T91

ASSEMBLY

PTO KIT, with 3 pt. hitch

1шт.

Выбрано товаров: 0