Запчасти Case IH STEIGER (01-43) - CLUTCH CONTROL (10) - CAB

Схема запчастей Case IH STEIGER - (01-43) - CLUTCH CONTROL (10) - CAB
39
14
4
26
10
31
17
20
37
36
12
28
15
42
5
25
35
19
9
30
22
18
8
4
38
3
32
24
2
23
34
11
16
7
21
7
19
43
13
1
6
27
33
20
41
29
40
FIT
1:1
100%

Артикул

Название

Примечание

Количество

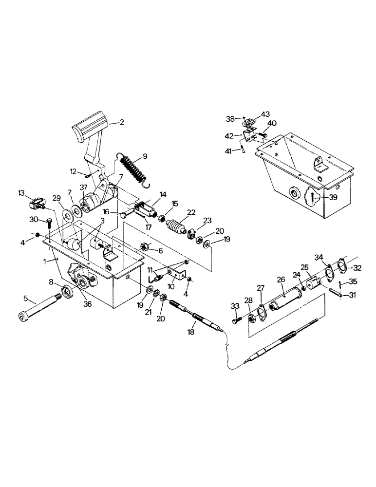
1

2-4997T2

CLUTCH PEDAL HOUSING, Replaces 02-4997T1

1шт.

Superseded - old P/N can be used up on all models prior to S/N break only. New P/N must be used after S/N break. Order new P/N when old stock is depleted as it will work for all.

1шт.

To use the T2 version of ref. 1 on early models, refs. 38-43 must be added to assure proper installation and function, Switch kit P/N 35-1563T91 will convert the T1 version of ref. 1 to the later style, see Figure 01-03 for the pedal boot

1шт.

2

2-4998T91

PEDAL

ASSY., Includes ref. 37

1шт.

3

4-1019

STOP

2шт.

4

231-1445

NUT,5/16"-18, GB

NUT, LOCK, 5/16"-18, GB

2шт.

5

19-5957

BOLT,3/4" - 10 x 7", Alloy Steel

SHOULDERED CAPSCREW

1шт.

6

19-5958

NUT

LOCK NUT

1шт.

7

19-5635

WASHER

2шт.

8

2-4999T1

WASHER

1шт.

9

2-5000T1

SPRING

1шт.

10

2-5001T1

MOUNTING PARTS

SWITCH MOUNT

1шт.

11

20-1517T1

SWITCH

1шт.

12

20-1316T1

ACTUATOR

the bulletin that ref 12 is linked to does not apply to the SECC transmission controllers

1шт.

13

20-1288T92

SWITCH

ROLLER SWITCH

1шт.

14

19-137

CLEVIS

1шт.

15

19-237

NUT,Jam, 1/2" - 20, Gr 5

JAM NUT

1шт.

16

19-142

CLEVIS PIN,1/2" x 1.36"

1шт.

17

19-168

COTTER PIN,1/8" x 1"

1шт.

18

60-2424T2

CABLE

CLUTCH CABLE

1шт.

19

19-710

WASHER

2шт.

20

19-1026

JAM NUT,9/16" - 18, Gr 5

JAM NUT

2шт.

21

19-182

LOCK WASHER,Ext Tooth, 9/16"

1шт.

22

60-2563T1

BOOT

1шт.

23

32-30

HOSE CLAMP,#8, 0.50/0.91 Type M Worm

CLAMP

1шт.

24

19-236

JAM NUT,5/16" - 24, Gr 5

JAM NUT

1шт.

25

2-4752T1

FORK

YOKE

1шт.

26

2-4692T1

ROPE GUIDE

ENCLOSURE

1шт.

27

2-4693T1

RETAINER

1шт.

28

19-885

JAM NUT

JAM NUT

1шт.

29

19-6053

WASHER

1шт.

30

19-6021

CAPSCREW,M18 x 1.5 x 50mm

FLANGED CAPSCREW

4шт.

31

19-6041

PIN

1шт.

32

60-2056T1

GASKET

RETAINER

1шт.

33

19-5852

FLANGE BOLT,Hex, 1/4" - 20 x 3/4", Gr 5

CAPSCREW

2шт.

34

60-3008T1

SHIM

1шт.

35

19-6043

COTTER PIN,1/32" x 3/4"

Pin, Split (Cotter) 1/32" x 3/4"

2шт.

36

2-5308T1

FOAM PAD

1шт.

37

24-208

BEARING ASSY,1" ID x 1.125" OD x 0.75"

BEARING

2шт.

38

19-5564

LOCK NUT,#6-32, GB

used only on later models

2шт.

39

323-6

COTTER PIN,3/16" x 1 1/2"

Pin, Split (Cotter), , used only on later models 3/16" x 1 1/2"

1шт.

40

281-13712

SELF-TAP SCREW,Hex Wash Hd, 1/4" x 3/4"

TAPPING SCREW, used only on later models

2шт.

41

470-10620

SCREW,Pan HD, #6 - 32 x 1-1/4"

MACHINE SCREW, used only on later models

2шт.

42

20-2081T1

BRACKET

used only on later models, shown above

1шт.

20-2082T1

BRACKET

in above kit only

1шт.

43

20-2080T91

SWITCH

MICRO SWITCH, used only on later models

1шт.

Выбрано товаров: 46