Запчасти Case IH STEIGER (08-09) - HYDRAULIC PUMP ASSEMBLY, CAT 3406 ENGINE (07) - HYDRAULICS

Схема запчастей Case IH STEIGER - (08-09) - HYDRAULIC PUMP ASSEMBLY, CAT 3406 ENGINE (07) - HYDRAULICS
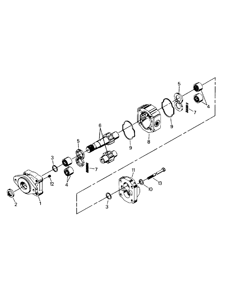
1
4
9
4
12
3
3
6
10
8
7
7
5
13
2
5
9
11
FIT
1:1
100%

Артикул

Название

Примечание

Количество

50-2048T91

PUMP, HYDRAULIC

Hydraulic Pump Assy, Includes: Ref. Nos. 1-13

1шт.

1

18-1468

COVER

Shaft End Cover

1шт.

2

18-1573

SEAL

1шт.

3

18-771

SEALING RING

Ring Seal

2шт.

4

18-773

ROLLER BEARING

4шт.

5

18-774

LARGE PLATE

Thrust Plate

2шт.

6

50-2101T1

GEAR-SET

Drive Shaft & Gear Set

1шт.

7

2-3433T1

SEAL

Pocket Seal

12шт.

8

50-2100T91

HOUSING

Gear Housing (Replaces 50-2100T1)

1шт.

9

18-777

GASKET,Square, 3.17mm Thk x 101.6mm ID, 70 Duro

Seal

2шт.

10

19-488

WASHER

4шт.

11

18-978

End Cover

1шт.

12

18-772

PLUG

1шт.

13

19-209

BOLT,Hex, 5/8" - 11 x 5", Gr 5

Capscrew

4шт.

Выбрано товаров: 0