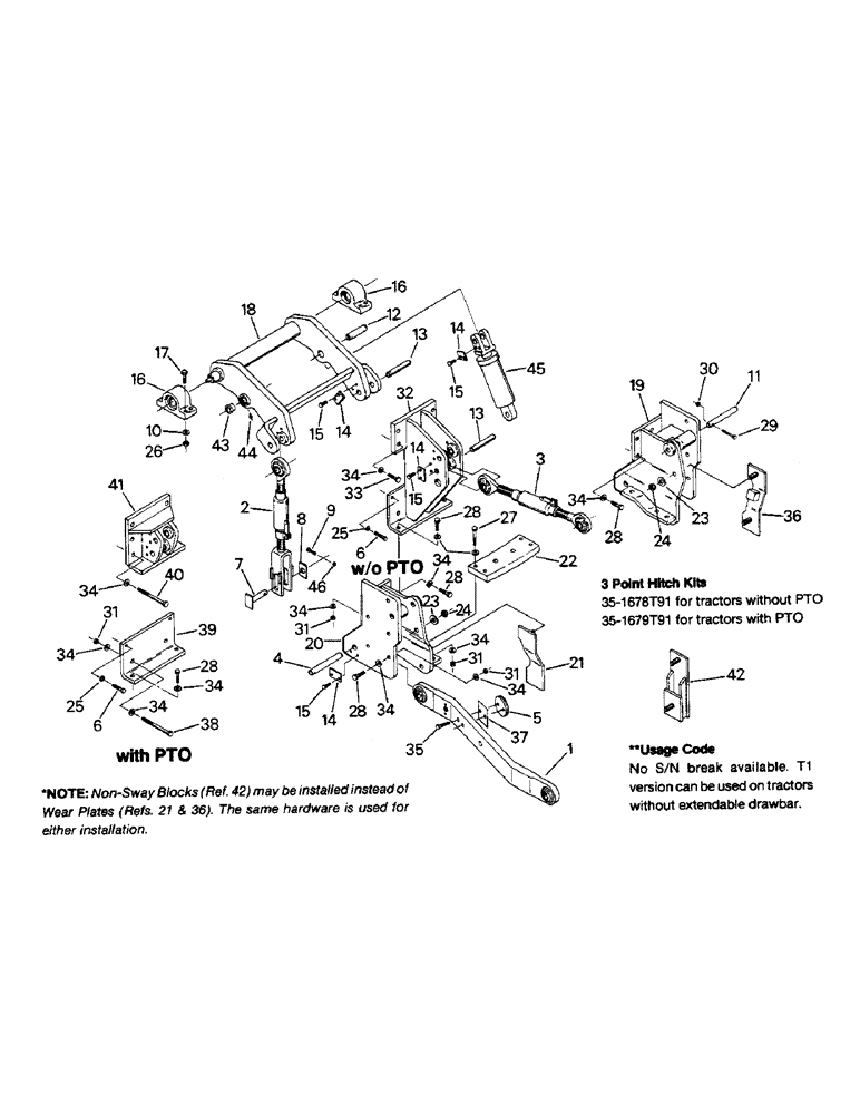
Запчасти Case IH STEIGER (10-01) - THREE POINT HITCH AND MOUNTING Options & Miscellaneous

Схема запчастей Case IH STEIGER - (10-01) - THREE POINT HITCH AND MOUNTING Options & Miscellaneous
34
15
5
46
25
31
13
25
14
21
15
40
31
11
34
32
6
4
10
33
28
34
28
16
27
4
23
17
34
31
20
31
14
44
34
18
6
14
24
7
36
37
29
34
13
30
2
34
28
3
34
45
43
41
23
26
16
34
15
34
1
38
19
12
39
24
35
28
15
34
8
1
22
9
FIT
1:1
100%

Артикул

Название

Примечание

Количество

1

70-4612T1

ARM

Draft, hitch

2шт.

2

LINK ASSEMBLY - lift (See Fig. 10-04)

2шт.

3

LINK ASSEMBLY - upper (See Fig. 10-04)

1шт.

4

70-4222T1

PIN

Draft arm

2шт.

5

2-2516T2

LARGE PLATE

PLATE, LARGE Wear

2шт.

6

19-909

BOLT,Hex, 1/2" - 13 x 2", Gr 8

CAPSCREW, 1/2 UNC x G-8

2шт.

7

70-5025T1

PIN

Lift link (70-4423T1)

2шт.

Old part can be used on all tractors, new part should be used when stock is depleted.

1шт.

8

70-4425T1

LARGE PLATE

PLATE, LARGE Pin

2шт.

9

19-21

BOLT,Hex, 3/8" - 16 x 2", Gr 5

CAPSCREW, 3/8 UNC x 2 G-5 (19-6088)

2шт.

Old part can be used on all tractors, new part should be used when stock is depleted.

1шт.

10

19-6120

WASHER

Flat, hardened, 15/16 x 1-3/4 x 1/8 thk

8шт.

11

70-4225T1

PIN

Lift cylinder, bottom

2шт.

12

70-4601T1

PIN

Lift cylinder, top

2шт.

13

70-4256T1

PIN

Upper link and lift link

3шт.

14

70-3082T2

LARGE PLATE

PLATE, LARGE BLOCK - pin retaining

7шт.

15

19-1108

BOLT,Hex, 1/2" - 13 x 1", Gr 8

CAPSCREW, 1/2 UNC x 1 G-8

14шт.

16

1-4855T2

BLOCK

BEARING - pillow block

2шт.

17

19-5426

SCREW,Hex, 7/8" - 9 x 2 3/4", Gr 8

CAPSCREW, 7/8 UNC x 2-3/4 G-8

8шт.

18

70-4286T91

ROCKER

ROCKERSHAFT ASSEMBLY (Includes Refs. 43 and 44)

1шт.

19

70-4294T2

SHOCK ABSORBER

MOUNT - right lower link

1шт.

20

70-4291T2

MOUNTING PARTS

MOUNT - left lower link

1шт.

21

70-4252T2

PLATE

Right wear

1шт.

22

70-3152T2

HANGER

BAR - drawbar hanger (70-3152T1)

1шт.

Old part can be used prior to serial number break only. When stock is depleted, use new on all.

1шт.

No S/N break available. T1 version can be used on tractors without extendable drawbar.

1шт.

23

19-5739

WASHER

Flat, hardened 1 x 2 x 5/32 thk

4шт.

24

19-859

LOCK NUT

Lock, 1 UNC G-C

4шт.

25

19-5603

WASHER,17/32" x 1 1/16" x .095", HDN

Flat, hardened (Special)

2шт.

26

19-457

NUT,7/8"-9, G5

7/8 UNC G-B

8шт.

27

19-1118

BOLT,Hex, 3/4" - 10 x 3 1/2", Gr 8

CAPSCREW, 3/4 UNC x 3-1/2 G-8

4шт.

28

19-830

BOLT,3/4" - 10 x 2 1/2", Gr 8

CAPSCREW, 3/4 UNC x 2-1/2 G-8

20шт.

29

19-1119

BOLT,3/8" - 16 x 3 1/2", Gr 8

CAPSCREW, 3/8 UNC x 3-1/2 G-8

2шт.

30

19-087

NUT - lock, 3/8 UNC G-B

2шт.

31

19-84

NUT,3/4"-10, G5

3/4 UNC G-B (Quantity 16 without PTO)

18шт.

32

70-4247T1

MOUNTING PARTS

MOUNT - upper link (Without PTO)

1шт.

33

19-1087

BOLT,Hex, 3/4" - 10 x 3", Gr 8

CAPSCREW, 3/4 UNC x 2 G-8

4шт.

34

19-5723

WASHER

Flat, hardened, 3/4 x 1-1/2 x .15 thk (Quantity 44 without PTO)

50шт.

35

19-909

BOLT,Hex, 1/2" - 13 x 2", Gr 8

CAPSCREW, 1/2 UNC x 2 G-8

4шт.

36

70-4487T1

PLATE

Right wear

1шт.

37

70-4607T1

BLOCK

SHIM - wear plate

2шт.

38

9430302

BOLT,Hex, 3/4" - 10 x 7", Gr 8

CAPSCREW, 3/4 UNC x 7 G-8

2шт.

39

70-4251T2

LARGE PLATE

PLATE, LARGE Spacer (70-4251T1)

1шт.

Old part can be used on all tractors, new part should be used when stock is depleted.

1шт.

40

19-6116

BOLT,Hex, 3/4" - 10 x 8 1/2", Gr 8

CAPSCREW, 3/4 UNC x 8-1/2 G-8

6шт.

41

70-4886T1

SUPPORT

LINK - upper mount (With PTO)

1шт.

42

70-4410T2

BLOCK

Right, non-sway

1шт.

Non-Sway Blocks (Ref. 42) may be installed instead of Wear Plates (Refs. 21 & 36). The same hardware is used for either installation.

1шт.

70-4607T1

BLOCK

Left, non-sway

1шт.

Non-Sway Blocks (Ref. 42) may be installed instead of Wear Plates (Refs. 21 & 36). The same hardware is used for either installation.

1шт.

43

70-4274T2

BUSHING

Cylinder pivot

2шт.

44

31-094

FITTING - grease, 1/8 NPT

2шт.

45

CYLINDER ASSEMBLY - 3 point (See Fig. 10-3)

2шт.

46

19-341

LOCK NUT,3/8" - 16, GB

Lock, 3/8 UNC G-A

2шт.

Выбрано товаров: 54