Запчасти Case IH STEIGER (08-16) - CONTROL VALVE ASSEMBLY (07) - HYDRAULICS

Схема запчастей Case IH STEIGER - (08-16) - CONTROL VALVE ASSEMBLY (07) - HYDRAULICS
4
7
6
2
6
7
3
1
FIT
1:1
100%

Артикул

Название

Примечание

Количество

50-2948T92

VALVE, CONTROL

ASSEMBLY - control (2 spool) (50-2948T91), Includes: Ref. 1 - 7

1шт.

Old part can be used prior to serial number break only. When stock is depleted, use new on all.

1шт.

50-2949T92

VALVE, CONTROL

ASSEMBLY - control (3 spool) (50-2949T91), Includes: Ref. 1 - 7

1шт.

Old part can be used prior to serial number break only. When stock is depleted, use new on all.

1шт.

50-2950T92

VALVE

ASSEMBLY - control (4 spool) (50-2950T91), Includes: Ref. 1 - 7

1шт.

Old part can be used prior to serial number break only. When stock is depleted, use new on all.

1шт.

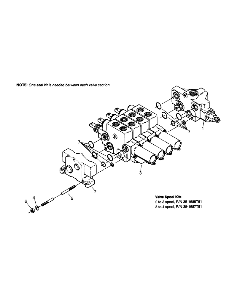
1

BODY ASSEMBLY - inlet (See Fig. 08-17)

1шт.

2

50-2584T1

COVER

End

1шт.

3

SECTION ASSEMBLY - float (See Fig. 08-18)

2шт.

(Quantity 3 with 3-spool valve)

1шт.

(Quantity 4 with 4-spool valve)

1шт.

4

19-117

LOCK WASHER,3/8"

3/8"

3шт.

5

50-2727T1

STUD

(2-spool valve)

3шт.

50-2658T1

STUD

(3-spool valve)

1шт.

50-2659T1

STUD

(4-spool valve)

1шт.

6

19-78

SPECIAL NUT,3/8"-16, G5

3/8 UNC G-B

3шт.

7

2-3792T1

SEAL KIT

Seal

3шт.

One seal kit is needed between each valve section.

1шт.

(Quantity 4 with 3-spool valve)

1шт.

(Quantity 5 with 4-spool valve)

1шт.

Выбрано товаров: 20