Запчасти Case IH STEIGER (01-18) - SEAT ASSEMBLY, LOWER SUSPENSION (10) - CAB

Схема запчастей Case IH STEIGER - (01-18) - SEAT ASSEMBLY, LOWER SUSPENSION (10) - CAB
4
17
2
14
18
11
10
21
7
20
5
16
13
8
9
1
21
3
19
15
12
6
FIT
1:1
100%

Артикул

Название

Примечание

Количество

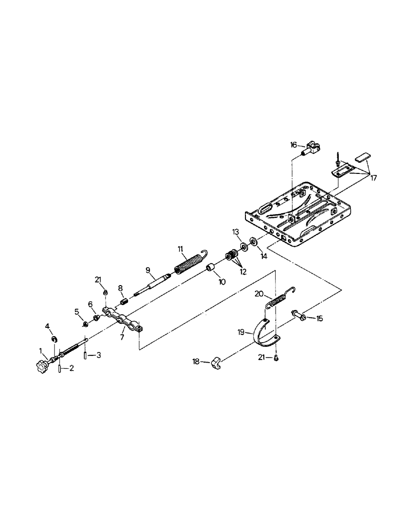
1

60-3202T91

SPINDLE

ASSEMBLY - weight adjustment (Includes 2-4)

1шт.

2

40-1180

PIN

Spring, 4 MM x 20 MM

1шт.

3

40-1179

PIN

Spring, 3 MM x 16 MM

1шт.

4

40-1178

RING

Snap, 15 MM

1шт.

5

60-1612T1

JAM NUT

Hex jam, M8

2шт.

6

60-1629T1

NUT

Weld, M8

2шт.

7

60-1583T1

SPRING

YOKE - spring

1шт.

8

60-1630T1

SLEEVE

Threaded

2шт.

9

60-1581T1

SHOCK ABSORBER

Seat

2шт.

10

60-1631T1

TUBE

TUBING - spacer

1шт.

11

60-1595T1

SPRING

Shock absorber

2шт.

12

60-1586T1

BEARING ASSY

ASSEMBLY - thrust

1шт.

13

60-1587T1

WASHER

Flat, M8

1шт.

14

60-1579T1

RUBBER WASHER

Flat, rubber

1шт.

15

60-1580T1

ROLLER

Weight indicator band

1шт.

16

60-3184T1

BEARING ASSY

BEARING AND BRACKET ASSEMBLY

1шт.

17

60-1614T1

PLATE

Lower suspension

1шт.

18

60-1584T1

LENS

SPARE PART Magnifier, weight indicator band

1шт.

19

60-1594T1

BAND

SPARE PART Weight indicator

1шт.

20

60-1596T1

SPRING

Weight indicator band

1шт.

21

60-1585T1

FASTENER

Snap weight indicator band

1шт.

Выбрано товаров: 21