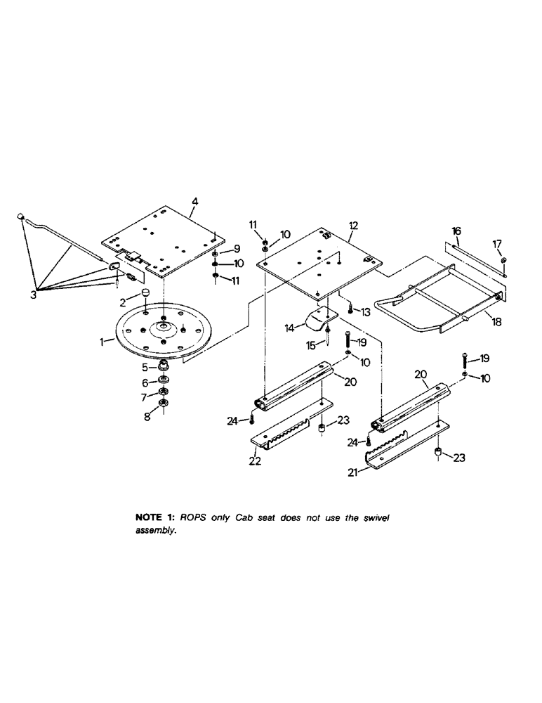
Запчасти Case IH STEIGER (01-20) - SEAT ASSEMBLY, SWIVEL AND SLIDE (10) - CAB

Схема запчастей Case IH STEIGER - (01-20) - SEAT ASSEMBLY, SWIVEL AND SLIDE (10) - CAB
24
9
13
24
10
10
10
2
12
21
23
8
20
23
18
15
19
5
7
11
14
20
1
22
17
11
4
16
3
10
6
19
FIT
1:1
100%

Артикул

Название

Примечание

Количество

60-4862T91

HYDRAULIC SWIVEL

SWIVEL ASSEMBLY, Includes: Ref. 1 - 8

1шт.

ROPS only Cab seat does not use the swivel assembly.

1шт.

1

60-1625T1

LINK

PLATE - swivel

1шт.

2

60-1619T1

BUSHING

6шт.

3

60-4863T1

LEVER ASSY.

Swivel

1шт.

4

60-4864T91

PLATE ASSY.

Seat mounting, Includes: Ref. 5

1шт.

5

60-1621T91

BUSHING - swivel plate

1шт.

6

60-1624T1

THRUST BEARING

Thrust

1шт.

7

60-1623T1

NUT

M16

1шт.

8

60-1622T1

LOCK NUT

Lock, M16

1шт.

9

40-1007

WASHER

Flat, M8

4шт.

10

40-1154

LOCK WASHER

Lock, M8

12шт.

11

40-1121

NUT

SPARE PART M8

8шт.

12

60-3250T1

PLATE ASSY.

SPARE PART PLATE, swivel mounting

1шт.

13

60-4843T1

SCREW

MACHINE SCREW, M8 x 16 MM

4шт.

14

60-3368T1

SPRING

SPARE PART PLATE - spring

1шт.

15

1-2503

RIVET,Pop, .146" x .425"

Pop, 5/32 dia. x 1/4

2шт.

16

60-3248T1

ROD

SPARE PART Handle pivot

1шт.

17

40-1182

CIRCLIP,M6

RING - snap, M5

2шт.

18

60-3249T1

HANDLED SHAFT

SPARE PART HANDLE ASSEMBLY - fore and aft adjustment

1шт.

19

40-1181

BOLT,Sl, M8 x 1.25 x 30mm

Machine, M8 x 30 MM

4шт.

20

60-1577T1

RAIL ASSY.

RAIL - fore and aft seat slide

2шт.

21

60-3253T1

PLATE

Left locking, slide rail

1шт.

22

60-3251T1

PLATE

Right locking, slide rail

1шт.

23

60-3252T1

BUSHING

Slide rail mounting

4шт.

24

40-1164

BOLT,Sl Cheese Hd, M8 x 1.25 x 16mm

Machine, M8 x 16 MM

4шт.

Выбрано товаров: 26