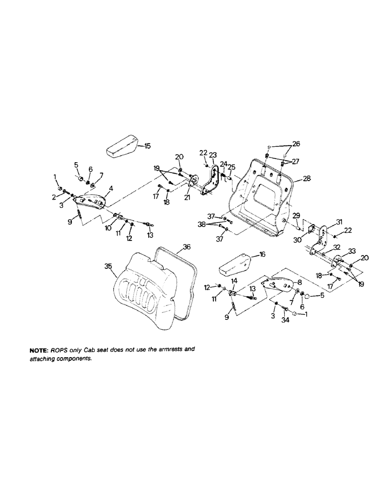
Запчасти Case IH STEIGER (01-22) - SEAT ASSEMBLY, BACK CUSHION AND ARMREST (10) - CAB

Схема запчастей Case IH STEIGER - (01-22) - SEAT ASSEMBLY, BACK CUSHION AND ARMREST (10) - CAB
7
12
14
19
18
11
37
5
13
25
20
21
32
16
34
2
1
10
20
18
8
33
9
35
4
17
22
17
7
26
13
38
6
31
1
23
3
36
11
3
12
27
30
9
15
19
6
37
29
28
24
5
22
FIT
1:1
100%

Артикул

Название

Примечание

Количество

1

60-1656T1

COVER

Protective

2шт.

2

40-1069

CAPSCREW,Hex, M10 x 1.5 x 45mm, Gr 8.8

CAPSCREW, M10 x 45 MM

1шт.

3

40-1008

WASHER

Flat, M10

2шт.

4

60-3195T1

SUPPORT

Armrest, right

1шт.

ROPS only Cab seat does not use the armrests and attaching components.

1шт.

5

60-3240T1

COVER

Protective

2шт.

6

60-1653T1

LOCK NUT

Lock, M24 x 1.5

2шт.

7

40-1156

WASHER

Flat, M25

2шт.

8

60-3190T1

SUPPORT

Armrest, left

1шт.

ROPS only Cab seat does not use the armrests and attaching components.

1шт.

9

60-3189T1

SPRING

Armrest adjustment retainer

2шт.

10

60-3196T1

RETAINER

Armrest adjustment right

1шт.

11

40-1153

WASHER

Flat, M13

2шт.

12

60-1655T1

NUT

Lock, M12

2шт.

13

60-1650T1

STEERING KNUCKLE

SPINDLE - adjustable, armrest

2шт.

14

60-3188T1

RETAINER

Armrest adjust., left

1шт.

15

30-3199T1

ARMREST - right

1шт.

ROPS only Cab seat does not use the armrests and attaching components.

1шт.

16

60-3194T1

ARMREST

Left

1шт.

ROPS only Cab seat does not use the armrests and attaching components.

1шт.

17

19-214

BOLT,Hex, 7/16" - 20 x 1 3/4", Gr 5

CAPSCREW, 7/16 UNF x 1-3/4

2шт.

18

19-193

LOCK WASHER,Ext Tooth, 7/16"

7/16

2шт.

19

60-4847T1

SCREW

CAPSCREW, M8 x 35

4шт.

20

60-1654T1

WASHER

Plastic, M24

2шт.

21

60-3198T1

LARGE PLATE

PLATE, LARGE Bearing, right

1шт.

21

60-3198T1

LARGE PLATE

PLATE, LARGE Bearing, right

1шт.

22

60-4845T1

NUT

M8

2шт.

23

60-4851T1

MOUNTING PARTS

MOUNT - armrest support, right

1шт.

24

60-4849T1

SPRING

1шт.

25

60-4850T1

SPACER

Armrest support mount

1шт.

26

60-5619T1

PLUG

Hole

2шт.

27

60-1669T1

BUSHING

2шт.

28

60-5620T1

BACKREST

PAN - backrest

1шт.

29

60-4852T1

SPACER

Armrest support mount

1шт.

30

60-4859T1

SPACER

1шт.

31

60-4858T1

MOUNTING PARTS

MOUNT - armrest support, left

1шт.

32

60-1679T1

WASHER

Flat, M10

1шт.

33

60-3256T1

LARGE PLATE

PLATE, LARGE Bearing, left

1шт.

34

40-1073

CAPSCREW,Hex, M10 x 1.5 x 70mm, Gr 8.8

CAPSCREW, M10 x 70 mm

1шт.

35

60-5948T1

CUSHION

Backrest (With gray cloth upholstery)

1шт.

60-5621T1

CUSHION

Backrest (With tan cloth upholstery)

1шт.

33-1393T1

CUSHION

SPARE PART Backrest (With vinyl upholstery)

1шт.

36

60-1641T1

SUPPORT

EXTRUSION - plastic

1шт.

37

40-1007

WASHER

Flat, M8

2шт.

38

40-1150

CAPSCREW,Hex, M8 x 1.25 x 30mm, Gr 8.8

CAPSCREW, M8 x 30

2шт.

Выбрано товаров: 45