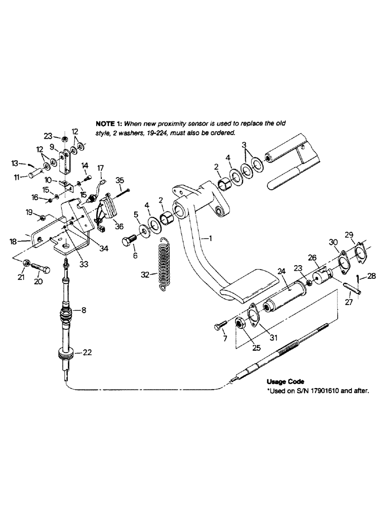
Запчасти Case IH STEIGER (01-43) - CLUTCH CONTROLS (10) - CAB

Схема запчастей Case IH STEIGER - (01-43) - CLUTCH CONTROLS (10) - CAB
8
28
4
13
4
5
12
6
3
14
24
20
33
29
2
35
12
34
1
10
15
27
25
2
9
15
22
31
23
19
30
18
11
21
17
26
16
7
32
23
36
FIT
1:1
100%

Артикул

Название

Примечание

Количество

1

60-4251T2

PEDAL

Cutch

1шт.

2

24-208

BEARING ASSY,1" ID x 1.125" OD x 0.75"

BEARING - clutch pedal

2шт.

3

19-6053

WASHER

Fat, 1 x 1-3/4 x 3/64 thk

1шт.

4

19-5635

WASHER

Nylon, 1 x 1-3/4 x 3/32 thk

2шт.

5

19-109

WASHER,1/2"

Flat, 1/2

1шт.

6

19-43

BOLT,1/2" - 13 x 1", Gr 5

CAPSCREW, 1/2 UNC x 1 G-5

1шт.

7

19-5852

FLANGE BOLT,Hex, 1/4" - 20 x 3/4", Gr 5

CAPSCREW - flanged, 1/4 UNC x 3/4 G-5

2шт.

8

60-4957T1

CABLE

Clutch

1шт.

9

60-4384T1

CLEVIS COUPLING

YOKE - clevis, cable

1шт.

10

60-5048T1

SUPPORT

BRACKET - magnetic actuator mount

1шт.

11

19-5922

CLEVIS PIN,3/8" x 1 1/4"

3/8 x 1-1/4 inch

1шт.

12

19-224

WASHER,3/8", SAE

Flat, 3/8

4шт.

13

19-238

COTTER PIN,3/32" x 3/4"

3/32" x 3/4"

1шт.

14

20-1316T1

ACTUATOR

Magnetic

1шт.

15

19-281

WASHER,#8

Flat, no. 8

2шт.

16

19-5621

LOCK NUT,#8-32, GB

No. 8 UNC

1шт.

17

20-2268T1

SENSOR

SENSOR ASSEMBLY

1шт.

18

60-6055T1

HARNESS

SPARE PART BRACKET - proximity sensor

1шт.

19

19-76

NUT,1/4"-20, G5

1/4 UNC G-B

3шт.

20

19-20

BOLT,Hex, 3/8" - 16 x 1 3/4", Gr 5

CAPSCREW, 3/8 UNC x 1-3/4 G-5

1шт.

21

19-5573

NUT,3/8"-16, G8

3/8 UNC G-C

1шт.

22

1-1050

GROMMET

Clutch cable

1шт.

23

19-236

JAM NUT,5/16" - 24, Gr 5

Jam, 5/16 UNF G-B

3шт.

24

2-4692T1

ROPE GUIDE

COVER - clutch actuating

1шт.

25

19-885

JAM NUT

Jam, 3/4 UNF G-B

1шт.

26

2-4752T1

FORK

YOKE - clutch, actuating

1шт.

27

19-6041

PIN

(Special)

1шт.

28

19-6043

COTTER PIN,1/32" x 3/4"

1/32" x 3/4"

2шт.

29

60-2056T1

GASKET

GASKET - retainer

1шт.

30

60-3008T1

SHIM

Cover

1шт.

31

2-4693T1

RETAINER

Cover

1шт.

32

2-5000T1

SPRING

Clutch pedal return

1шт.

33

19-1013

NUT

No. 6 UNC G-A

2шт.

34

19-708

WASHER,#6

Flat, no. 6

2шт.

35

19-2691

SCREW,Sl Pan Hd, #6 - 32 x 1 1/4"

MACHINE SCREW, no. 6 UNC x 1-1/4

2шт.

36

20-2340T91

IGNITION SWITCH

MICRO SWITCH

1шт.

20-2341T91

SWITCH

MICRO SWITCH (Interchangeable with P/N 20-2340T91)

1шт.

Выбрано товаров: 37