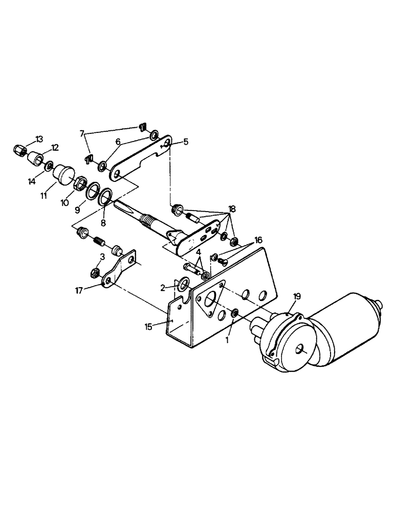
Запчасти Case IH STEIGER (10-34) - WIPER DRIVE ASSEMBLY, REAR WINDOW Options & Miscellaneous

Схема запчастей Case IH STEIGER - (10-34) - WIPER DRIVE ASSEMBLY, REAR WINDOW Options & Miscellaneous
16
13
9
4
15
6
2
17
19
5
3
18
7
12
1
11
10
8
14
FIT
1:1
100%

Артикул

Название

Примечание

Количество

1-19

20-1212T91

MOTOR

WIPER DRIVE ASSEMBLY

1шт.

1

1-9415

SPACER

Motor mounting

3шт.

2

1-2678

WASHER

Bowed spring

1шт.

3

1-2680

NUT

1шт.

4

1-2682

BOLT

SCREW - with lock washer

3шт.

5

1-2683

LINK

Drive actuating

1шт.

6

1-2684

WASHER

SPACER - pivot shaft

2шт.

7

1-2685

CLIP

Spring

2шт.

8

1-9416

WASHER

Flat

1шт.

9

1-9417

WASHER

Flat

1шт.

10

1-9418

NUT

Pivot shaft

1шт.

11

1-9419

CAP

Shaft seal

1шт.

12

1-9420

NUT

DRIVER - knurled

1шт.

13

1-9421

NUT

Shaft

1шт.

14

1-9422

WASHER

Lock, internal

1шт.

15

1-2681

SUPPORT

BRACKET - mounting

1шт.

16

1-2686

SCREW,no

With washer

2шт.

17

1-2679

ARM

Drive

1шт.

18

1-2668

SHAFT

ASSEMBLY - pivot

1шт.

19

NSS

NOT SOLD SEPARAT

MOTOR ASSEMBLY - wiper

1шт.

Выбрано товаров: 0