Запчасти Case IH STEIGER (04-01) - ENGINE AND ATTACHING PARTS (04) - Drive Train

Схема запчастей Case IH STEIGER - (04-01) - ENGINE AND ATTACHING PARTS (04) - Drive Train
10
8
17
12
10
7
11
12
21
6
9
15
20
14
13
19
11
18
16
3
5
9
13
4
2
FIT
1:1
100%

Артикул

Название

Примечание

Количество

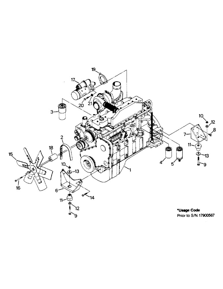
1

90-6901T1

ENGINE

ASSEMBLY - 6CT 8.3L - 190 HP, Serial Range: -17900567

1шт.

90-6897T1

ENGINE

SPARE PART ASSEMBLY - 6CTA 8.3L - 220 HP)

1шт.

2

33-1155T1

BELT

Fan and alternator

1шт.

3

33-1156T1

FILTER, ENGINE OIL

FILTER, OIL

1шт.

4

33-1157T1

FILTER

Fuel, secondary

1шт.

5

33-1158T1

FILTER, FUEL

Primary

1шт.

6

90-6432T1

ANCHOR

MOUNT - engine front

1шт.

7

90-6436T1

MOUNTING PARTS

Engine side

2шт.

8

40-1212

CAPSCREW,Hex, M12 x 1.75 x 35mm, Gr 10.9

M12 x 1.75 x 35 MM G-10.9

8шт.

9

19-256

BOLT,Hex, 5/8" - 11 x 4", Gr 5

CAPSCREW, 5/8 UNC x 4 G-5

3шт.

10

19-222

LOCK NUT,5/8" - 11, GB

5/8 UNC G-B

3шт.

11

24-231

RUBBER MOUNTING

3шт.

12

19-1071

WASHER,21/32" x 1 5/16" x 0.15", HDN

Flat, 5/8 x 1-5/16 x 5/32 thk

3шт.

13

19-408

WASHER

Flat, 5/8 x 2-1/2 x 3/16 thk

3шт.

14

40-1237

BOLT,M12 x 1.75 x 60mm, Gr 8.8

CAPSCREW, M 12 x 1.75 x 60 MM G-8.8

4шт.

15

90-5857T1

FAN

Engine

1шт.

16

40-1074

BOLT,Hex, M10 x 1.5 x 80mm, Gr 8.8

CAPSCREW, M10 x 1.50 x 80 MM G-8.8

4шт.

17

20-2386T91

STARTING MOTOR

(See Fig. 02-04)

1шт.

18

NAP

SPACER - fan (Cummins part)

1шт.

19

NAP

SPACER - starter (Cummins part)

1шт.

20

NAP

CAPSCREW - starter mounting (Cummins part)

3шт.

21

19-5603

WASHER,17/32" x 1 1/16" x .095", HDN

Flat, hardened, 1/2 x 1 x 3/32 thk (Special)

3шт.

Выбрано товаров: 22