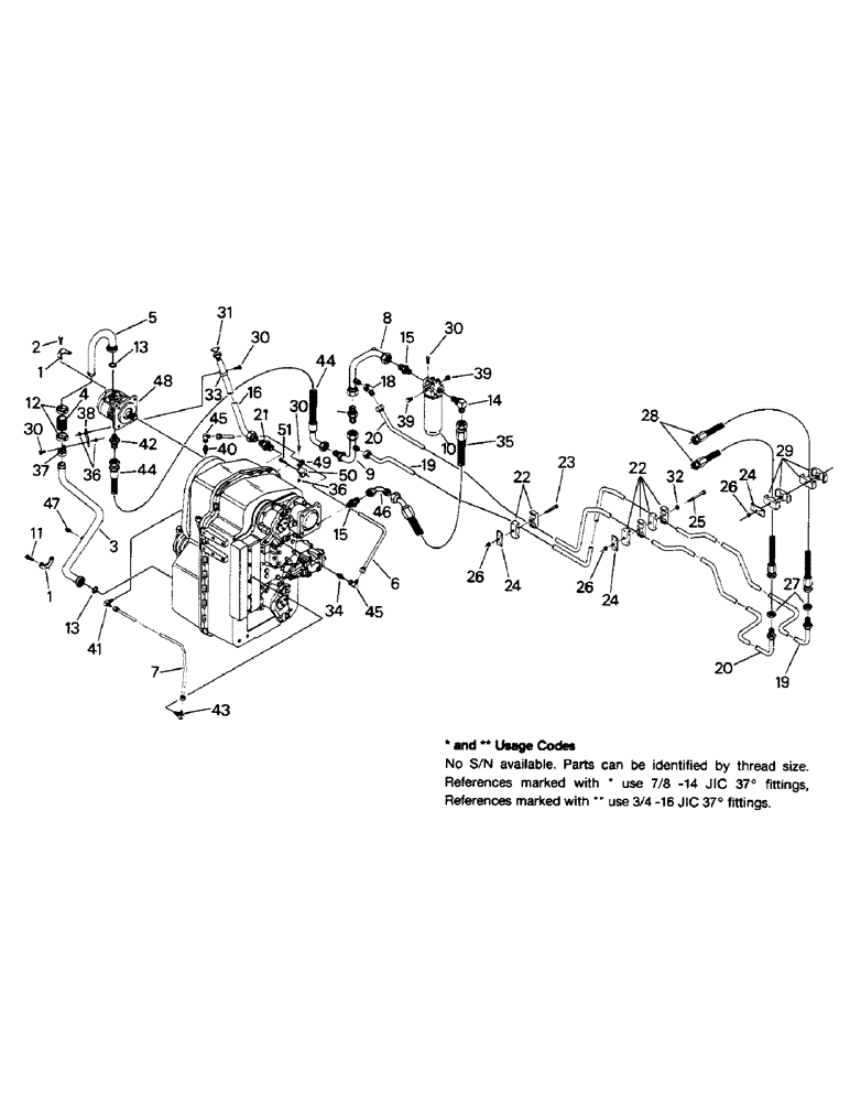
Запчасти Case IH STEIGER (04-29) - TRANSMISSION LUBE SYSTEM, WITH PTO (04) - Drive Train

Схема запчастей Case IH STEIGER - (04-29) - TRANSMISSION LUBE SYSTEM, WITH PTO (04) - Drive Train
32
45
6
5
8
34
37
51
10
7
20
50
4
25
44
3
11
2
15
26
19
15
24
26
36
38
20
22
18
39
16
31
30
26
40
14
13
9
48
24
44
1
41
39
22
47
46
27
49
19
28
42
30
13
30
3
21
24
1
35
29
36
33
43
23
12
FIT
1:1
100%

Артикул

Название

Примечание

Количество

1

31-1910

COUPLING FLANGE

Hydraulic split, 1-1/4

4шт.

2

19-33

BOLT,7/16" - 14 x 1 1/4", Gr 5

CAPSCREW, 7/16 UNC x 1-1/4 G-5

4шт.

3

90-6465T2

TUBE,1.5" OD

Suction

1шт.

4

1-4571

HOSE

4.00 inch

1шт.

5

90-6464T2

TUBE,1.5" OD

Pump suction (90-6464T1)

1шт.

Old part can be used on all tractors, new part should be used when stock is depleted.

1шт.

6

90-6690T1

TUBE,.625" OD

Transmission lube

1шт.

Old part must be used prior to serial number break. New part will work after serial number break only.

1шт.

No S/N available. Parts can be identified by thread size. Use 7/8 -14 JIC 37° fittings.

1шт.

90-6889T1

TUBE,.5" OD

TUBE - transmission lube

1шт.

Old part must be used prior to serial number break. New part will work after serial number break only.

1шт.

No S/N available. Parts can be identified by thread size. Use 3/4 -16 JIC 37° fittings.

1шт.

7

90-6691T1

TUBE,.5" OD

TUBE - transmission lube

1шт.

8

90-6591T1

TUBE,1.25" OD

Filter

1шт.

9

50-2900T1

TUBE

1шт.

10

90-6524T91

FILTER ASSY

1шт.

90-6602T1

HYDRAULIC OIL FILTER

FILTER, OIL ELEMENT - filter

1шт.

Duplicate or identical parts - renumber all stock as indicated.

1шт.

11

19-18

BOLT,Hex, 3/8" - 16 x 1 1/4", Gr 5

CAPSCREW, 3/8 UNC x 1-1/4 G-5

4шт.

12

31-1283

MOUNTING CLIP

CLAMP - hose, 1-1/4 x 2-5/8

2шт.

13

31-1925

O-RING,0.139" Thk x 1.484" ID, -222, Cl 6, 90 Duro

Split flange

2шт.

14

31-2250

ELBOW,90 Degree, 1 5/8"-12, 37 Degree x 1 5/16"-12, O-Ring

(16), 1-5-16-12 O-ring boss x 1-5/8-12 JIC 37 degree male

1шт.

15

1-4144

HYD CONNECTOR,1 5/8"-12, 37 Degree x 1 5/16"-12, O-Ring

(16), 1-5/16-12 O-ring boss x 1-5/8-12 JIC 37 degree male

2шт.

16

90-6545T1

TUBE,1.25" OD

Dipstick

1шт.

17

90-6578T1

VALVE POPPET

Check

1шт.

18

31-1545

ELBOW,45 Degree, 1 1/16"-12, 37 Degree x 1 1/16"-12, 37 Degree Fem Sw

ELBOW, 1-1/16-12 JIC 37 degree female x 1-1/16-12 JIC 37 degree male

1шт.

19

50-2916T1

TUBE

Oil cooler

1шт.

20

50-2915T1

TUBE

Oil cooler

1шт.

21

31-401

HYD CONNECTOR,1 5/8"-20, 37 Degree x 1 5/8"-12, O-Ring

ADAPTER (20), 1-5/8-12 o-ring boss x 1-5/8-12 JIC 37 degree male

1шт.

22

50-2551T1

CLAMP

Half, hose, 3/4 inch

10шт.

23

19-724

SPARE PART CAPSCREW, 5/16 UNC x 2-1/2 G-5 Hex, 5/16"-18 x 2 1/2", G5

1шт.

24

50-2533T1

PLATE

Clamp cover

4шт.

25

19-333

BOLT,Hex, 5/16" - 18 x 4", Gr 5

CAPSCREW, 5/16 UNC x 4 G-5

2шт.

26

19-802

NUT

5/16 UNC G-A

4шт.

27

31-2375

BHD LOCK NUT,Blkhd, 1 1/16"-12

Fitting

2шт.

28

31-2547

HOSE ASSY.

2шт.

29

50-2534T1

CLAMP

Half, hose, 1.00 inch

4шт.

30

19-16

BOLT,Hex, 3/8" - 16 x 3/4", Gr 5

CAPSCREW, 3/8 UNC x 3/4 G-5

6шт.

31

90-6546T1

DIPSTICK

Transmission

1шт.

32

19-700

WASHER,5/16"

Flat, 3/8

2шт.

33

31-1348

CLAMP

Tube

1шт.

34

31-462

HYD CONNECTOR,7/8"-14, 37 Degree x 3/4"-16, O-Ring

ADAPTER (8), 3/4-16 o-ring boss x 7/8-14 JIC 37 degree male

1шт.

Old part must be used prior to serial number break. New part will work after serial number break only.

1шт.

No S/N available. Parts can be identified by thread size. Use 7/8 -14 JIC 37° fittings.

1шт.

31-329

HYD CONNECTOR,3/4"-16, 37 Degree x 3/4"-16, O-Ring

ADAPTER (8), 3/4-16 o-ring boss x 7/8-14 JIC 37 degree male

1шт.

Old part must be used prior to serial number break. New part will work after serial number break only.

1шт.

No S/N available. Parts can be identified by thread size. Use 3/4 -16 JIC 37° fittings.

1шт.

35

31-2734

HOSE

1шт.

36

19-78

SPECIAL NUT,3/8"-16, G5

3/8 UNC G-B

3шт.

37

31-1349

MOUNTING CLIP

CLAMP - tube

1шт.

38

90-6588T1

SUPPORT

STRAP - clamp support

1шт.

39

31-1664

PLUG

(With o-ring) (5), 1/2-20 o-ring boss

2шт.

40

18-570

HYD CONNECTOR,7/8"-14, 37 Degree x 7/8"-14, O-Ring

ADAPTER (10), 7/8-14 o-ring boss x 7/8-14 JIC 37 degree male

1шт.

Old part must be used prior to serial number break. New part will work after serial number break only.

1шт.

No S/N available. Parts can be identified by thread size. Use 7/8 -14 JIC 37° fittings.

1шт.

31-330

HYD CONNECTOR,3/4"-16, 37 Degree x 7/8"-14, O-Ring

ADAPTER (10), 7/8-14 o-ring boss x 3/4-16 JIC 37 degree male

1шт.

Old part must be used prior to serial number break. New part will work after serial number break only.

1шт.

No S/N available. Parts can be identified by thread size. Use 3/4 -16 JIC 37° fittings.

1шт.

41

31-367

ELBOW,90 Degree, 3/4"-16, 37 Degree x 7/8"-14, O-Ring

(10), 7/8-14 o-ring x 3/4-16 JIC 37 degree male

1шт.

42

31-369

HYD CONNECTOR,1 5/16"-12, 37 Degree x 1 5/16"-12, O-Ring

ADAPTER (16), 1-5/16-12 o-ring boss x 1-5/16-12 JIC 37 degree male

1шт.

43

31-2200

ELBOW,90 Degree, 3/4"-16, 37 Degree x 9/16"-18, O-Ring

(6), 9/16-18 o-ring boss x 3/4-16 JIC 37 degree male

1шт.

44

31-2671

HOSE,25.4mm ID x 609.6mm L

1шт.

45

31-455

ELBOW

7/8-14 JIC 37 degree female x 7/8-14 JIC 37 degree male

2шт.

Old part must be used prior to serial number break. New part will work after serial number break only.

1шт.

No S/N available. Parts can be identified by thread size. Use 7/8 -14 JIC 37° fittings.

1шт.

31-619

ELBOW

3/4-16 JIC 37 degree female x 3/4-16 JIC 37 degree male

1шт.

Old part must be used prior to serial number break. New part will work after serial number break only.

1шт.

No S/N available. Parts can be identified by thread size. Use 3/4 -16 JIC 37° fittings.

1шт.

46

31-2708

ADAPTER,90 Degree, 37 Degree Fl, 1 5/8"-12 Male x 1 5/8"-12 Fem

ELBOW, 1-5/8-12 JIC 37 degree female x 1-5/8-12 JIC 37 degree male (31-2718)

1шт.

Old part must not be used in this area only. Is OK elsewhere when shown.

1шт.

47

9403369

CAP,37 Degree, 7/16"-20

NUT - cap, 7/16-20 JIC 37 degree

1шт.

48

PUMP ASSEMBLY - transmission lube (See Fig. 04-25)

1шт.

49

31-1775

CLAMP

Tube

1шт.

50

90-6894T1

SUPPORT

BRACKET - clamp mounting

1шт.

51

HARDWARE - existing

1шт.

Выбрано товаров: 75