Запчасти Case IH STEIGER (04-31) - DRIVESHAFTS AND MOUNTING (04) - Drive Train

Схема запчастей Case IH STEIGER - (04-31) - DRIVESHAFTS AND MOUNTING (04) - Drive Train
5
22
9
16
4
20
17
3
1
19
24
6
13
23
18
18
1
11
21
15
10
1
20
19
18
7
17
20
26
12
2
19
14
FIT
1:1
100%

Артикул

Название

Примечание

Количество

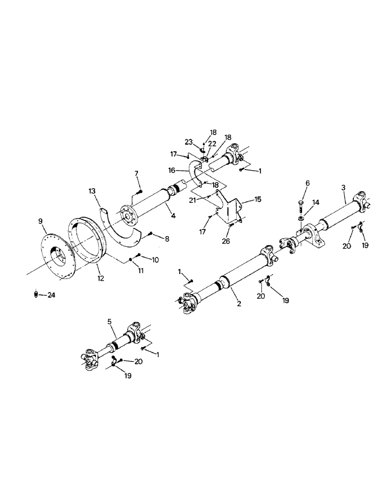
1

19-536

BOLT,3/8" - 24 x 1 3/4", Gr 8

CAPSCREW, 3/8 UNF x 1-3/4 G-8

12шт.

2

DRIVESHAFT ASSEMBLY (See Fig. 04-32)

1шт.

3

DRIVESHAFT ASSEMBLY (See Fig. 04-32)

1шт.

4

DRIVESHAFT ASSEMBLY (See Fig. 04-32)

1шт.

5

DRIVESHAFT ASSEMBLY (See Fig. 04-32)

1шт.

6

19-60

BOLT,Hex, 5/8" - 11 x 2", Gr 5

CAPSCREW, 5/8 UNC x 2 G-5

2шт.

7

19-45

BOLT,1/2" - 13 x 1 1/2", Gr 5

CAPSCREW, 1/2 UNC x 1-1/2 G-5

8шт.

8

454899

BOLT,Hex, 3/8" - 16 x 7/8", Gr 8, Full Thd

CAPSCREW, 3/8 UNC x 7/8 G-8.8

6шт.

9

90-1272T1

DAMPER

Vibration

1шт.

10

9427321

BOLT,3/8" - 16 x 1", Gr 8

CAPSCREW, 3/8 UNC x 1 G-8

8шт.

11

19-5941

WASHER,13/32" x 3/4" x .220", HDN

Hardened, 3/8 x 3/4 x 7/32 thk

8шт.

12

90-6190T1

LARGE PLATE

PLATE, LARGE SLINGER - flywheel

1шт.

13

90-6189T1

COVER

Flywheel housing

2шт.

14

19-5642

WASHER

Flat, 5/8 (19-711)

2шт.

Error correction only.

1шт.

15

90-6657T1

BRACKET

Driveshaft guard

1шт.

16

50-2852T1

LARGE PLATE

PLATE, LARGE Driveshaft guard

1шт.

17

9418918

BOLT,Hex, 5/16" - 18 x 1", Gr 5, Full Thd

CAPSCREW, 5/16 UNC x 1 G-5

4шт.

18

19-802

NUT

5/16 UNC G-A

5шт.

19

90-6683T1

STRAP

RETAINER - driveshaft

6шт.

20

19-6247

BOLT,3/8" - 24 x 0.75", Grade 8

CAPSCREW - 12 point (Special)

12шт.

21

19-234

BOLT,Hex, 5/16" - 18 x 1 1/4", Gr 5

CAPSCREW, 5/16 UNC x 1-1/4 G-5

1шт.

22

90-6820T1

BRACKET

Clamp mounting

1шт.

23

31-1775

CLAMP

1шт.

24

31-34

PLUG

Flywheel housing, 3/4 NPT

1шт.

25

1-1055

SEALANT

SEALANT - RTV

1шт.

26

EXISTING HARDWARE (See Fig. 08-02)

2шт.

Выбрано товаров: 27