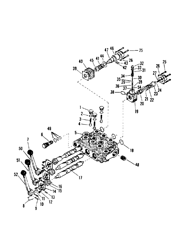
Запчасти Case IH STEIGER (08-21) - HYDRAULIC VALVE - 3 BANK CROSS (07) - HYDRAULICS
№
Артикул
Название
Примечание
Количество
18-452
VALVE
S, 3 bank (18-041) (B)
1шт.
18-470
O-RING
SEAL KIT (doesn't incl. detent seals)
1шт.
2
NAP
O-RING (sold w/kit only)
3шт.
3
18-224
SPRING
3шт.
4
18-225
CHECK VALVE
LOAD-CHECK
3шт.
5
NSS
NOT SOLD SEPARAT
HOUSING
1шт.
6
18-226
CARTRIDGE
RELIEF ASSEMBLY
1шт.
18-468
SHIM
thin
1шт.
7
23-6
KNOB
1шт.
8
18-227
SPLIT PIN
PIN, cotter
6шт.
9
18-228
PIN
3шт.
10
18-229
PIN
3шт.
11
18-230
LINK
handle
6шт.
12
18-231
SCREW
12шт.
13
18-232
PIN, ROLL
3шт.
14
18-233
BRACKET
handle
3шт.
15
18-234
O-RING
WASHER
3шт.
16
18-235
O-RING
SEAL, spool
6шт.
17
NAP
SPOOL
1шт.
18
18-235
O-RING
2шт.
19
18-238
HOUSING
DETENT HOUSING ASSEMBLY
2шт.
20
18-239
SLEEVE, detent
2шт.
21
18-240
WASHER
2шт.
22
18-241
SPRING
2шт.
23
18-242
COLLAR
2шт.
24
18-243
WASHER
2шт.
25
18-244
SCREW
8шт.
26
18-245
CAP
2шт.
27
18-246
SCREW
2шт.
28
18-247
O-RING
lower piston
2шт.
29
18-248
O-RING, upper piston
2шт.
30
18-249
SPRING
detent
2шт.
31
18-250
SCREW
2шт.
32
18-251
NUT
acorn
2шт.
33
18-252
NUT
2шт.
34
18-253
STOP
NUT, piston
2шт.
35
18-254
O-RING
backup
2шт.
36
18-255
PISTON
detent
2шт.
37
18-257
BALL
2шт.
38
18-237
O-RING
2шт.
39
18-258
PLATE
1шт.
40
18-259
SPACER
BLOCK, float spacer
1шт.
41
18-260
SPRING
centering
2шт.
42
18-257
BALL
4шт.
43
18-261
SPRING
detent
2шт.
44
18-264
WASHER
stop
1шт.
46
18-262
SLEEVE
detent
1шт.
47
18-263
RETAINER
detent
1шт.
48
18-236
PLUG, outlet
1шт.
49
O-RINGS (in kit only)
1шт.
50
4-214
HANDLE, 6"
1шт.
51
4-310
HANDLE, 8"
1шт.
52
4-311
HANDLE, 10"
1шт.
18-1158
ADAPTER, power beyond (not shown) (used only w/dual valve set up)
1шт.
Выбрано товаров: 57