Запчасти Case IH STEIGER (10-11) - DOZER ASSEMBLY, DEGLEMAN Options & Miscellaneous

Схема запчастей Case IH STEIGER - (10-11) - DOZER ASSEMBLY, DEGLEMAN Options & Miscellaneous
11
13
22
2
18
25
17
23
21
16
6
25
15
19
7
20a
10
12
1
10
5
1
11
3
23a
26
12
4
20
25
FIT
1:1
100%

Артикул

Название

Примечание

Количество

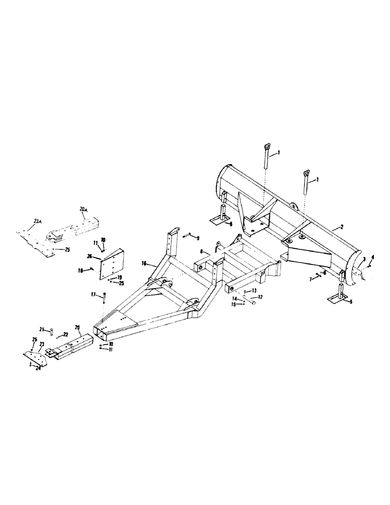
1

38-810

ANGLE PIN, 2-1/6 x 18

2шт.

2

38-807

BLADE ASSY., 12'

1шт.

3

38-808

CUTTING EDGE, 6'

2шт.

4

38-812

PIN, SPLIT (COTTER)

PLOW BOLT W/NUT, 5/8 x 2-1/2 NC

16шт.

5

38-809

SHOE

2шт.

6

19-5399

PIN

HAIR PIN

2шт.

7

38-811

PIN, 3/4 x 4-1/2

2шт.

8

38-806

A-FRAME EXTENSION

1шт.

9

19-842

BOLT,Hex, 1" - 8 x 8", Gr 5

CAPSCREW, 1 x 8 NC

6шт.

10

19-122

LOCK WASHER,1"

1"

8шт.

11

19-610

NUT,1"-8, G5

1" NC

8шт.

12

38-837

PIVOT PIN, 2-1/16 x 11-1/4

2шт.

13

19-47

BOLT,1/2" - 13 x 2 1/2", Gr 5

CAPSCREW, 1/2 x 2-1/2 NC

2шт.

14

19-119

LOCK WASHER,1/2"

1/2"

2шт.

15

19-81

NUT,1/2"-13, G5

1/2" NC

2шт.

16

38-804

A-FRAME

1шт.

Used on Cougar, Tiger and Panther

1шт.

38-805

A-FRAME

1шт.

Used on WC, SWC, BC

1шт.

17

19-841

BOLT,Hex, 1" - 8 x 9", Gr 8

CAPSCREW, 1 x 9 NC

2шт.

18

19-63

BOLT,Hex, 3/4" - 10 x 2 1/2", Gr 5

CAPSCREW, 3/4 x 2-1/2 NC

12шт.

19

19-121

LOCK WASHER,3/4"

3/4"

12шт.

20

38-802

PUSH POLE ASSY.

1шт.

Used on Cougar, Tiger and Panther

1шт.

20a

38-803

PUSH POLE ASSY.

1шт.

Used on WC, SWC, BC

1шт.

21

38-813

PIN

1-3/8 x 5

1шт.

22

19-199

COTTER PIN,3/16" x 2"

Pin, Split (Cotter), 3/16" x 2"

1шт.

23a

38-814

HITCH BRACKET

1шт.

Used on WC, SWC, BC

1шт.

23

38-815

HITCH BRACKET

1шт.

Used on Cougar, Tiger and Panther

1шт.

24

19-1087

BOLT,Hex, 3/4" - 10 x 3", Gr 8

CAPSCREW, 3/4 x 3 NC

4шт.

25

19-832

BOLT

NUT, 3/4 NC

16шт.

26

38-818

MOUNT PLATE, LH

1шт.

Used on Cougar, Tiger and Panther

1шт.

38-819

MOUNT PLATE, RH

1шт.

Used on Cougar, Tiger and Panther

1шт.

38-816

MOUNT PLATE, LH

1шт.

Used on WC, SWC, BC

1шт.

38-817

MOUNT PLATE, RH

1шт.

Used on WC, SWC, BC

1шт.

Выбрано товаров: 42