Запчасти Case IH STEIGER (10-14) - MODEL 602 & 605, DOZER FRAME Options & Miscellaneous
№
Артикул
Название
Примечание
Количество
1
1-5911
X
SIDE ATTACHMENT (right) (early style)
1шт.
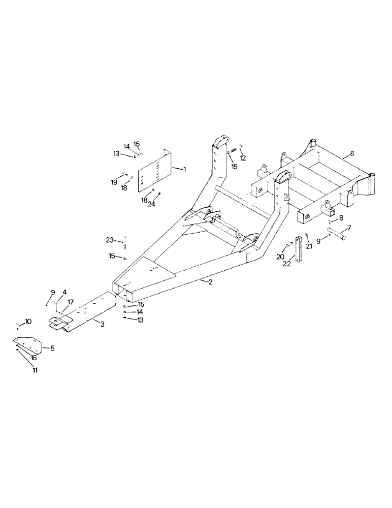
The side attachments (Ref. 1) have an early and later style. Later style P/N 02-2556 can be used as a replacement for the early style; however, the mounting hardware (Ref. 18, 19 & 24) are 7/8" instead of 3/4" and the quantity is 18 rather than 8, which means that extra holes must be drilled.
1шт.
1-5916
X
SIDE ATTACHMENT (left) (early style)
1шт.
2-2556
MOUNTING PARTS
SIDE ATTACHMENT (right & left) (later style)
2шт.
2
38-845
A-FRAME (see note 2)
1шт.
The A-Frame (Ref. 2) has been modified although the P/N has remained the same. The early style had a single ear for the top mount of the lift cylinders while the later style has 2 ears. This change requires that a capscrew and nut replace the pin and hairpin used with the single ear in case and new A-Frame is needed. It also had a different mount ear for the transport lock. See the following page for the different capscrew or pins.
1шт.
3
2-2013
DRAWBAR
1шт.
4
38-859
PIN
DRAWBAR PIN
1шт.
5
38-847
HINGE PLATE
1шт.
6
38-848T1
FRAME
EXTENSION, A-FRAME
1шт.
The A-Frame extension (Ref. 6) has been modified with a different mount for the later style transport lock. As it is the only one available for service, the new style transport lock and mount pins would also be needed. It would also require that the new ears (P/N 02-1830 qty. 2) be welded to the A-Frame so that the new lock can be attached at that end.
1шт.
7
38-851
PIVOT PIN
1шт.
8
19-279
BOLT,Hex, 3/8" - 16 x 3", Gr 5
CAPSCREW, 3/8 x 3 UNC
2шт.
9
232-4136
LOCK NUT,3/8"-16, GC
3/8 UNC
3шт.
10
19-1087
BOLT,Hex, 3/4" - 10 x 3", Gr 8
CAPSCREW, 3/4 x 3 UNC
4шт.
11
19-832
BOLT
NUT, 3/4 UNC
4шт.
12
19-1120
BOLT,1" - 8 x 8", Gr 8
CAPSCREW, 1 x 8 UNC
6шт.
13
19-610
NUT,1"-8, G5
1 UNC
8шт.
14
19-122
LOCK WASHER,1"
(used on early models only) 1"
8шт.
15
19-407
WASHER, 1-1/8
16шт.
16
19-121
LOCK WASHER,3/4"
3/4"
4шт.
17
19-21
BOLT,Hex, 3/8" - 16 x 2", Gr 5
CAPSCREW, 3/8 x 2 UNC
1шт.
18
19-121
LOCK WASHER,3/4"
(see note 1) 3/4"
8шт.
19-2975
WASHER
7/8
36шт.
19
19-63
BOLT,Hex, 3/4" - 10 x 2 1/2", Gr 5
CAPSCREW, 3/4 x 2-1/2 UNC
8шт.
The side attachments (Ref. 1) have an early and later style. Later style P/N 02-2556 can be used as a replacement for the early style; however, the mounting hardware (Ref. 18, 19 & 24) are 7/8" instead of 3/4" and the quantity is 18 rather than 8, which means that extra holes must be drilled.
1шт.
19-420
BOLT,7/8" - 9 x 3", Gr 8
CAPSCREW, 7/8 x 3 UNC
18шт.
20
19-2692
PIN (used with transport link P/N 01-2571)
2шт.
21
19-5400
PIN
HAIRPIN (used with pin P/N 19-2692)
2шт.
19-345
PIN
KLICK PIN (used with pin P/N 01-7803)
1шт.
22
1-2571
LINK, transport (single strap type with 1/2" holes) (early style)
2шт.
1-7800
LINK
transport (double strap type with 1-1/2" holes) (later style - shown above)
1шт.
23
19-1120
BOLT,1" - 8 x 8", Gr 8
CAPSCREW, 1 x 8 UNC (early style)
2шт.
19-841
BOLT,Hex, 1" - 8 x 9", Gr 8
CAPSCREW, 1 x 9 UNC (later style)
1шт.
24
19-832
BOLT
NUT, 3/4 UNC (see note 1)
8шт.
The side attachments (Ref. 1) have an early and later style. Later style P/N 02-2556 can be used as a replacement for the early style; however, the mounting hardware (Ref. 18, 19 & 24) are 7/8" instead of 3/4" and the quantity is 18 rather than 8, which means that extra holes must be drilled.
1шт.
19-457
NUT,7/8"-9, G5
7/8 UNC
18шт.
Выбрано товаров: 0