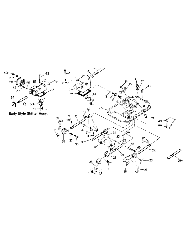
Запчасти Case IH STEIGER (04-20) - SHIFTER HOUSING, SPICER (04) - Drive Train

Схема запчастей Case IH STEIGER - (04-20) - SHIFTER HOUSING, SPICER (04) - Drive Train
2
11
52
45
51
23
24
39
4
37
31
34
22
19
14
11
38
15
29
40
26
2
50
5
46
8
7
51
11
11
11
27
56
30
36
10
54
48
44
47
50
25
18
30
32
32
57
35
43
31
49
13
29a
55
9
28
12
58
33
11
42
12
2
8
17
41
16
53
FIT
1:1
100%

Артикул

Название

Примечание

Количество

12-1987

SHIFT HOUSING SUB-ASSY., consists of ref. 1 - 42

1шт.

Used on all trans. prior trans. SN 2186698, factory production P/N 12-425, old style shifter and 12-1989, new style shifter

1шт.

12-2045

HOUSING

SHIFT HOUSING SUB-ASSY., consists of ref. 1 - 44

1шт.

Used on all trans. after trans. SN 2186698, service trans. after July '76, trans. P/N 12-2043.

1шт.

P/N 01-4207 shifter assy. differs from the earlier 12-2045 only in that the neutral start parts, items 29, 45-47, have been added internally. It can be subbed for the 12-2045 by either plugging the hole shown in the upper RH corner or ordering the new switch P/N 01-4199 and gasket P/N01-4198. This will allow doing away with the external bracket and switch

1шт.

1-4204

HOUSING

SHIFT HOUSING SUB-ASSY., consists of ref. 1 - 47

1шт.

Used on all trans. w/internal neutral start, service trans. after July '77, trans. P/N 01-2214

1шт.

12-1717

DIVIDER

CONTROL HOUSING SUB-ASSEMBLY

1шт.

1

12-1720

BOLT

SCREW, splitter housing

4шт.

2

12-1544

LOCK WASHER

4шт.

3

12-1723

SHAFT

ROD, splitter control

1шт.

4

12-1724

OIL SEAL

1шт.

5

12-1728

CAPSCREW

SCREW

1шт.

6

12-1616

LOCK WASHER

WASHER

1шт.

7

12-1727

SPRING

1шт.

8

12-1726

BALL

1шт.

9

12-1725

HOUSING

splitter

1шт.

10

12-1721

FINGER

splitter shift

1шт.

11

12-1550

SCREW

6шт.

12

12-1625

GASKET

1шт.

13

12-1602

PIN

back-up light

1шт.

14

12-1603

PLUG

1шт.

15

12-1601

PIN

blocker

1шт.

16

408

NUT,5/8" - 18, Gr 5

2шт.

17

12-1516

WASHER

2шт.

18

12-1484

BOLT

SCREW, shifter housing

14шт.

19

12-1719

PLUG

breather hole

1шт.

20

12-1582

SPRING

shift rod stop pin

1шт.

21

12-1583

PIN

stop

1шт.

22

12-1579

ROD

shift splitter

1шт.

23

12-1596

SET SCREW,7/16" - 20 x 13/16"

shift splitter fork

1шт.

24

12-1580

FORK

shift splitter

1шт.

25

12-1581

SHOE

splitter fork

2шт.

26

12-1587

FORK

shift (7, 8, 9 & 10th)

2шт.

27

12-1577

HOUSING

(all trans. except w/internal neutral start)

1шт.

1-4204

HOUSING

(use w/internal neutral start) (will replace 12-1577 but hole for neutral switch must be plugged)

1шт.

28

12-1588

BRACKET

shift (7, 8, 9 & 10th)

1шт.

29

1-4207

ROD

shift, 7, 8, 9 & 10th

1шт.

Used on all trans. w/internal neutral start, service trans. after July '77, trans. P/N 01-2214

1шт.

29a

12-1586

ROD

shift, 7, 8, 9 &10th, comes with ball and spring

1шт.

Used on all trans. prior trans. SN 2186698, factory production P/N 12-425, old style shifter and 12-1989, new style shifter

1шт.

30

12-1584

BALL

shift rod poppet

3шт.

31

12-1585

SPRING

shift rod poppet ball

3шт.

32

12-1589

LOCK

2шт.

33

12-1590

PIN

lock

1шт.

34

12-1592

FORK

shift (3, 4, 5 & 6th)

1шт.

35

12-1591

ROD

shift (3, 4, 5 & 6th)

1шт.

36

12-1597

PLUNGER

PIN, shift plunger (1, 2 & rev.)

2шт.

37

12-1598

SPRING

shift finger plunger

1шт.

38

12-1594

BRACKET

shift (1, 2 & rev.)

1шт.

39

12-1600

PIN

shift plunger pin

1шт.

40

12-1599

SPRING

BLOCK SHIFT BRACKET

1шт.

41

12-1593

ROD

shift (1, 2 & rev.)

1шт.

42

12-1595

FORK

shift (1, 2 & rev.)

1шт.

Used on all trans. prior trans. SN 2186698, factory production P/N 12-425, old style shifter and 12-1989, new style shifter

1шт.

12-2046

FORK

shift (1, 2 & rev.)

1шт.

Used on all trans. after trans. SN 2186698, service trans. after July '76, trans. P/N 12-2043.

1шт.

43

12-2049

TROUGH

1шт.

Used on all trans. prior trans. SN 2186698, factory production P/N 12-425, old style shifter and 12-1989, new style shifter

1шт.

44

12-2048

SCREW, trough

1шт.

Used on all trans. after trans. SN 2186698, service trans. after July '76, trans. P/N 12-2043.

1шт.

45

1-4203

SPRING

1шт.

Used on all trans. after trans. SN 2186698, service trans. after July '76, trans. P/N 12-2043.

1шт.

46

1-4200

PLUNGER

1шт.

Used on all trans. w/internal neutral start, service trans. after July '77, trans. P/N 01-2214

1шт.

47

1-4208

BALL

1шт.

Used on all trans. w/internal neutral start, service trans. after July '77, trans. P/N 01-2214

1шт.

48

19-1007

BOLT,Hex, 5/16" - 18 x 3", Gr 5

CAPSCREW, 5/16 NC x 3

4шт.

49

12-1530

PLUG

1шт.

50

12-1623

FINGER

1шт.

51

12-1611

HOUSING

1шт.

52

12-1617

ROD

1шт.

53

19-7

BOLT,Hex, 5/16" - 18 x 1", Gr 5

CAPSCREW, 5/16 NC x 1

3шт.

54

12-1700

PISTON

1шт.

55

12-438

BALL

1шт.

56

11-11

SPRING

1шт.

57

12-1614

GASKET

1шт.

58

55-126

PLATE

1шт.

Выбрано товаров: 78