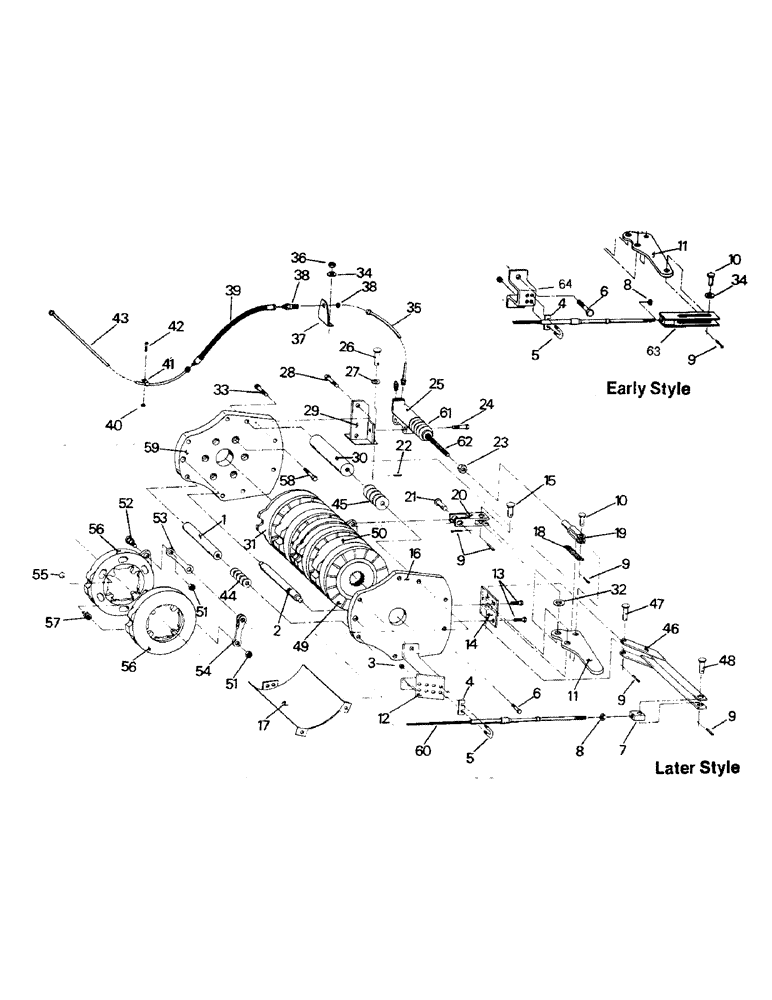
Запчасти Case IH STEIGER (05-06) - TWO SPEED BRAKE ASSEMBLY AND MOUNTING (5.1) - BRAKES

Схема запчастей Case IH STEIGER - (05-06) - TWO SPEED BRAKE ASSEMBLY AND MOUNTING (5.1) - BRAKES
58
44
13
4
56
22
43
3
26
49
34
46
36
11
38
16
59
10
48
9
61
25
50
8
32
11
64
53
55
57
15
29
18
37
28
45
33
27
47
6
38
24
56
5
4
12
19
34
14
21
23
62
7
1
20
8
17
9
9
9
35
6
30
63
41
42
54
51
31
2
60
10
40
51
39
52
9
FIT
1:1
100%

Артикул

Название

Примечание

Количество

1

1-6921

PIN

brake

6шт.

Part of brake shims Kit P/N 35-1108

1шт.

2

1-6919

PIN

pivot

1шт.

Part of brake shims Kit P/N 35-1108

1шт.

3

19-77

NUT,5/16"-18, G5

5/16 UNC

2шт.

4

1-3767

SHIM

1шт.

5

19-964

BOLT

U-BOLT

1шт.

6

19-46

BOLT,1/2" - 13 x 2", Gr 5

CAPSCREW, 1/2 x 2 UNC

8шт.

7

1-6934

LINK

1шт.

Part of brake cable Kit P/N 35-1112

1шт.

8

19-89

NUT,1/4"-28, G5

1/4 UNF

1шт.

9

19-168

COTTER PIN,1/8" x 1"

5шт.

Part of brake cable Kit P/N 35-1112

1шт.

10

19-5415

CLEVIS PIN,3/8" x 1 3/8"

1шт.

11

1-2958

LEVER

1шт.

12

1-6939

BRACKET

1шт.

Part of brake cable Kit P/N 35-1112

1шт.

13

19-1108

BOLT,Hex, 1/2" - 13 x 1", Gr 8

CAPSCREW, 1/2 x 1 UNC

2шт.

14

1-2086

PIVOT

1шт.

15

9417948

CLEVIS PIN,1/2" x 1.530"

1шт.

16

1-1912

PLATE

outside, used on box with L.H. hump

1шт.

42-104

PLATE, outside, used on box with R.H. hump

1шт.

17

1-4774

SHIELD

2шт.

Part of brake shims Kit P/N 35-1108

1шт.

18

1-5696

SPRING

1шт.

19

19-139

YOKE

1шт.

20

1-2092

YOKE

1шт.

21

9422050

PIN

CLEVIS PIN

1шт.

22

19-170

COTTER PIN,1/16" x 3/4"

Pin, Split (Cotter), 1/16" x 3/4"

1шт.

23

19-91

NUT,3/8"-24, G5

3/8 UNF

1шт.

24

19-581

CAPSCREW,Hex, 7/16" - 14 x 2", Gr 8

7/16 x 2 UNC

2шт.

25

1-2081

CYLINDER ASSY.

CYLINDER, slave

1шт.

25

54-299R

REMAN-HYD CYLINDER

Reman for New PN 1-2081

1шт.

25

54-299C

CORE-HYD CYLINDER

Return Number

1шт.

35-1009

KIT

REPAIR KIT

1шт.

54-299R

REMAN-HYD CYLINDER

Reman for New PN 35-1009

1шт.

54-299C

CORE-HYD CYLINDER

Return Number

1шт.

26

19-144

CLEVIS PIN,1/4" x 0.77"

1шт.

27

19-223

WASHER,1/4"

1/4

1шт.

28

19-792

BOLT,Hex, 1/2" - 13 x 2 1/2", Gr 8

CAPSCREW, 1/2 x 2-1/2 UNC

2шт.

29

1-2082

BRACKET

1шт.

30

1-6920

PIN

brake

2шт.

Part of brake shims Kit P/N 35-1108

1шт.

31

1-1913

CAP

PLATE, end

1шт.

32

19-463

WASHER,1/2", SAE

1/2

1шт.

33

19-554

HEX SOC SCREW,1/2" - 13 x 2", Gr 8

CAPSCREW, 1/2 x 2 UNC

6шт.

34

19-107

WASHER

3/8

2шт.

35

1-2139

LINE

BRAKE LINE

1шт.

36

19-78

SPECIAL NUT,3/8"-16, G5

3/8 UNC

2шт.

37

1-4612

BRACKET

1шт.

38

31-1391

FITTING,Blkhd, 7/16"-20, 37 Degree x 7/16"-20, 37 Degree

ADAPTER

1шт.

39

31-1390

HOSE

ASSEMBLY

1шт.

40

19-567

NUT,#10-24

#10 UNC

1шт.

41

32-68

COTTER PIN,3/32" x 1/2"

CLAMP

3шт.

42

19-233

SCREW,Sl Rd Hd, #10 - 24 x 1/2", Gr 2

MACHINE SCREW, #10 x 1/2 UNC

1шт.

43

1-2141

LINE

BRAKE LINE

1шт.

44

19-5507

SHIM

30шт.

Part of brake shims Kit P/N 35-1108

1шт.

45

19-5506

SHIM

10шт.

Part of brake shims Kit P/N 35-1108

1шт.

46

1-6945

ARM

lever

1шт.

Part of brake cable Kit P/N 35-1112

1шт.

47

42-102

CLEVIS PIN,1/2" x 2.060"

1шт.

Part of brake cable Kit P/N 35-1112

1шт.

48

9416912

CLEVIS PIN,3/8" x 1 1/2"

1шт.

Part of brake cable Kit P/N 35-1112

1шт.

1-4669

BRAKE

(49-57) BRAKE ASSEMBLY, Includes: Ref. 49 - 57

1шт.

49

1-4668

BRAKE DISC

DISC, metal

4шт.

50

1-3322

DISC

intermediate

2шт.

1-3323

DISC

ASSEMBLY, actuating (Contains only ref. 51-57)

1шт.

51

19-237

NUT,Jam, 1/2" - 20, Gr 5

1/2 UNF

2шт.

52

1-3324

STUD

2шт.

53

1-3325

LINK

1шт.

54

1-3326

LINK

yoke

1шт.

55

1-3327

BALL

6шт.

56

1-3328

DISC

actuating

2шт.

57

1-3329

SPRING

extension

4шт.

58

19-44

BOLT,Hex, 1/2" - 13 x 1 1/4", Gr 5

CAPSCREW, 1/2 x 1-1/4 UNC

6шт.

59

1-2266

PLATE, inside, used on box with L.H. hump

1шт.

42-89

PLATE, inside, used on box with R.H. hump

1шт.

60

60-1388T1

CABLE

park brake, used on box with L.H. hump

1шт.

Part of brake cable Kit P/N 35-1112

1шт.

30-19

CABLE, park brake, used on box with R.H. hump

1шт.

1-1051

GROMMET

(In floorboard w/brake cable)

1шт.

61

1-3082

BOOT

1шт.

62

1-4663

PUSH ROD

PUSHROD

1шт.

63

YOKE, order kit 35-1112

1шт.

64

BRACKET, order kit 35-1112

1шт.

35-1112

KIT

brake cable, includes 7, 9, 12, 46-48 and 60

1шт.

Some early brakes did not have the adjustment shims, ref 44 and 45. Kit 35-1108 should be installed,which includes ref. 1, 2, 30, 17, 44 and 45, if the shims are not on. The part number shown here for Ref. 1, 2 and 30 are for the latest pins which are used with the shims, so if any of those are needed on a tractor without the shims, the kit must be ordered.

1шт.

35-1108

KIT

brake shims, includes 1, 2, 17, 30, 44 and 45

1шт.

Some early brakes did not have the adjustment shims, ref 44 and 45. Kit 35-1108 should be installed,which includes ref. 1, 2, 30, 17, 44 and 45, if the shims are not on. The part number shown here for Ref. 1, 2 and 30 are for the latest pins which are used with the shims, so if any of those are needed on a tractor without the shims, the kit must be ordered.

1шт.

Выбрано товаров: 0