Запчасти Case IH STEIGER (04-07) - AIR INTAKE SYSTEMS, COUGAR I AND II (04) - Drive Train

Схема запчастей Case IH STEIGER - (04-07) - AIR INTAKE SYSTEMS, COUGAR I AND II (04) - Drive Train
35
17
37
35
3
10
8
15
14
22
7
5
30
2
1
17
4
12
13
20
24
11
17
18
35
29
26
28
34
19
19
20
32
16
25
9
33
21
26
5
27
6
23
31
22
36
FIT
1:1
100%

Артикул

Название

Примечание

Количество

1-3

9-28

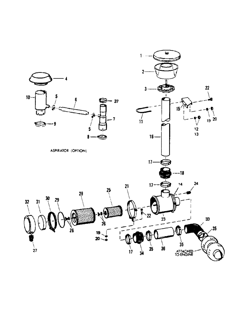
PRECLEANER ASSY., Includes: Ref. 1 - 3

1шт.

1

9-118

COVER

1шт.

2

9-72

BODY

DUST BOWL

1шт.

3

NSS

NOT SOLD SEPARAT

SLEEVE ASSY.

1шт.

9-70

ASPIRATOR KIT (CI) 4", Includes: Ref. 4 - 10

1шт.

56-12

ASPIRATOR KIT (CII) 5"

1шт.

4

09-086

CAP 9" Pipe

1шт.

5

9-50

CLAMP

2шт.

6

9-89

TUBE (CI)

1шт.

9-92

TUBE

(CII)

1шт.

7

9-90

INTAKE ASSY

ASPIRATOR (Incl. #8) (CI)

1шт.

56-22

INTAKE ASSY

ASPIRATOR (Incl. #8) (CII)

1шт.

8

9-91

CLAMP (CI)

1шт.

9-48

COLLAR CLAMP

CLAMP (CII)

1шт.

9

9-88

CLAMP

1шт.

10

9-87

PRECLEANER (Incl. #9)

1шт.

11

44-13

U-BOLT,5/16" - 18 x 7.29"

1шт.

12

19-77

NUT,5/16"-18, G5

2шт.

13

19-116

LOCK WASHER,5/16"

5/16"

2шт.

14

31-303

BREATHER

ELBOW

1шт.

15

41-182

MOUNT, stack (CII)

1шт.

16

45-68

AIR INTAKE TUBE

PIPE 6"

1шт.

17

32-129

CLAMP,#172, 6.25"-6.56", T-Bolt

3шт.

18

9-17

ADAPTER

HOSE, hump, 6"

1шт.

19

19-117

LOCK WASHER,3/8"

3/8"

6шт.

20

19-78

SPECIAL NUT,3/8"-16, G5

3/8 NC

6шт.

21

9-16

BAND

ASSY.

2шт.

22

19-17

BOLT,Hex, 3/8" - 16 x 1", Gr 5, Full Thd

CAPSCREW

6шт.

9-15

AIR CLEANER ASSY., Includes: Ref. 23 - 32

1шт.

23

NSS

NOT SOLD SEPARAT

BODY

1шт.

24

29-3

GAUGE

RESTRICTION INDICATOR

1шт.

25

28-21

ELEMENT

filter, inner

1шт.

26

9-35

NUT

WING NUT & WASHER

2шт.

27

9-41

HYDRAULIC VALVE

VALVE, vaculator

1шт.

28

28-20

FILTER

ELEMENT, filter, outer

1шт.

29

9-106

O-RING

1шт.

30

9-105

BAND

CLAMP

1шт.

31

9-55

BAFFLE

1шт.

32

9-54

AXLE PIN

CUP

1шт.

33

9-4

ELBOW

90 degrees x 5" rubber

1шт.

34

9-61

HOSE,5.00" ID, 6.00" ID ID x, 6.00"

Hump 5.00" ID, 6.00" ID ID x, 6.00"

1шт.

35

32-128

CLAMP,#140, 5.25"-5.56", T-Bolt

3шт.

36

51-261

PIPE, 5" x 24"

1шт.

37

56-21

SPACER, rain cap to aspirator (CII only)

1шт.

Выбрано товаров: 0