Запчасти Case IH STEIGER (04-28) - TRANSMISSION PUMP (04) - Drive Train

Схема запчастей Case IH STEIGER - (04-28) - TRANSMISSION PUMP (04) - Drive Train
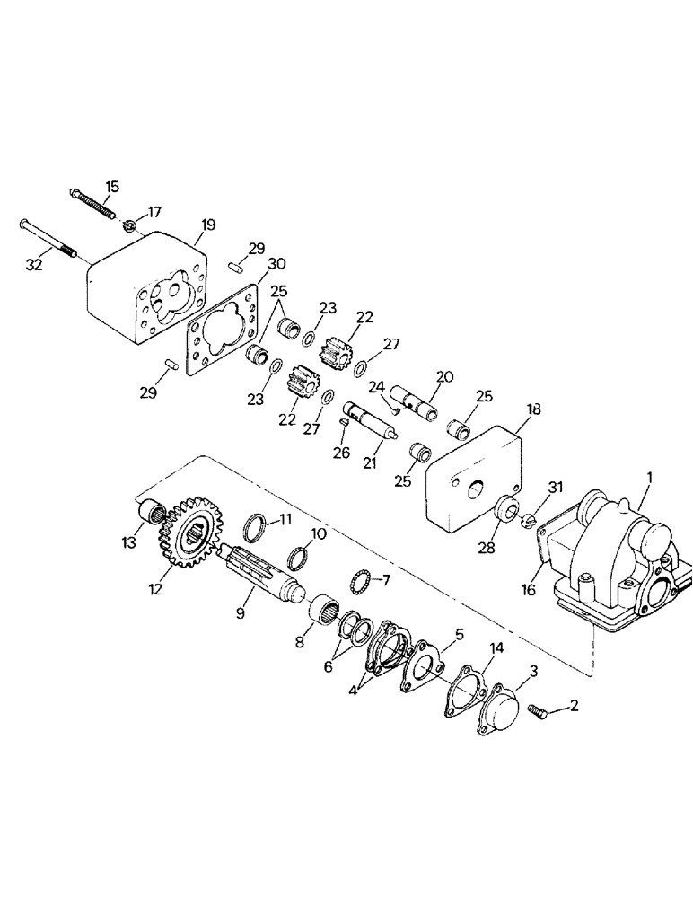
18
15
28
16
24
10
19
2
25
1
9
8
27
3
4
17
29
14
23
30
31
25
22
32
13
27
12
20
7
26
29
25
21
22
23
11
5
6
FIT
1:1
100%

Артикул

Название

Примечание

Количество

12-2055

PUMP

(1-32) PTO AND PUMP ASSY., Includes: Ref. 1 - 32

1шт.

12-1722

(1-14) PTO ASSEMBLY, Includes: Ref. 1 - 32

1шт.

1-2114

PUMP

(15-32) PUMP ASSEMBLY, Includes: Ref. 1 - 32

1шт.

1

12-1669

HOUSING

PTO (Includes ref. 8 & 13)

1шт.

2

12-1670

CAPSCREW

3шт.

3

12-1671

CAP

bearing

1шт.

4

12-1672

GASKET

2шт.

5

12-1673

PLATE

thrust

1шт.

6

12-1674

THRUST WASHER

thrust

2шт.

7

12-1675

BALL

21шт.

8

12-1676

NEEDLE BEARING

BEARING, needle

1шт.

9

12-1677

SHAFT

drive (Includes ref. 6, 7 & 10)

1шт.

10

12-1678

RING

retaining

1шт.

11

12-1679

RING

retaining

2шт.

12

12-1680

GEAR

drive

1шт.

13

12-1681

NEEDLE BEARING

BEARING, needle

1шт.

14

1-2069

GASKET

1шт.

15

1-2112

CAPSCREW

4шт.

16

12-1682

GASKET

1шт.

17

12-1685

LOCK WASHER

2шт.

18

1-2100

STATOR

1шт.

19

1-2101

HOUSING, gear

1шт.

20

1-2102

SHAFT

idler

1шт.

21

1-2103

DRIVE SHAFT

SHAFT, drive

1шт.

22

1-2104

GEAR

2шт.

23

1-2105

RING, SNAP

2шт.

24

1-2106

PIN

DRIVE PIN

1шт.

25

1-2107

NEEDLE BEARING

BEARING, needle

4шт.

26

1-2108

KEY

Woodruff

1шт.

27

1-2109

RING, SNAP

2шт.

28

1-2110

OIL SEAL

oil

1шт.

29

1-2111

PIN

DOWEL PIN

2шт.

30

1-2113

GASKET

1шт.

31

12-1699

COUPLING

1шт.

32

12-1720

BOLT

CAPSCREW

2шт.

Выбрано товаров: 0