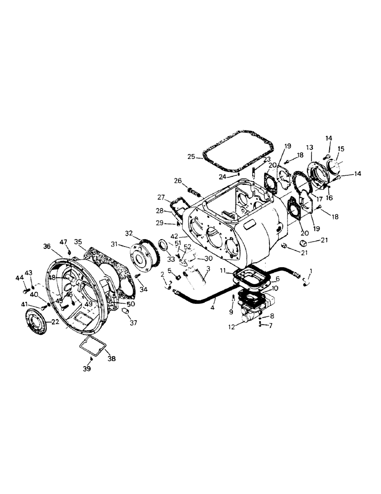
Запчасти Case IH STEIGER (04-22) - CASE, BEARING CAPS AND RELATED PARTS, SPICER (04) - Drive Train
№
Артикул
Название
Примечание
Количество
1
31-466
PIPE
ELBOW
1шт.
2
31-21
ELBOW
1шт.
3
12-1665
FILTER
ASSY.
1шт.
18-502
FILTER CARTRIDGE
ELEMENT
1шт.
4
12-1663
HOSE,SAE 100R1
SAE 100R1
1шт.
5
31-12
REDUCER
BUSHING
1шт.
6
12-1749
PLATE, adapter
1шт.
7
19-24
BOLT,3/8" - 16 x 2 1/4", Gr 5
CAPSCREW, 3/8 NC x 2-1/4
5шт.
19-279
BOLT,Hex, 3/8" - 16 x 3", Gr 5
CAPSCREW, 3/8 NC x 3
1шт.
8
12-2015
GASKET
copper
6шт.
9
12-1751
KIT
STUD KIT (incl. following)
1шт.
19-32
BOLT,Hex, 7/16" - 14 x 1", Gr 5, Full Thd
CAPSCREW, 7/16 NC x 1
7шт.
12-2011
PIN
DOWEL PIN
1шт.
10
12-1748
GASKET
(.020)
2шт.
12-1994
GASKET
(.010)
1шт.
11
12-1747
GASKET
(.010) .020 per print
1шт.
12
PUMP ASSY. (see following parts figure)
1шт.
13
12-2050
CAP
& SEAL ASSY., includes ref.15, service trans., Start Serial: 2186698
1шт.
12-1497
CAP
& SEAL ASSY., includes ref. 15, standard trans., Serial Range: -2186698
1шт.
14
19-45
BOLT,1/2" - 13 x 1 1/2", Gr 5
CAPSCREW, 1/2 NC x 1-1/2
4шт.
19-47
BOLT,1/2" - 13 x 2 1/2", Gr 5
CAPSCREW, 1/2 NC x 2-1/2
2шт.
15
12-1500
OIL SEAL
M/S rear
1шт.
16
12-1505
PLUG
speedo hole
1шт.
17
12-1501
GASKET
1шт.
18
19-17
BOLT,Hex, 3/8" - 16 x 1", Gr 5, Full Thd
CAPSCREW, 3/8 NC x 1
10шт.
19
12-1508
CAP
2шт.
20
12-1509
GASKET
2шт.
21
12-1488
PLUG
drain
2шт.
22
13-178
BRAKE
CLUTCH BRAKE
1шт.
23
12-1515
STUD
2шт.
24
12-1519
PIN
DOWEL PIN
2шт.
25
12-1514
GASKET
1шт.
26
12-1489
PLUG
1шт.
27
2-2769
GASKET
replaced. 12-1705
1шт.
Superseded, old P/N can be used for all models, but order new P/N when stock is depleted.
1шт.
28
12-1704
PLATE
standard trans., Serial Range: -2186698
1шт.
12-2074
PLUG, DRAIN
PLATE, service trans., any trans. purchased as a service replcement after July 76 must also get a 12-2074 Drain Plate, as the later trans. have the PTO opening moved forward approx. 1 in., Start Serial: 2186698
1шт.
29
19-16
BOLT,Hex, 3/8" - 16 x 3/4", Gr 5
CAPSCREW, 3/8 NC x 3/4
1шт.
30
12-1664
BRACKET
filter mt.
1шт.
31
12-1480
CAP
& SEAL (incl. #33)
1шт.
32
12-1483
GASKET
1шт.
33
12-1482
OIL SEAL
1шт.
34
19-18
BOLT,Hex, 3/8" - 16 x 1 1/4", Gr 5
CAPSCREW, 3/8 NC x 1-1/4
1шт.
35
12-1475
GASKET
clutch housing
1шт.
36
12-1470
HOUSING
CLUTCH HOUSING
1шт.
37
12-1471
BUSHING
clutch release shaft
2шт.
38
55-104
COVER
1шт.
39
12-1473
SCREW,Hex, 5/16" - 18 x 1", Gr 5
CAPSCREW
2шт.
40
19-711
WASHER,5/8", SAE
5/8 flat
4шт.
41
19-675
BOLT,Hex, 5/8" - 11 x 1 1/4", Gr 5
CAPSCREW, 5/8 NC x 1-1/2
10шт.
42
12-1486
HOUSING
CASE, standard trans., includes ref. 21 and 26, this part can be serviced with 12-2053 but the 12-2074 Drain Plate must be ordered and the gear in the pump drive must be realigned, Serial Range: -2186698
1шт.
12-2053
CASE
service trans., Start Serial: 2186698
1шт.
43
19-118
LOCK WASHER,7/16"
7/16"
2шт.
44
65-59
BOLT,Hex, M10 x 60mm
CAPSCREW
2шт.
45
19-44
BOLT,Hex, 1/2" - 13 x 1 1/4", Gr 5
CAPSCREW, 1/2 NC x 1-1/4
2шт.
46
19-463
WASHER,1/2", SAE
1/2 flat
4шт.
47
13-129
WASHER
1шт.
48
13-130
SHAFT
short
1шт.
49
13-79
YOKE
1шт.
50
13-204
SHAFT
9"
1шт.
13-131
SHAFT
10"
1шт.
51
19-17
BOLT,Hex, 3/8" - 16 x 1", Gr 5, Full Thd
CAPSCREW, 3/8 NC x 1
2шт.
52
19-117
LOCK WASHER,3/8"
3/8"
2шт.
12-1654
KIT
GASKET KIT complete
1шт.
Выбрано товаров: 65